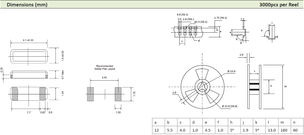
频率:32.768 kHz 尺寸:4.1*1.5*0.7mm
此款SMD晶体并且可以承受回流焊接的高温,波峰焊接,回流焊接等,贴片表晶主要特点是该产品排带包装,焊接模式主要使用SMT焊接,给现代SMT工艺带来高速的工作效率,32.768K系列产品本身具有体积小,厚度薄,重量轻等特点。
AEL晶振,贴片晶振,PSX-415晶振,4.1*1.5mm手机晶体,超小型石英晶片的设计:石英晶片的长宽尺寸已要求在±0.002mm内,由于晶片很小导致晶体的各类寄生波(如长度伸缩振动,面切变振动)与主振动(厚度切变振动)的耦合加强,从而造成如若晶片的长度或宽度尺寸设计不正确、使得振动强烈耦合导致晶片不能正常工作,从而导致产品在客户端不能正常使用,研发及生产超小型石英晶体元器件完成晶片的设计特别是外形尺寸的设计是首要需解决的技术问题,公司在此方面通过理论与实践相结合,模拟出一整套此晶片设计的计算机程序,该程序晶片外形尺寸已全面应用并取得很好的效果。超小型表面贴片型SMD晶振,最适合使用在汽车电子领域中,也是特别要求高可靠性的引擎控制用CPU的时钟部分.
低频晶振可从32.768KHZ起对应,小型,超薄型具备强防焊裂性,石英晶体在极端严酷的环境条件下也能发挥稳定的起振特性,产品本身具有耐热,耐振,耐撞击等优良的耐环境特性,满足无铅焊接以及高温回流温度曲线要求,符合AEC-Q200标准.
石英晶振曲率半径加工技术:石英晶振晶片在球筒倒边加工时应用到的加工技术,主要是研究满足不同曲率半径石英晶振晶片设计可使用的方法。如:1、是指球面加工曲率半径的工艺设计( a、球面的余弦磨量; b、球面的均匀磨量;c、球面加工曲率半径的配合)
2、在加工时球面测量标准的设计原则(曲率半径公式的计算)。注意:在石英晶振晶体测量中各个厂家的仪器会存在一定的差距(误差),所以应对晶振晶体测试仪器做特别管制。尤其是小公差产品。目前本公司的标准仪器在品管部。DIP 产品为 250A,SMD,AEL晶振,贴片晶振,PSX-415晶振,4.1*1.5mm手机晶体
AEL晶振
单位
PSX-415晶振
石英晶振基本条件
标准频率
f_nom
32.768 kHz
标准频率
储存温度
T_stg
-55°C - +125°C
裸存
工作温度
T_use
‐40°C ~ +85°C
标准温度
激励功率
DL
1.0μW Max.
推荐:10μW~100μW
频率公差
f_— l
±20×10-6 (标准),
+25°C 对于超出标准的规格说明,
频率温度特征
f_tem
±10ppm - ±50ppm/‐20°C ~ +70°C,
超出标准的规格请联系我们.
负载电容
CL
12.5pF
不同负载电容要求,请联系我们.
串联电阻(ESR)
R1
如下表所示
-10°C~65°C, DL=100μW
频率老化
f_age
±3× 10-6 / year Max.
+25°C,第一年
(±10×10-6~±50×10-6可用)
请联系我们以便获取相关的信息,http://www.jingzhen95.com/

进口贴片晶振使用注意事项,AEL晶振,贴片晶振,PSX-415晶振,4.1*1.5mm手机晶体
使用每种产品时,请在产品规格说明或产品目录规定使用条件下使用。
晶体产品的设计和生产满足它的规格书。通过严格的出厂前可靠性测试以提供高质量高可靠性的产品.但是为了产品的品质和可靠性,必须在适当的条件下存储,安 装,运输。请注意以下的注意事项并在最佳的条件下使用产品,我们将对于客户按自己的判断而使用产品所导致的不良不负任何责任。
所有产品的共同点
抗冲击
4.1*1.5SMD晶体产品可能会在某些条件下受到损坏。例如从桌上跌落或在贴装过程中受到冲击。如果产品已受过冲击请勿使用。
辐射
暴露于辐射环境会导致产品性能受到损害,因此应避免照射。
化学制剂 / pH值环境
请勿在PH值范围可能导致腐蚀或溶解产品或包装材料的环境下使用或储藏这些产品。
粘合剂
请勿使用可能导致32.768K石英晶体系列产品所用的封装材料,终端,组件,玻璃材料以及气相沉积材料等受到腐蚀的胶粘剂。 (比如,氯基胶粘剂可能腐蚀一个晶体单元的金属“盖”,从而破坏密封质量,降低性能。)AEL晶振,贴片晶振,PSX-415晶振,4.1*1.5mm手机晶体
4115两脚贴片晶振超低电压驱动的CO2排放量(0.8V ~)型时钟振荡器(nz2520sf)采用最先进的技术和传统的产品开发(2700系列)是由环境LCA技术相比。二氧化碳排放量的计算量的部分制造,产品制造和我们的产品纳入笔记本电脑的功耗,以及产品运输的燃料消耗量。所采用的分析方法是“现场类型”,研究工厂和生产线单位的功耗,然后从产品的总金额,每产品的功耗。
英国艾西迪ACT晶振由于制造普通晶体振荡器(PXO)、压控晶体振荡器(VCXO)、温补晶体振荡器(TCXO)、恒温晶体振荡器(OCXO)、陶瓷谐振器等涉及高温处理,所以需要大量电力的过程。通过使产品更加紧凑,可以增加每个工序引入的零件数量。设备功耗几乎不影响零件数量。因此,每个产品的功耗减少由于增加的部件的数量,然后抑制二氧化碳排放。与这项改革,减少功耗设备也实施。为了快速响应我们的客户需求,我们整合了我们的基本技术,设计技术,生产技术和制造技术,成功地减少和减轻产品使用最先进的技术。
英国艾西迪ACT晶振集团作为“地球内企业”,在保护地球环境方面发挥着领导作用。我们尊重历史、文化和传统的多样性,并致力于“CSR经营”和“环境经营”。为取得社会的信任,为推动环境负荷最小化,集团还开展了各种各样的活动。
英国艾西迪4.1*1.5晶振在“制造、使用、有效利用、再利用”这样一个产品生命周期中,努力创造丰富的价值,给社会带来温馨和安宁,感动和惊喜,同时为减少环境影响,努力做好“防止地球变暖、有效利用资源、对化学物质进行管理”,实现与地球的和谐相处。AEL晶振,贴片晶振,PSX-415晶振,4.1*1.5mm手机晶体
服务热线:0755-27839045
Q Q联系:262320519
邮箱:szceob2b@163.com

频率:32.768KHZ
尺寸:4.1*1.5mm
32.768K时钟晶体具有小型,薄型,轻型的贴片晶振表面音叉型晶体谐振器,产品具有优良的耐热性,耐环境特性,可发挥晶振优良的电气特性,符合RoHS规定,满足无铅焊盘的高温回流温度曲线要求,金属外壳的封装使得产品在封装时能发挥比陶瓷谐振器外壳更好的耐冲击性.