欢迎来到CEOB2B晶振平台

咨询热线:

0755-27839045

日产进口晶振 :
KDS晶振KDScrystal
爱普生晶振EPSONcrystal
NDK晶振NDKcrystal
京瓷晶振KyoceraCrystal
精工晶振SEIKOcrystal
西铁城晶振CITIZENcrystal
村田晶振MurataCrystal
大河晶振RiverCrystal
富士晶振FujicomCrystal
SMI晶振SMICrystal
NAKA晶振NAKACrystal
NJR晶振NJRCrystal
中国台产晶振 :
泰艺晶振TAITIENcrystal
TXC晶振TXCcrystal
鸿星晶振HOSONICcrystal
希华晶振SIWARDcrystal
加高晶振HELEcrystal
百利通亚陶晶振DiodesCrystal
嘉硕晶振TSTcrystal
津绽晶振NSKcrystal
玛居礼晶振MERCURYcrystal
应达利晶振Interquip Crystal
AKER晶振
NKG晶振NKGCrystal
欧美石英晶振 :
CTS晶振CTScrystal
微晶晶振Microcrystal
瑞康晶振RakonCrystal
康纳温菲尔德ConnorWinfield
高利奇晶振GolledgeCrystal
Jauch晶振JauchCrystal
AbraconCrystalAbraconCrystal
维管晶振VectronCrystal
ECScrystal晶振ECScrystal
日蚀晶振ECLIPTEKcrystal
拉隆晶振RaltronCrystal
格林雷晶振GreenrayCrystal
SiTimeCrystalSiTimeCrystal
IDTcrystal晶振IDTcrystal
Pletronics晶振PletronicsCrystal
StatekCrystalStatekCrystal
AEK晶振AEKCrystal
AEL晶振AELcrystal
Cardinal晶振Cardinalcrystal
Crystek晶振Crystekcrystal
Euroquartz晶振Euroquartzcrystal
福克斯晶振FOXcrystal
Frequency晶振Frequencycrystal
GEYER晶振GEYERcrystal
ILSI晶振ILSIcrystal
KVG晶振KVGcrystal
MMDCOMP晶振MMDCOMPcrystal
MtronPTI晶振MtronPTIcrystal
QANTEK晶振QANTEKcrystal
QuartzCom晶振QuartzComcrystal
QuartzChnik晶振QuartzChnikcrystal
SUNTSU晶振SUNTSUcrystal
Transko晶振Transkocrystal
WI2WI晶振WI2WIcrystal
韩国三呢晶振SUNNY Crystal
ITTI晶振ITTICrystal
Oscilent晶振OscilentCrystal
ACT晶振ACTCrystal
Lihom晶振LihomCrystal
Rubyquartz晶振RubyquartzCrystal
SHINSUNG晶振SHINSUNGCrystal
PDI晶振PDICrystal
MTI-milliren晶振MTImillirenCrystal
IQD晶振IQDCrystal
Microchip晶振MicrochipCrystal
Silicon晶振SiliconCrystal
富通晶振FortimingCrystal
科尔晶振CORECrystal
NIPPON晶振NIPPONCrystal
NIC晶振NICCrystal
QVS晶振QVSCrystal
Bomar晶振BomarCrystal
百利晶振BlileyCrystal
GED晶振GEDCrystal
菲特罗尼克斯晶振FiltroneticsCrystal
STD晶振STDCrystal
Q-Tech晶振Q-TechCrystal
安德森晶振AndersonCrystal
文泽尔晶振WenzelCrystal
耐尔晶振NELCrystal
EM晶振EMCrystal
彼得曼晶振PETERMANNCrystal
FCD-Tech晶振FCD-TechCrystal
HEC晶振HECCrystal
FMI晶振FMICrystal
麦克罗比特晶振MacrobizesCrystal
AXTAL晶振AXTALCrystal
ARGO晶振
Skyworks晶振
Renesas瑞萨晶振
Dynamic迪拉尼
有源晶振 :
石英晶体振荡器
温补晶振
压控晶振
VC-TCXO晶振
差分晶振
32.768K有源
恒温晶振
贴片晶振 :
5070晶振
6035晶振
5032晶振
3225晶振
2520晶振
2016晶振
1612晶振
1210晶振
8045晶振
32.768K晶振 :
10.4x4.0晶振
8.0x3.8晶振
7.1x3.3晶振
7.0x1.5晶振
5.0x1.8晶振
4.1x1.5晶振
3.2x1.5晶振
2.0x1.2晶振
1.6x1.0晶振
为你解决国内外知名品牌产品料号代码,查询对照

在线品牌会员

当前位置首页 » 新闻动态 » Geyer选择12.88493晶体或振荡器以及如何应用

Geyer选择12.88493晶体或振荡器以及如何应用

返回列表 来源:CEOB2B晶振平台 浏览:- 发布日期:2024-04-19 11:56:38【

Geyer选择12.88493晶体或振荡器以及如何应用

在设计新的电子电路时,设计工程师通常需要考虑石英晶体或振荡器是否是合适的选择:有多少空间可用?频率稳定性的要求是什么?组件和开发这部分电路的成本是多少?

少量-振荡器是合适的选择

通过使用晶体,设计工程师可以构建任何振荡电路。那么,为什么现成的振荡器即使在时钟生成等简单应用中也经常使用呢?显然,原因不仅在于所需的频率稳定性。安全的启动条件以及任何所需环境条件的可靠性也将发挥作用。此外,晶体的使用需要一定的努力来使电路适应晶体并确保电路的可靠启动性能。

因此,建议少量使用以节省设计成本并使用比晶体更昂贵的振荡器。通过使用振荡器,不需要像晶体那样的其他外部组件。这也可以节省PCB上的空间。石英晶体振荡器很容易获得,例如尺寸为7x5mm SMD或更小(图1)。微控制器的手册通常包含如何应用外部振荡器的信息。

通过晶体和分立元件构建自己的振荡电路对于更大的数量或如果不使用带有内部振荡器的IC,可能会变得经济。可以选择Pierce或Colpitts振荡器。此外,可以通过反相器电路的适当反馈来创建振荡器(图2)。

晶体在微控制器中的应用

大多数微控制器已经包含了时钟电路的基本组件。为了完成皮尔斯或科尔皮茨振荡器类型的电路,只需要一个晶体和其他外部无源元件。微控制器的应用手册描述了必要的细节。为了最大限度地减少任何寄生效应,从微控制器到晶体电路的所有连接都应尽可能短。

在40MHz及以上的频率下,使用泛音晶体。这些泛音晶体需要一个特殊的滤波电路来抑制基本模式。滤波电路由电容器和电感组成。如果省略滤波器,则电路以其基本模式振荡(例如:预期48MHz的第三泛音晶体,电路以16MHz振荡)。带有泛音晶体的振荡器电路应该非常谨慎地进行尺寸和测试。

Geyer选择12.88493晶体或振荡器以及如何应用

带外部晶体的皮尔斯振荡器(基本模式)

如果微控制器配备皮尔斯振荡器配置,晶体将连接到两个电容器,如图所示。3(C1和C2)。对于4MHz以上的频率,不需要额外的串联电阻器,因为适当的串联电阻器通常包括在微控制器的逆变器级内。此外,高欧姆电阻器集成在微控制器内,用于调节直流工作电压(图3中为1MΩ)。CS1和CS2包括微控制器的输入和输出电容以及由PCB上的导电路径贡献的其他电容。通过外部电容器C1和C2,整个电路电容适合于贴片晶振晶体CL的指定负载电容:

方程式1

示例:提供CL=16pF。假设CS1=CS2=12pF,外部电容器可以被评估为C1=15pF和C2=27pF。这些应被视为以下优化的初始值。为了提高电路的启动性能,C1小于C2。

如果频率与晶体的实际谐振频率匹配,则晶体电路处于最佳状态。晶体在其指定负载电容下的实际谐振频率可以在其测试记录中找到。

应在没有来自探头的任何反馈的情况下测量频率。这通常可以通过在微控制器的另一个端口处测量频率来实现。如果晶体被电容器过载,则频率小于所需频率(否则频率更大)。

皮尔斯振荡器的串联电阻器

如上所述,对于频率低于4MHz的皮尔斯振荡器配置的微控制器,可能需要外部串联电阻器。串联电阻器RV将有助于抑制不想要的泛音,并使内部振荡器适应由C1、C2和晶体组成的外部pi电路。串联电阻器RV可评估如下:RV与电容器C2串联,因此起到低通滤波器的作用(图2)。应提供C2的值。通过选择RV,截止频率fT应在基本模式频率和第三泛音之间(方程2和3)。

方程式23

Geyer选择12.88493晶体或振荡器以及如何应用

带外部晶体的Colpitts振荡器(基本模式)

如果微控制器提供Colpitts振荡器配置,则微控制器显示如图所示的电路。4.电容器C1和C2的选择如等式(1)所述。
示例:提供CL=16pF。假设CS1=CS2=10pF,外部电容器可以被评估为C1=C2=22pF。如上所述,应在没有任何探针反馈的情况下测量频率。

只有一个基本模式晶体输入的微控制器

有时,微控制器的手册只显示了晶体的一个输入。石英晶振晶体和电容器都接地,如图所示。5.微控制器制造商的意图是调整负载电容或确保晶体的直流绝缘(或两者)。
一个可行的解决方案是选择一个电容值,该电容值与晶体的指定负载电容大致相同(方程4)。
方程式4

示例:提供CL=16pF。用于优化的合适的初始值是C1=16pF。该值应分别通过无反馈频率测量进行检查和校正

应始终检查启动裕度

为了检查晶体是否能可靠地开始振荡,可以手动将电阻器串联焊接到晶体上。SMD电阻器最适合此测试。即使电阻值比晶体的最大规定谐振电阻高X倍,电路也应振荡。

晶体的最大指定谐振电阻可以在其数据表中找到。在整个要求的温度范围内,系数X应为3至5。对于特殊应用,更高的系数X是合适的。
示例:提供谐振电阻R1,最大值=100Ω。如果电路用于工业目的,即使手动焊接的测试电阻器的值为300Ω至500Ω,电路也应正常工作。

图片1

结论:
对于较小的数量,使用振荡器而不是晶体更经济。石英晶体振荡器易于应用并提供可靠的操作。对于更大的数量,并且仅用作简单的时钟发生器时,晶体比振荡器更合理。本文描述了如何评估所需的外部组件。此外,还提出了一种检查启动性能的简单方法。

照片1:SMD晶体振荡器,尺寸为7x5mm。
此类振荡器适用于1MHz至160MHz的有源晶振频率范围以及1,8V/2,5V/3,0V/3,3V和5V的电源电压。(GEYER Electronic)
照片1:SMD晶体振荡器,尺寸为7x5mm。
此类振荡器适用于1MHz至160MHz的频率范围以及1,8V/2,5V/3,0V/3,3V和5V的电源电压。(GEYER Electronic)
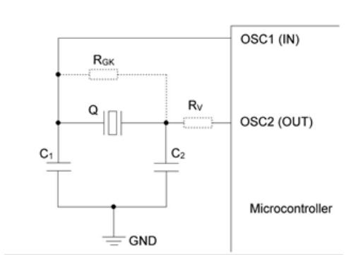
照片2:皮尔斯振荡电路与再生逆变器和一个基本模式石英晶体。RGK是一种用于调节直流工作电压的高欧姆电阻器。
RV是用于抑制泛音频率的串联电阻器。C1和C2用于将总电容负载调整为晶体的指定负载电容。RV、晶体、C1和C2提供相移。与(放大)反相器的180°相移一起,可以实现振荡的必要条件。

图片2

照片3:具有皮尔斯振荡器配置的微控制器的典型外部电路。

图片3

照片4:具有Colpitt振荡器配置的微控制器的典型外部电路。

图片4


照片5:例如,如果微控制器手册只显示了一个晶体的一个输入。

图片5


编码 晶振厂家 描述 型号 尺寸
12.85536 Geyer晶振 CYSTAL 40.0MHz 8PF SMD KX-5T 0.079" L x 0.063" W (2.00mm x 1.60mm)
12.86512 Geyer晶振 Cystal 20.0MHz 10pF SMD KX-6 0.098" L x 0.079" W (2.50mm x 2.00mm)
12.89126 Geyer晶振 Crystal 13.560MHz SMD KX-9AE 16p KX-9A 0.197" L x 0.126" W (5.00mm x 3.20mm)
12.8655 Geyer晶振 Crystal 16.0MHz 10pF SMD KX-6E 0.098" L x 0.079" W (2.50mm x 2.00mm)
12.86526 Geyer晶振 Cystal 26.0MHz 10pF SMD KX-6T 0.098" L x 0.079" W (2.50mm x 2.00mm)
12.6009 Geyer晶振 CRYSTAL 24.0MHz 12PF SMD KX-7T 0.126" L x 0.098" W (3.20mm x 2.50mm)
12.88701 Geyer晶振 Crystal 40.0MHz 12pF SMD KX-7T 0.126" L x 0.098" W (3.20mm x 2.50mm)
12.88493 Geyer晶振 Crystal 33.33MHz SMD KX-7T 12pF, KX-7T 0.126" L x 0.098" W (3.20mm x 2.50mm)
12.85521 Geyer晶振 CYSTAL 26.0MHz 10PF SMD KX-5T 0.079" L x 0.063" W (2.00mm x 1.60mm)
12.89078 Geyer晶振 Crystal 27.0MHz SMD KX-9AT 16pF KX-9AT 0.197" L x 0.126" W (5.00mm x 3.20mm)
12.86517 Geyer晶振 Cystal 24.0MHz 10pF SMD KX-6 0.098" L x 0.079" W (2.50mm x 2.00mm)
12.84812 Geyer晶振 Crystal 25.0MHz 8pF SMD KX-4 0.063" L x 0.047" W (1.60mm x 1.20mm)
12.88508 Geyer晶振 Crystal 24.0MHz 12pF SMD KX-7T 0.126" L x 0.098" W (3.20mm x 2.50mm)
12.88711 Geyer晶振 Crystal 25.0MHz SMD KX-7T 12pF, KX-7T 0.126" L x 0.098" W (3.20mm x 2.50mm)
12.85519 Geyer晶振 CYSTAL 20.0MHz 8PF SMD KX-5T 0.079" L x 0.063" W (2.00mm x 1.60mm)
12.89027 Geyer晶振 Crystal 25.0MHz SMD KX-9A 16pF KX-9A 0.197" L x 0.126" W (5.00mm x 3.20mm)
12.85539 Geyer晶振 CYSTAL 40.0MHz 8PF SMD KX-5T 0.079" L x 0.063" W (2.00mm x 1.60mm)
12.88721 Geyer晶振 Crystal 16.0MHz 12pF SMD KX-7T 0.276" L x 0.059" W (7.00mm x 1.50mm)
12.88667 Geyer晶振 Crystal 25.0MHz SMD KX-7 12pF, 4 KX-7 0.126" L x 0.098" W (3.20mm x 2.50mm)
12.85517 Geyer晶振 CYSTAL 54.0MHz 8PF SMD KX-5T 0.079" L x 0.063" W (2.00mm x 1.60mm)
12.89017 Geyer晶振 Crystal 13.560MHz SMD KX-9A 16pF KX-9A 0.197" L x 0.126" W (5.00mm x 3.20mm)
12.89082 Geyer晶振 Crystal 26.0MHz SMD KX-9AT 16pF KX-9AT 0.197" L x 0.126" W (5.00mm x 3.20mm)
12.60075 Geyer晶振 Cystal 30.0MHz 8pF SMD KX-7 0.126" L x 0.098" W (3.20mm x 2.50mm)