欢迎来到CEOB2B晶振平台

咨询热线:

0755-27839045

日产进口晶振 :
KDS晶振KDScrystal
爱普生晶振EPSONcrystal
NDK晶振NDKcrystal
京瓷晶振KyoceraCrystal
精工晶振SEIKOcrystal
西铁城晶振CITIZENcrystal
村田晶振MurataCrystal
大河晶振RiverCrystal
富士晶振FujicomCrystal
SMI晶振SMICrystal
NAKA晶振NAKACrystal
NJR晶振NJRCrystal
中国台产晶振 :
泰艺晶振TAITIENcrystal
TXC晶振TXCcrystal
鸿星晶振HOSONICcrystal
希华晶振SIWARDcrystal
加高晶振HELEcrystal
百利通亚陶晶振DiodesCrystal
嘉硕晶振TSTcrystal
津绽晶振NSKcrystal
玛居礼晶振MERCURYcrystal
应达利晶振Interquip Crystal
AKER晶振
NKG晶振NKGCrystal
欧美石英晶振 :
CTS晶振CTScrystal
微晶晶振Microcrystal
瑞康晶振RakonCrystal
康纳温菲尔德ConnorWinfield
高利奇晶振GolledgeCrystal
Jauch晶振JauchCrystal
AbraconCrystalAbraconCrystal
维管晶振VectronCrystal
ECScrystal晶振ECScrystal
日蚀晶振ECLIPTEKcrystal
拉隆晶振RaltronCrystal
格林雷晶振GreenrayCrystal
SiTimeCrystalSiTimeCrystal
IDTcrystal晶振IDTcrystal
Pletronics晶振PletronicsCrystal
StatekCrystalStatekCrystal
AEK晶振AEKCrystal
AEL晶振AELcrystal
Cardinal晶振Cardinalcrystal
Crystek晶振Crystekcrystal
Euroquartz晶振Euroquartzcrystal
福克斯晶振FOXcrystal
Frequency晶振Frequencycrystal
GEYER晶振GEYERcrystal
ILSI晶振ILSIcrystal
KVG晶振KVGcrystal
MMDCOMP晶振MMDCOMPcrystal
MtronPTI晶振MtronPTIcrystal
QANTEK晶振QANTEKcrystal
QuartzCom晶振QuartzComcrystal
QuartzChnik晶振QuartzChnikcrystal
SUNTSU晶振SUNTSUcrystal
Transko晶振Transkocrystal
WI2WI晶振WI2WIcrystal
韩国三呢晶振SUNNY Crystal
ITTI晶振ITTICrystal
Oscilent晶振OscilentCrystal
ACT晶振ACTCrystal
Lihom晶振LihomCrystal
Rubyquartz晶振RubyquartzCrystal
SHINSUNG晶振SHINSUNGCrystal
PDI晶振PDICrystal
MTI-milliren晶振MTImillirenCrystal
IQD晶振IQDCrystal
Microchip晶振MicrochipCrystal
Silicon晶振SiliconCrystal
富通晶振FortimingCrystal
科尔晶振CORECrystal
NIPPON晶振NIPPONCrystal
NIC晶振NICCrystal
QVS晶振QVSCrystal
Bomar晶振BomarCrystal
百利晶振BlileyCrystal
GED晶振GEDCrystal
菲特罗尼克斯晶振FiltroneticsCrystal
STD晶振STDCrystal
Q-Tech晶振Q-TechCrystal
安德森晶振AndersonCrystal
文泽尔晶振WenzelCrystal
耐尔晶振NELCrystal
EM晶振EMCrystal
彼得曼晶振PETERMANNCrystal
FCD-Tech晶振FCD-TechCrystal
HEC晶振HECCrystal
FMI晶振FMICrystal
麦克罗比特晶振MacrobizesCrystal
AXTAL晶振AXTALCrystal
ARGO晶振
Skyworks晶振
Renesas瑞萨晶振
Dynamic迪拉尼
有源晶振 :
石英晶体振荡器
温补晶振
压控晶振
VC-TCXO晶振
差分晶振
32.768K有源
恒温晶振
贴片晶振 :
5070晶振
6035晶振
5032晶振
3225晶振
2520晶振
2016晶振
1612晶振
1210晶振
8045晶振
32.768K晶振 :
10.4x4.0晶振
8.0x3.8晶振
7.1x3.3晶振
7.0x1.5晶振
5.0x1.8晶振
4.1x1.5晶振
3.2x1.5晶振
2.0x1.2晶振
1.6x1.0晶振
为你解决国内外知名品牌产品料号代码,查询对照

在线品牌会员

当前位置首页 » 新闻动态 » 恒温晶振电压参考端的作用及PCB板布线原则

恒温晶振电压参考端的作用及PCB板布线原则

返回列表 来源:CEOB2B晶振平台 浏览:- 发布日期:2018-04-07 09:10:13【

大家都知道有源晶振是一种本身自带有电压,不需要外部接电源的高级频率控制元件,恒温晶振是更高端的石英晶体振荡器,具有可使温度恒定的功能,一般用于对技术有高要求的航天、军事、工业、通信、网络、无线等领域。电压参考端和布置PCB板线路,是OCXO恒温晶振比较重要的两大技术要求。

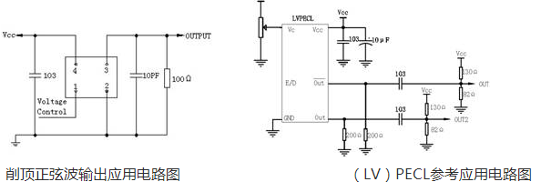
通常时钟板上需要一个高精密的电压基准,解决的办法可以在时钟设计上增加一个高精密的电压基准芯片,但这样会带来时钟成本的上升。另外的解决办法可以从恒温晶振的电压参考端获得电压基准。由于OCXO通常是将电压基准放置在温度最恒定的地方,而且OCXO的恒温槽的控温精度通常为0.1℃,这样无形进一步减小了电压基准对温度变化的敏感程度。所以推荐采取OCXO电压参考端作为时钟的电压基准。

需要注意的是OCXO电压参考端的负载电流应该小于1mA。

压控纹波是否会影响晶振的稳定性

如果晶振压控电压发生改变,晶振的频率必然也随之变化。当干扰信号过大时会带来晶振抖动或相噪恶化,甚至发生频率改变。通常在晶振内部压控端设计了频响大于2KHZ的低通滤波环/回路以减小压控端外来纹波的干扰。如晶振工作环境存在较强外部干扰时,也可以在压控端外部增加低通滤波器。

晶振供电源系统设计应该注意哪些事项?

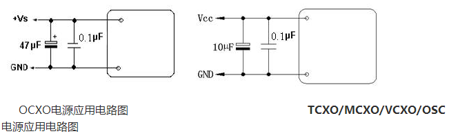
在晶振的电源输入端跨接一个10~100uF的钽电容或陶瓷电容,供电电压越低或供电PCB走线越细,电容的容值应相应增大以降低将纹波干扰。除此之外,在石英晶体振荡器的电源输入端还应该跨接一个0.01uF的陶瓷去耦电容,推荐采取”同层相连”的方法,切不可通过过孔在电源层和地线层相连。

对于恒温晶体振荡器还应该注意供电系统的功率需大于OCXO的启动功率并有一定的余量。

OCXODL1

OCXODL2

OCXODL3

从PCB布线上考虑,基本原则如下:

输入线和输出线避免相邻平行,以免产生反射干扰。

多考虑电源和地线产生的噪音干扰:加去耦电容;加宽电源和地线。线宽符合地线>电源线>信号线规则,并采用大面积铜层做地线。

考虑信号串扰,远离地线,移开串扰信号或屏蔽被干扰的信号。

尽量保证地层的完整性。

从布局上考虑

晶振尽量焊在PCB上,少用插座方式。

高频信号线尽可能远离敏感的模拟电路器件。

数字地与模拟地由一点短接或通过外界接口相连(如插座)。

晶振在设备放置在什么位置最好?

由于影响恒温石英晶体振荡器短期稳定性的主要因素是温度变化,在设计通盘布局的考虑下,尽量避免将晶振靠近机箱外壳或靠近温变较大的部件如风扇,还应该远离大功率射频器件如射频功放。在振动或存在加速度变化的环境下,还应该考虑晶振的受力,确保应力分布均匀,并采取有效缓冲等减振措施。

电源纹波是否会对晶振产生影响?

通常,OCXO晶振对电源的纹波和噪声的要求,小于输出电压的1%,由于晶振内部有高精密电压基准,其纹波抑制、负载调整率都非常优良,精度可以达到3ppm/℃。电源系统1%以内的纹波对晶振的干扰可以忽略。

推荐阅读

    【本文标签】:恒温晶振电压参数端的作用 OCXO晶振PCB板布线原则
    【责任编辑】:CEOB2B晶振平台版权所有:http://www.jingzhen95.com转载请注明出处