欢迎来到CEOB2B晶振平台

咨询热线:

0755-27839045

日产进口晶振 :
KDS晶振KDScrystal
爱普生晶振EPSONcrystal
NDK晶振NDKcrystal
京瓷晶振KyoceraCrystal
精工晶振SEIKOcrystal
西铁城晶振CITIZENcrystal
村田晶振MurataCrystal
大河晶振RiverCrystal
富士晶振FujicomCrystal
SMI晶振SMICrystal
NAKA晶振NAKACrystal
NJR晶振NJRCrystal
中国台产晶振 :
泰艺晶振TAITIENcrystal
TXC晶振TXCcrystal
鸿星晶振HOSONICcrystal
希华晶振SIWARDcrystal
加高晶振HELEcrystal
百利通亚陶晶振DiodesCrystal
嘉硕晶振TSTcrystal
津绽晶振NSKcrystal
玛居礼晶振MERCURYcrystal
应达利晶振Interquip Crystal
AKER晶振
NKG晶振NKGCrystal
欧美石英晶振 :
CTS晶振CTScrystal
微晶晶振Microcrystal
瑞康晶振RakonCrystal
康纳温菲尔德ConnorWinfield
高利奇晶振GolledgeCrystal
Jauch晶振JauchCrystal
AbraconCrystalAbraconCrystal
维管晶振VectronCrystal
ECScrystal晶振ECScrystal
日蚀晶振ECLIPTEKcrystal
拉隆晶振RaltronCrystal
格林雷晶振GreenrayCrystal
SiTimeCrystalSiTimeCrystal
IDTcrystal晶振IDTcrystal
Pletronics晶振PletronicsCrystal
StatekCrystalStatekCrystal
AEK晶振AEKCrystal
AEL晶振AELcrystal
Cardinal晶振Cardinalcrystal
Crystek晶振Crystekcrystal
Euroquartz晶振Euroquartzcrystal
福克斯晶振FOXcrystal
Frequency晶振Frequencycrystal
GEYER晶振GEYERcrystal
ILSI晶振ILSIcrystal
KVG晶振KVGcrystal
MMDCOMP晶振MMDCOMPcrystal
MtronPTI晶振MtronPTIcrystal
QANTEK晶振QANTEKcrystal
QuartzCom晶振QuartzComcrystal
QuartzChnik晶振QuartzChnikcrystal
SUNTSU晶振SUNTSUcrystal
Transko晶振Transkocrystal
WI2WI晶振WI2WIcrystal
韩国三呢晶振SUNNY Crystal
ITTI晶振ITTICrystal
Oscilent晶振OscilentCrystal
ACT晶振ACTCrystal
Lihom晶振LihomCrystal
Rubyquartz晶振RubyquartzCrystal
SHINSUNG晶振SHINSUNGCrystal
PDI晶振PDICrystal
MTI-milliren晶振MTImillirenCrystal
IQD晶振IQDCrystal
Microchip晶振MicrochipCrystal
Silicon晶振SiliconCrystal
富通晶振FortimingCrystal
科尔晶振CORECrystal
NIPPON晶振NIPPONCrystal
NIC晶振NICCrystal
QVS晶振QVSCrystal
Bomar晶振BomarCrystal
百利晶振BlileyCrystal
GED晶振GEDCrystal
菲特罗尼克斯晶振FiltroneticsCrystal
STD晶振STDCrystal
Q-Tech晶振Q-TechCrystal
安德森晶振AndersonCrystal
文泽尔晶振WenzelCrystal
耐尔晶振NELCrystal
EM晶振EMCrystal
彼得曼晶振PETERMANNCrystal
FCD-Tech晶振FCD-TechCrystal
HEC晶振HECCrystal
FMI晶振FMICrystal
麦克罗比特晶振MacrobizesCrystal
AXTAL晶振AXTALCrystal
ARGO晶振
Skyworks晶振
Renesas瑞萨晶振
Dynamic迪拉尼
有源晶振 :
石英晶体振荡器
温补晶振
压控晶振
VC-TCXO晶振
差分晶振
32.768K有源
恒温晶振
贴片晶振 :
5070晶振
6035晶振
5032晶振
3225晶振
2520晶振
2016晶振
1612晶振
1210晶振
8045晶振
32.768K晶振 :
10.4x4.0晶振
8.0x3.8晶振
7.1x3.3晶振
7.0x1.5晶振
5.0x1.8晶振
4.1x1.5晶振
3.2x1.5晶振
2.0x1.2晶振
1.6x1.0晶振
行业免费论坛广告

在线品牌会员

当前位置首页 » 关于我们 » 精密的电路系统是为了让晶振等元器件更加接近工作理想状态?

精密的电路系统是为了让晶振等元器件更加接近工作理想状态?

返回列表 来源:CEOB2B晶振平台 浏览:- 发布日期:2017-12-27 10:03:50【

尽管现代科学早以无与伦比的文明发达,但这些现代科学发明的灵感却大多来自于自然,或是自然的衍生物,所以这些科学我们又称之为自然科学。自然科学是研究无机自然界和包括人的生物属性在内的有机自然界的各门科学的总称。自然科学是研究大自然中有机或无机的事物和现象的科学,包括天文学、物理学、化学、地球科学、生物学等和地理学。其认识的对象是整个自然界,即自然界物质的各种类型、状态、属性及运动形式。认识的任务在于揭示自然界发生的现象以及自然现象发生过程的实质,进而把握这些现象和过程的规律性,以便解读它们,并预见新的现象和过程,为在社会实践中合理而有目的地利用自然界的规律开辟各种可能的途径。自然科学的最重要的两个支柱是观察和逻辑推理。由对自然的观察和逻辑推理自然科学可以引导出大自然中的规律。

人类不断地通过自然观察发现并掌握自然的某些规律定律,并将它们运用到生活实践中促进社会文明发展。在自然科学的观察与发现中理想状态这一假设条件是必不可少的,因为整个自然环境存在着太多的意外状况,谁也无法将它们逐一说个明白,因此科学家们将那些外在影响力无限小到忽略不计,这样的做法我们就称它为理想状态下。理想状态是自然科学里表示理论上可以达到而实际上因为种种原因不能达到的状态。

QQ截图20171227101031

正是这个科学的理想状态我们现在所用的电子产品上才会出现额定这个词语,就是智能手机的说明书中也不例外,额定、最小值、最大值这三个词语必然存在。当然这些词语实际针对的是手机内部的电路板及各个电子元器件,当电路板的外在条件脱离说明书上所说参数时,那么这个电路板中的各个电子元器件将不再正常工作有些甚至直接损坏。所以虽然我们常说石英晶振、陶瓷晶振、声表面谐振器这些电子元器件如何如何的神奇强大,但我们在设计它们的电路模板时却更需要小心谨慎精密。

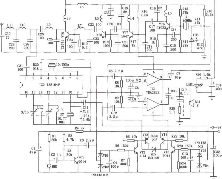
在大型工厂里无线呼叫系统是必不可少的东西,当生产一线人员遇到紧急情况需用求救时,可启动无线呼叫系统工作。接收机收到呼叫信号后,经接收装置一系列电路放大处理,输出控制信号,驱动数码显示器工作,显示呼叫区域,同时用语音报警器提醒值班人员,从而可以减少不必要的伤亡。该系统采用模块电路设计,具有抗震动、免调试、数字显示、语音提示、工作可靠之特点,作用距离1000m,可用于矿山工程、电力控制设备、安防系统、工业数据采集等领域。

电路结构与工作原理

无线呼叫系统由语音无线发射/接收模块、数据无线发射/接收模块、数字编/译码双功能集成电路等元器件组成。

QQ截图20171227101256

上图为无线呼叫系统发射电路,IC1UM758-108A)是数字编/译码双功能集成电路,工作电压为3~12V,10 位(A1~A10)三态编码地址和8 位(D1~D8)锁存式并行数据输入/输出端,可方便实现多址、多路数字信息传递或控制,可与有线载波及无线、红外线等各种载体配接使用,实现远距离传输及控制[3~7].地址A1~A10端可按低电平0,高电平1 或开路三种状态接线,共310=59049种不重复的编码。数据D1~D8端可按低电平0 或高电平1 两种状态接线,作为两组4 BCD 码使用。当S1没有被按下时,IC3TX3310)的1 脚(DATA)没有数据的输入而处于静态,由IC2NE555)构成的延时电路由于2 脚(TR)没有低电平触发信号的输入而处于稳态,IC23 脚(OUT)输出低电平,晶体管Q19013)截止,IC4TX803)不工作。当工作人员的需要帮助按下S1时,IC3按照已编好的地址、数据码向外发射呼叫信号,由于IC22 脚受低电平的触发而使3 脚由低电平翻转为高电平,Q1饱和导通,IC4通电工作,此时工作人员只需对着话筒讲话,便可将语音信号传送到值班室。

一款模组上可用到多款压电元件组成无线传输系统的核心部件是无线收发模块,它包括发射模块和接收模块两部分。发射模块TX3310使用最先进的声表面滤波器件稳频,频率稳定度达10-5 量级,工作频率315MHz,它的外形尺寸小,工作稳定性达到了工业级水平,可用来传输低频的数字编码信号。接收模块RX3310,内部含有一整套超外差晶振接收和数据处理电路,具有频率稳定,抗干扰性好的特点,用来接收发射模块发来的无线遥控信号。系统使用了数字编/译码双功能集成电路UM3758-108A,保证了工作的可靠性。

QQ截图20171227101447

如图2 所示为无线呼叫系统接收电路。主要由数据无线接收模块IC5RX3310)、语音无线接收模块IC10TX803)、数字编/译码双功能集成电路IC6UM3758-108A)、延时电路IC9NE555)、LED 数码管驱动电路及显示电路等组成。

编码数据信号经接收天线接收,经过IC5RX3310)和IC6UM3758-108A)电路处理,其输出控制数码显示电路和语音延时电路,IC7CD4511)和IC8CD4511)为LED 数码管专用译码芯片,当输入信号为BCD 码时,共阴极LED 数码管分别显示其对应的十进制0~9 字型[8~9]

在数码管显示出呼叫分机编号的同时,IC9 NE555)的3 脚(OUT)输出高电平,晶体管Q39013)饱和导通,无线语音接收模块IC10TX803)通电工作,扬声器发出工作人员的语音呼叫信息,使值班人员及时了解紧急呼叫的现场情况。

由于该系统采用了无线电接收和发射技术、数字编码技术,实现了一台接收主机可以设置数台呼叫分机,可同时监视多个工作地点。该系统不但抗干扰能力强,而且还具有较远的传输距离。非常适合矿山工程、电力控制设备、安防系统、工业数据采集等领域使用。该产品同时还应用楼宇对讲,对讲机系统(MC-156),无线遥控器,控制面板等具有显著的效果。

系统工作电源为5V,采用可充蓄电池作为备用电源,自动充电和转换,以保证交流电停电时系统仍能正常工作。

QQ截图20171111104805

电路(电子线路)是由电气设备和元器件按一定方式联接起来,为电流流通提供了路径的总体,也叫电子网路。电路的大小可以相差很大,小到硅片上的集成电路,大到输电网。电路(英文:Electrical circuit)或称电子回路,是由电气设备和元器件,按一定方式联接起来,为电荷流通提供了路径的总体,也叫电子线路或称电气回路,简称网络或回路。如电阻、电容、电感、二极管、三极管和开关等,构成的网络。电路设计,就是指按照一定规则,使用特定方法设计出符合使用要求的电路系统。

推荐阅读

    【本文标签】: 晶振电路设计 晶体电路系统
    【责任编辑】:CEOB2B晶振平台版权所有:http://www.jingzhen95.com转载请注明出处