欢迎来到CEOB2B晶振平台

咨询热线:

0755-27839045

日产进口晶振 :
KDS晶振KDScrystal
爱普生晶振EPSONcrystal
NDK晶振NDKcrystal
京瓷晶振KyoceraCrystal
精工晶振SEIKOcrystal
西铁城晶振CITIZENcrystal
村田晶振MurataCrystal
大河晶振RiverCrystal
富士晶振FujicomCrystal
SMI晶振SMICrystal
NAKA晶振NAKACrystal
NJR晶振NJRCrystal
中国台产晶振 :
泰艺晶振TAITIENcrystal
TXC晶振TXCcrystal
鸿星晶振HOSONICcrystal
希华晶振SIWARDcrystal
加高晶振HELEcrystal
百利通亚陶晶振DiodesCrystal
嘉硕晶振TSTcrystal
津绽晶振NSKcrystal
玛居礼晶振MERCURYcrystal
应达利晶振Interquip Crystal
AKER晶振
NKG晶振NKGCrystal
欧美石英晶振 :
CTS晶振CTScrystal
微晶晶振Microcrystal
瑞康晶振RakonCrystal
康纳温菲尔德ConnorWinfield
高利奇晶振GolledgeCrystal
Jauch晶振JauchCrystal
AbraconCrystalAbraconCrystal
维管晶振VectronCrystal
ECScrystal晶振ECScrystal
日蚀晶振ECLIPTEKcrystal
拉隆晶振RaltronCrystal
格林雷晶振GreenrayCrystal
SiTimeCrystalSiTimeCrystal
IDTcrystal晶振IDTcrystal
Pletronics晶振PletronicsCrystal
StatekCrystalStatekCrystal
AEK晶振AEKCrystal
AEL晶振AELcrystal
Cardinal晶振Cardinalcrystal
Crystek晶振Crystekcrystal
Euroquartz晶振Euroquartzcrystal
福克斯晶振FOXcrystal
Frequency晶振Frequencycrystal
GEYER晶振GEYERcrystal
ILSI晶振ILSIcrystal
KVG晶振KVGcrystal
MMDCOMP晶振MMDCOMPcrystal
MtronPTI晶振MtronPTIcrystal
QANTEK晶振QANTEKcrystal
QuartzCom晶振QuartzComcrystal
QuartzChnik晶振QuartzChnikcrystal
SUNTSU晶振SUNTSUcrystal
Transko晶振Transkocrystal
WI2WI晶振WI2WIcrystal
韩国三呢晶振SUNNY Crystal
ITTI晶振ITTICrystal
Oscilent晶振OscilentCrystal
ACT晶振ACTCrystal
Lihom晶振LihomCrystal
Rubyquartz晶振RubyquartzCrystal
SHINSUNG晶振SHINSUNGCrystal
PDI晶振PDICrystal
MTI-milliren晶振MTImillirenCrystal
IQD晶振IQDCrystal
Microchip晶振MicrochipCrystal
Silicon晶振SiliconCrystal
富通晶振FortimingCrystal
科尔晶振CORECrystal
NIPPON晶振NIPPONCrystal
NIC晶振NICCrystal
QVS晶振QVSCrystal
Bomar晶振BomarCrystal
百利晶振BlileyCrystal
GED晶振GEDCrystal
菲特罗尼克斯晶振FiltroneticsCrystal
STD晶振STDCrystal
Q-Tech晶振Q-TechCrystal
安德森晶振AndersonCrystal
文泽尔晶振WenzelCrystal
耐尔晶振NELCrystal
EM晶振EMCrystal
彼得曼晶振PETERMANNCrystal
FCD-Tech晶振FCD-TechCrystal
HEC晶振HECCrystal
FMI晶振FMICrystal
麦克罗比特晶振MacrobizesCrystal
AXTAL晶振AXTALCrystal
ARGO晶振
Skyworks晶振
Renesas瑞萨晶振
Dynamic迪拉尼
有源晶振 :
石英晶体振荡器
温补晶振
压控晶振
VC-TCXO晶振
差分晶振
32.768K有源
恒温晶振
贴片晶振 :
5070晶振
6035晶振
5032晶振
3225晶振
2520晶振
2016晶振
1612晶振
1210晶振
8045晶振
32.768K晶振 :
10.4x4.0晶振
8.0x3.8晶振
7.1x3.3晶振
7.0x1.5晶振
5.0x1.8晶振
4.1x1.5晶振
3.2x1.5晶振
2.0x1.2晶振
1.6x1.0晶振
行业免费论坛广告

在线品牌会员

当前位置首页 » 关于我们 » 石英晶体振荡器的振荡电路是集电极交流接地的考毕兹振荡电路

石英晶体振荡器的振荡电路是集电极交流接地的考毕兹振荡电路

返回列表 来源:CEOB2B晶振平台 浏览:- 发布日期:2018-01-30 10:23:14【

石英晶体作为滤波、振荡元件已广泛应用在广播通讯、电子测量、航空、航天等方面.其发展历史只有短短几十年,美国是发展石英晶体最早的国家.最近一、二十年来,由于PCS、GSM、GPS、PDC、CDMA等诸多移动通讯技术的需求,石英晶体振荡器中的石英晶体谐振器不再是单一元件,它已发展成为组件,而且几乎全部以集成化、全集成化、全数字化形式展现出来,体积比过去缩小了数倍乃至数十倍.

石英晶体振荡器由晶体振荡电路和输出电路两部分构成.石英晶体振荡器电路分为并联晶体振荡电路和串联晶体振荡电路,常用并联晶体振荡电路.晶体工作在串联谐振频率ωS和并联谐振频率ωP之间,即呈现感抗.而振荡性能的优劣由晶体的品质、切割取向、振子结构及振荡电路共同决定.图1为AT切割和SC切割的频率温度特性曲线.可以看出,SC切割有高的静态和动态f-t稳定性、良好的老化率和相位噪声,但缺点是频率牵引灵敏度低、成本高.

t1

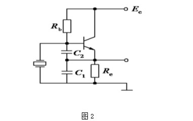
最常用的振荡电路是集电极交流接地的考毕兹振荡电路(如图2所示).此电路的优点是电路简单、可靠、稳定.

t2

输出电路的作用是对振荡获得的正弦信号进行缓冲、放大、整形,得到图3所示的标准输出电平,驱动负载或后级门电路.这里,还经常用到逻辑电平转换电路和分频、倍频电路.

t3

其输出正弦波电平用Vp-p、VRMS或dBm表示,dBm的计算式为:

)1log(10mWPdBm?必要时,还须注明谐波抑制比.方波或矩形波输出电平应注明TTL、CMOS、HCMOS还是ECL、直流分量值,并且表示出占空比、上升时间、下降时间等其它相应参数.

标准输出负载为50Ω、1kΩ、10kΩ∥10pF或用驱动几个门电路表示,如驱动2个门,5个门电路. 

石英晶体振荡器的噪声系数有特殊要求时,则应严格设计振荡、放大电路及电源.譬如主振选用低噪声管、低噪声压控电压并使振荡在低电压工作,各级电路必须匹配以保证无反射、辐射.

CEOB2B晶振平台提供丰富的石英贴片晶振资料下载,收集了海内外进口晶振品牌的原厂代码,关于晶振应用的技术资料,这里只有你想不到的,没有你找不到的,关于晶振的任何信息欢迎登入CEO晶振平台查看了解.

推荐阅读

    【本文标签】:石英晶体振荡器电路
    【责任编辑】:CEOB2B晶振平台版权所有:http://www.jingzhen95.com转载请注明出处