频率:13.7~166MHZ
尺寸:7.0*5.0mm
有源晶振,是只石英晶体本身起振需要外部电压供应,起振后可直接驱动CMOS 集成电路,产品本身已实现与薄型IC(TSSOP封装,TVSOP封装)同样的1mm厚度,断开时的消费电流是15 µA以下,编带包装方式可对应自动搭载及IR回流焊盘(无铅对应)产品有几种电压供选1.8V,2.5V,3V3.3V,5V,以应对不同IC产品需要.
Cardinal晶振,有源晶振,CC85晶振,金属面SMD晶振,石英晶振的切型。采用高速线切割技术:1.优化及严格规范线切割机各项设备参数;2.通过试验精选所使用的各类线切割料,如:磨料、线切割线、槽轮等;3.确认最优的石英晶振切割工艺参数。通过以上方法使切割出的贴片晶振晶片在厚度一致性、平行度、表面粗糙度上都超越其它切割方式,提高了石英晶振晶片的精度,提高了生产效率。
7050mm体积的石英晶体振荡器,有源晶振,该产品可驱动2.5V的温补晶振,压控晶振,VC-TCXO晶体振荡器产品,电源电压的低电耗型,编带包装方式,可对应自动高速贴片机自动焊盘,及IR回流焊盘(无铅对应),为无铅产品,小型,质地轻.产品被广泛应用到集成电路,程控交换系统,无线发射基站.
此次收购的联合产品将大大增强我们的可编程振荡器功能,并使我们能够提供更广泛的5070晶振产品。我们将继续提供Cardinal Components产品系列。业务将像往常一样继续使用相同的通信渠道。然而,最终的计划,后勤和会计活动将重新部署在美国弗吉尼亚州夏洛特维尔的泰坦美国子公司Isotemp。
|
项目 |
符号 |
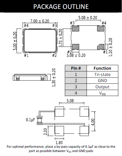
CC85晶振(HCMOS) |
条件 |
|
输出频率范围 |
f0 |
13.7KHZ~166MHZ |
请联系我们以便获取其它可用频率的相关信息 |
|
电源电压 |
VCC |
+4.5,5.0,5.5V |
请联系我们以了解更多相关信息 |
|
储存温度 |
T_stg |
-55℃- +125℃ |
裸存 |
|
工作温度 |
T_use |
|
请联系我们查看更多资料
|
|
S: -10℃- +85℃ |
|||
|
|
|||
|
频率稳定度 |
f_tol |
J: ±50× 10-6 |
|
|
±100× 10-6 |
|||
|
J: ±25× 10-6 |
|||
|
功耗 |
ICC |
2 mA Max. |
无负载条件、最大工作频率 |
|
待机电流 |
I_std |
10μA Max. |
ST=GND |
|
占空比 |
SYM |
45 % to 55 % |
50 % VCC 极, L_CMOS≦15 pF |
|
输出电压 |
VOH |
-0.5V Min. |
|
|
VOL |
+7.0V Max. |
|
|
|
输出负载条件 |
L_CMOS |
15 pF Max. |
|
|
输入电压 |
VIH |
+2.5% VCC Max. |
ST 终端 |
|
VIL |
+3.3% VCC Max. |
||
|
上升/下降时间 |
tr / tf |
4 ns Max. |
20 % VCC to 80 % VCC 极, L_CMOS=15 pF |
|
振荡启动时间 |
t_str |
3 ms Max. |
t=0 at 90 % |
|
频率老化 |
f_aging |
±1 × 10-6 / year Max. |
+25 ℃, 初年度,第一年 |
CardinalOSC石英晶体振荡器型号:
有源晶振的负载电容与阻抗L:负载电容与阻抗高可靠性晶振设置一个规定的负载阻抗值。当一个值除了规定的一个设置为负载阻抗输出频率和输出电平不会满足时,指定的值这可能会导致问题例如:失真的输出波形。特别是设置电抗,根据规范的负载阻抗。输出频率和输出电平,当测量输出频率或输出水平,晶体振荡器调整的输入阻抗,测量仪器的负载阻抗晶体振荡器。当输入阻抗的测量仪器,不同的负载阻抗的晶体振荡器,测量输出频率或输出水平高,阻抗阻抗测量可以忽略。Cardinal晶振,有源晶振,CC85晶振,金属面SMD晶振
所有产品的共同点:1:抗冲击:抗冲击是指高精度晶振产品可能会在某些条件下受到损坏。例如从桌上跌落,摔打,高空抛压或在贴装过程中受到冲击。如果产品已受过冲击请勿使用。因为无论何种石英晶振,其内部晶片都是石英晶振制作而成的,高空跌落摔打都会给晶振照成不良影响。2:辐射:将贴片晶振暴露于辐射环境会导致产品性能受到损害,因此应避免阳光长时间的照射。
3:化学制剂 / pH值环境:请勿在PH值范围可能导致腐蚀或溶解石英晶振或包装材料的环境下使用或储藏这些产品。4:粘合剂:请勿使用可能导致石英晶振所用的封装材料,终端,组件,玻璃材料以及气相沉积材料等受到腐蚀的胶粘剂。(比如,氯基胶粘剂可能腐蚀一个晶振的金属“盖”,从而破坏密封质量,降低性能。)
Cardinal晶振公司严格遵守国家有关工程建设法律、法规,不断提高四脚贴片晶振的质量意识和能力,履行合约、信守承诺,坚持开拓创新,不断提升企业的施工技术素质和质量管理水平,以科学学严密的施工管理和真诚的服务让业主高度满意。Cardinal晶振,有源晶振,CC85晶振,金属面SMD晶振
Cardinal晶振本于‘善尽企业责任、降低SPXO晶体振荡器环境冲击、提升员工健康’的理念,执行各项环境及职业安全卫生管理工作;落实公司环安卫政策要求使环境暨安全卫生管理成效日益显著,不仅符合国内环保、劳安法令要求,同时也能达到国际环保、安全卫生标准.2003年通过ISO14001环境管理系统验证,秉持“污染预防、持续改善”之原则。
Cardinal晶振公司自觉遵守有关环境法律、法规,培养员工的环保意识和能力,持续改进汽车级有源晶振环保绩效,优先使用环保型材料、设备及施工工艺,做到污染预防,最终创建具有环保、节能、适宜性特征的优质工程。
服务热线:0755-27839045
Q Q联系:262320519
邮箱:szceob2b@163.com

频率:6~125MHZ
尺寸:7.0*5.0mm
小型贴片石英晶振,外观尺寸具有薄型表面贴片型石英晶体谐振器,特别适用于有小型化要求的市场领域,比如智能手机,无线蓝牙,平板电脑等电子数码产品.晶振本身小型,薄型,重量轻,晶体具有优良的耐环境特性,如耐热性,耐冲击性,在办公自动化,家电相关电器领域及Bluetooth,Wireless LAN等短距离无线通信领域可发挥优良的电气特性,满足无铅焊接的回流温度曲线要求.

频率:10~27MHZ
尺寸:7.0*5.0mm
小型高精度晶振,体积的变小也使产品带来了更高的稳定性能,接缝密封石英晶体振荡器,精度高,覆盖频率范围宽的特点,贴片高速自动安装和高温回流焊设计,Optionable待机输出三态输出功能,电源电压范围:1.8V?5V,高稳定性,低抖动,低功耗,主要应用领域:无线通讯,智能手机,平板笔记本WLAN,蓝牙,数码相机,DSL和各式IT产品的晶振应用,三态功能,PC和LCDM等数码领域,符合RoHS/无铅.

频率:1~170MHZ
尺寸:7.0*5.0mm
7050mm体积的Oscillator Crystal,有源晶振,该产品可驱动2.5V的温补晶振,压控晶振,VC-TCXO晶体振荡器产品,电源电压的低电耗型,编带包装方式,可对应自动高速贴片机自动焊盘,及IR回流焊盘(无铅对应),为无铅产品,小型,质地轻.产品被广泛应用到集成电路,程控交换系统,无线发射基站.