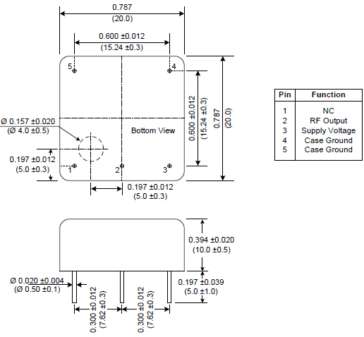
频率:10~25MHZ
尺寸:20*20mm
引脚焊接型石英晶体元件.工厂仓库长时间大量库存常用频点,高精度的频率和有源晶振本身更低的等效串联电阻,常用负载电容.插件石英晶振,因插件型晶体成本更低和更高的批量生产能力,主要应用于电视,机顶盒,LCDM和游戏机家用常规电器数码产品等的俱佳选择.符合RoHS/无铅.
石英晶振多层、多金属的溅射镀膜技术:是目前研发及生产高精度、高稳定性石英晶体元器件——石英晶振必须攻克的关键技术之一。石英晶振该选用何镀材、镀几种材料、几种镀材的镀膜顺序,镀膜的工艺方法(如各镀材的功率设计等)。使用此镀膜方法使镀膜后的晶振附着力增强,贴片晶振频率更加集中,能控制在最小ppm之内。
Crystek晶振,温补晶振,CXOH20晶振,TCXO晶振,有源晶振,是只晶体本身起振需要外部电压供应,起振后可直接驱动CMOS 集成电路,产品本身已实现与薄型IC(TSSOP封装,TVSOP封装)同样的1mm厚度,断开时的消费电流是15 µA以下,编带包装方式可对应自动搭载及IR回流焊盘(无铅对应)产品有几种电压供选1.8V,2.5V,3V3.3V,5V,以应对不同IC产品需要.
CrystekCorporation®自1958年以来一直提供频率产品,包括石英晶体,XO(时钟振荡器),TCXO(温度补偿晶体振荡器),VCO(压控振荡器)和VCXO(压控晶体振荡器)Crystek经营两个专门用于频率控制的部门。Crystek晶体致力于开发和制造使用石英晶振的频率产品。Crystek Microwave为微波行业开发频率控制和支持产品。其他产品包括:PLL(锁相环)合成器,RedBox VCO,RF同轴电缆组件,射频电缆连接器,批量射频同轴电缆,RF功率检测器,滤波器,衰减器,直流模块,无源倍增器,RFPRO(袖珍参考振荡器),基于SAW的时钟振荡器和VCSO以及功率调节器。
|
项目 |
符号 |
CXOH20晶振(HCOMS) |
条件 |
|
输出频率范围 |
f0 |
10~25MHZ |
请联系我们以便获取其它可用频率的相关信息 |
|
电源电压 |
VCC |
+5.0V |
请联系我们以了解更多相关信息 |
|
储存温度 |
T_stg |
-45℃- +90℃ |
裸存 |
|
工作温度 |
T_use |
-0℃- +70℃ |
请联系我们查看更多资料
|
|
-40℃- +85℃ |
|||
|
-20℃- +70℃ |
|||
|
频率稳定度 |
f_tol |
J: ±3× 10-6 |
|
|
|
|||
|
|
|||
|
功耗 |
ICC |
2 mA Max. |
无负载条件、最大工作频率 |
|
待机电流 |
I_std |
10μA Max. |
ST=GND |
|
占空比 |
SYM |
45 % to 55 % |
50 % VCC 极, L_CMOS≦15 pF |
|
输出电压 |
VOH |
-0.5V Min. |
|
|
VOL |
+7.0V Max. |
|
|
|
输出负载条件 |
L_CMOS |
15 pF Max. |
|
|
输入电压 |
VIH |
+2.5% VCC Max. |
ST 终端 |
|
VIL |
+3.3% VCC Max. |
||
|
上升/下降时间 |
tr / tf |
4 ns Max. |
20 % VCC to 80 % VCC 极, L_CMOS=15 pF |
|
振荡启动时间 |
t_str |
3 ms Max. |
t=0 at 90 % |
|
频率老化 |
f_aging |
±3× 10-6 / year Max. |
+25 ℃, 初年度,第一年 |
Crystek温补晶体振荡器型号:
存储事项:(1) 在更高或更低温度或高湿度环境下长时间保存进口石英晶振时,会影响频率稳定性或焊接性。请在正常温度和湿度环境下保存这些石英晶振产品,并在开封后尽可能进行安装,以免长期储藏。 正常温度和湿度: 温度:+15°C 至 +35°C,湿度 25 % RH 至 85 % RH。 (2) 请仔细处理内外盒与卷带。外部压力会导致卷带受到损坏。Crystek晶振,温补晶振,CXOH20晶振,TCXO晶振
耐焊性:将四脚插件晶振加热包装材料至+150°C以上会破坏产品特性或损害产品。如需在+150°C以上焊接石英晶振,建议使用SMD晶振产品。在下列回流条件下,对石英晶振产品甚至SMD贴片晶振使用更高温度,会破坏晶振特性。建议使用下列配置情况的回流条件。安装这些贴片晶振之前,应检查焊接温度和时间。同时,在安装条件更改的情况下,请再次进行检查。如果需要焊接的晶振产品在下列配置条件下进行焊接,请联系我们以获取耐热的相关信息。
石英晶振自动安装和真空化引发的冲击会破坏产品特性并影响这些产品。请设置安装条件以尽可能将冲击降至最低,并确保在安装前未对晶振特性产生影响。条件改变时,请重新检查安装条件。同时,在安装前后,请确保石英插件晶振产品未撞击机器或其他电路板等。
Crystek晶振公司严格遵守国家有关工程建设法律、法规,不断提高美国DIP石英晶振的质量意识和能力,履行合约、信守承诺,坚持开拓创新,不断提升企业的施工技术素质和质量管理水平,以科学学严密的施工管理和真诚的服务让业主高度满意。Crystek晶振,温补晶振,CXOH20晶振,TCXO晶振
Crystek晶振本于‘善尽企业责任、降低金属外壳封装振荡器环境冲击、提升员工健康’的理念,执行各项环境及职业安全卫生管理工作;落实公司环安卫政策要求使环境暨安全卫生管理成效日益显著,不仅符合国内环保、劳安法令要求,同时也能达到国际环保、安全卫生标准.2003年通过ISO14001环境管理系统验证,秉持“污染预防、持续改善”之原则。
Crystek晶振公司自觉遵守有关环境法律、法规,培养员工的环保意识和能力,持续改进进口石英TCXO晶振环保绩效,优先使用环保型材料、设备及施工工艺,做到污染预防,最终创建具有环保、节能、适宜性特征的优质工程。
服务热线:0755-27839045
Q Q联系:262320519
邮箱:szceob2b@163.com

频率:1~40MHZ
尺寸:18.3*11.7mm
插件OSC晶振适合用于比较低端的电子产品,比如儿童玩具,普通家用电器,即使在汽车电子领域中也能使产品高可靠性的使用.并且可用于安全控制装置的CPU时钟信号发生源部分,好比时钟单片机上的石英晶振,在恶劣严酷的环境条件下,晶振也能正常工作,具有稳定的起振特性,高耐热性,耐热循环性和耐振性等的高可靠性能,由于在温补晶体振荡器的底部装了树脂底座,就可作为产品电气特性和高可靠性无受损的表面插件型晶体谐振器使用,满足无铅焊接的回流温度曲线要求.

频率:9.6~40MHZ
尺寸:18.3*11.7mm
温补晶振(TCXO)产品本身具有温度补偿作用,高低温度稳定性:频率精度高0.5 PPM-2.0 PPM,工作温度范围:-30度至85度,电源电压:1.8V-3.3V之间可供选择,产品本身具有温度电压控制功能,世界上较薄的晶振封装,频率:26兆赫,33.6兆赫,38.4兆赫,40兆赫,因产品性能稳定,精度高等优势,被广泛应用到一些比较有品质的数码通讯产品领域,导航定位系统,智能手机,WiMAX和蜂窝和无线通信等产品,符合RoHS/无铅.

频率:1~35MHZ
尺寸:18.3*11.7mm
引脚焊接型石英晶体元件.工厂仓库长时间大量库存常用频点,高精度的频率和晶振本身更低的等效串联电阻,常用负载电容.插件石英晶振,因插件型晶体成本更低和更高的批量生产能力,主要应用于电视,机顶盒,LCDM和游戏机家用常规电器数码产品等的俱佳选择.符合RoHS/无铅.