频率:12.6~20MHZ
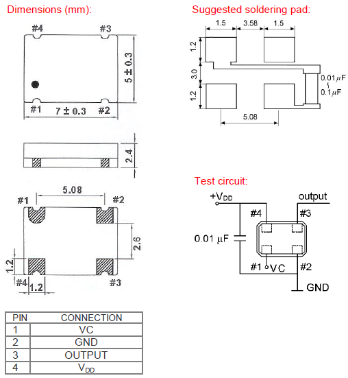
尺寸:7.0*5.0mm
贴片石英晶振,体积小,焊接可采用自动贴片系统,产品本身小型,表面贴片晶振,特别适用于有小型化要求的电子数码产品市场领域,因产品小型,薄型优势,耐环境特性,包括耐高温,耐冲击性等,在移动通信领域得到了广泛的应用,晶振产品本身可发挥优良的电气特性,满足无铅焊接的高温回流温度曲线要求.
GEYER晶振,压控温补晶振,KXO-82晶振,Quartz Crystal,石英晶振真空退火技术:晶振高真空退火处理是消除贴片晶振在加工过程中产生的应力及轻微表面缺陷。在PLC控制程序中输入已设计好的温度曲线,使真空室温度跟随设定曲线对晶体组件进行退火,石英晶振通过合理的真空退火技术可提高晶振主要参数的稳定性,以及提高石英晶振的年老化特性。
7050mm体积非常小的贴片晶振器件,是民用小型无线数码产品的俱佳选择,小体积的晶振被广泛应用到,手机蓝牙,卫星定位系统,无线通讯集,高精度和高频率的稳定性能,非常好的减少电磁干扰的影响,是民用无线数码产品较好的选择,符合RoHS/无铅.
GEYER是频率控制产品(石英晶体和振荡器)的国际供应商,并且要求特殊电池。我们稳步成长的中型企业的总部位于慕尼黑附近的Gr?felfing,我们在美国,新加坡,印度也在英国和匈牙利设有办事处。我们的客户包括电力行业和汽车制造商。我们在充满活力的公司中提供有趣和多样的工作环境和多样化的设计可能性。我们一直在寻找以下领域的初学者,专家和管理人员:开发 - 电子,射频,数字和模拟- 物流- 管理-销售及内部和外部客户服务.
|
项目 |
符号 |
KXO-82晶振 |
条件 |
|
输出频率范围 |
f0 |
12.6~20MHZ |
请联系我们以便获取其它可用频率的相关信息 |
|
电源电压 |
VCC |
+3.0,3.3V |
请联系我们以了解更多相关信息 |
|
储存温度 |
T_stg |
-40℃- +85℃ |
裸存 |
|
工作温度 |
T_use |
|
请联系我们查看更多资料
|
|
S: -30℃- +80℃ |
|||
|
|
|||
|
频率稳定度 |
f_tol |
J: ±2.5× 10-6 |
|
|
|
|||
|
|
|||
|
功耗 |
ICC |
2 mA Max. |
无负载条件、最大工作频率 |
|
待机电流 |
I_std |
10μA Max. |
ST=GND |
|
占空比 |
SYM |
45 % to 55 % |
50 % VCC 极, L_CMOS≦15 pF |
|
输出电压 |
VOH |
-0.5V Min. |
|
|
VOL |
+7.0V Max. |
|
|
|
输出负载条件 |
L_CMOS |
15 pF Max. |
|
|
输入电压 |
VIH |
+2.5% VCC Max. |
ST 终端 |
|
VIL |
+3.3% VCC Max. |
||
|
上升/下降时间 |
tr / tf |
4 ns Max. |
20 % VCC to 80 % VCC 极, L_CMOS=15 pF |
|
振荡启动时间 |
t_str |
3 ms Max. |
t=0 at 90 % |
|
频率老化 |
f_aging |
±1 × 10-6 / year Max. |
+25 ℃, 初年度,第一年 |
格耶压控温补晶体振荡器型号:
所有石英晶体振荡器和实时时钟模块都以IC形式提供。噪音:在电源或输入端上施加执行级别(过高)的不相干(外部的)噪音,可能导致会引发功能失常或击穿的闭门或杂散现象。通电:不建议从中间电位和/或极快速通电,否则会导致无法产生振荡和/或非正常工作。GEYER晶振,压控温补晶振,KXO-82晶振,Quartz Crystal
电源线路:电源的线路阻抗应尽可能低。输出负载:建议将石英贴片晶振输出负载安装在尽可能靠近振荡器的地方(在20 mm范围之间)。未用输入终端的处理:未用针脚可能会引起噪声响应,从而导致非正常工作。同时,当P通道和N通道都处于打开时,电源功率消耗也会增加;因此,请将未用输入终端连接到VCC 或GND。
热影响:重复的温度巨大变化可能会降低受损害的进口石英晶振产品特性,并导致塑料封装里的线路击穿。必须避免这种情况。安装方向:振荡器的不正确安装会导致故障以及崩溃,因此安装时,请检查安装方向是否正确。
GEYER晶振集团不断改进设计,优化工艺,调整工厂布局,采取相应措施,减少各种污染环境的因素,尽可能地节省资源和能源,积极保护厂区和周围地区的环境,在本公司石英晶振,贴片晶振,压电石英晶体、进口小型有源晶振,有源晶体的生产与经营过程中充分考虑对环境的影响,为人类的健康生存和持续发展作出贡献.GEYER晶振,压控温补晶振,KXO-82晶振,Quartz Crystal
质量是GEYER ELECTRONIC成功案例的基础。作为提供7050表面贴片晶振产品领域的国际活跃专家,我们深知全面客户服务的意义和以客户需求为中心的物流设计。通过集中我们在亚洲工厂的主要生产,德国的高端生产以及专业和高性能的开发和服务团队,我们是可靠的合作伙伴。另外,根据DIN ISO 9001:2008,GEYER ELECTRONIC当然也获得了认证。
GEYER作为电池和贴片式有源振荡器频率产品生产经验丰富的国际运营专家,我们自然了解对客户至关重要的一切:从最初的咨询到生产和交付的一流质量。高素质的开发和服务团队以及德国的高端生产确保我们在任何时候都能完全满足这一要求。因此,我们公司通过了DIN ISO 9001:2008认证,这几乎是不言而喻的。
服务热线:0755-27839045
Q Q联系:262320519
邮箱:szceob2b@163.com

频率:6~125MHZ
尺寸:7.0*5.0mm
小型贴片石英晶振,外观尺寸具有薄型表面贴片型石英晶体谐振器,特别适用于有小型化要求的市场领域,比如智能手机,无线蓝牙,平板电脑等电子数码产品.晶振本身小型,薄型,重量轻,晶体具有优良的耐环境特性,如耐热性,耐冲击性,在办公自动化,家电相关电器领域及Bluetooth,Wireless LAN等短距离无线通信领域可发挥优良的电气特性,满足无铅焊接的回流温度曲线要求.

频率:10~27MHZ
尺寸:7.0*5.0mm
小型高精度晶振,体积的变小也使产品带来了更高的稳定性能,接缝密封石英晶体振荡器,精度高,覆盖频率范围宽的特点,贴片高速自动安装和高温回流焊设计,Optionable待机输出三态输出功能,电源电压范围:1.8V?5V,高稳定性,低抖动,低功耗,主要应用领域:无线通讯,智能手机,平板笔记本WLAN,蓝牙,数码相机,DSL和各式IT产品的晶振应用,三态功能,PC和LCDM等数码领域,符合RoHS/无铅.

频率:1~170MHZ
尺寸:7.0*5.0mm
7050mm体积的Oscillator Crystal,有源晶振,该产品可驱动2.5V的温补晶振,压控晶振,VC-TCXO晶体振荡器产品,电源电压的低电耗型,编带包装方式,可对应自动高速贴片机自动焊盘,及IR回流焊盘(无铅对应),为无铅产品,小型,质地轻.产品被广泛应用到集成电路,程控交换系统,无线发射基站.