频率:1.2~100MHZ
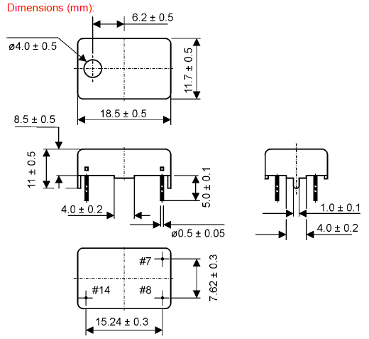
尺寸:18.5*11.7mm
引脚焊接型石英晶体元件.工厂仓库长时间大量库存常用频点,高精度的频率和晶振本身更低的等效串联电阻,常用负载电容.插件石英晶振,因插件型晶体成本更低和更高的批量生产能力,主要应用于电视,机顶盒,LCDM和游戏机家用常规电器数码产品等的俱佳选择.符合RoHS/无铅.
GEYER晶振,温补晶振,KXO-900晶振,有源插件晶振,石英晶振产品电极的设计:石英晶振产品的电极对于石英晶体元器件来讲作用是1.改变频率;2.往外界引出电极;3.改变电阻;4.抑制杂波。第1、2、3项相对简单,第4项的设计很关键,电极的形状、尺寸、厚度以及电极的种类(如金、银等)都会导致第4项的变化。特别是随着晶振的晶片尺寸的缩小对于晶片电极设计的形状及尺寸和精度上都有更高的要求---公差大小、位置的一致性等对晶振产品的影响的程度增大,故对电极的设计提出了更精准的要求。
插件石英晶振适合用于比较低端的电子产品,比如儿童玩具,普通家用电器,即使在汽车电子领域中也能使产品高可靠性的使用.并且可用于安全控制装置的CPU时钟信号发生源部分,好比时钟单片机上的石英晶振,在恶劣严酷的环境条件下,晶振也能正常工作,具有稳定的起振特性,高耐热性,耐热循环性和耐振性等的高可靠性能,由于在插件晶体振荡器的底部装了树脂底座,就可作为产品电气特性和高可靠性无受损的表面贴片型晶体振荡器使用,满足无铅焊接的回流温度曲线要求.
GEYER作为一个可靠的,成功的合作伙伴,我们非常重视在开发阶段与客户的密切合作。这使我们能够确保我们能够为您提供您想要的和需要的TCXO晶振。此外,我们的全球销售网络可在短交货期内保证GEYER ELECTRONIC产品在全球范围内的可用性。经济和以客户为导向的物流概念,例如看板和船到货确保货物从我们的场所到您的制造现场的顺畅流动。
|
项目 |
符号 |
KXO-900晶振 |
条件 |
|
输出频率范围 |
f0 |
1.2~100MHZ |
请联系我们以便获取其它可用频率的相关信息 |
|
电源电压 |
VCC |
+5.0V |
请联系我们以了解更多相关信息 |
|
储存温度 |
T_stg |
-40℃- +85℃ |
裸存 |
|
工作温度 |
T_use |
|
请联系我们查看更多资料
|
|
S: -10℃- +85℃ |
|||
|
|
|||
|
频率稳定度 |
f_tol |
J: ±2.5× 10-6 |
|
|
|
|||
|
|
|||
|
功耗 |
ICC |
2 mA Max. |
无负载条件、最大工作频率 |
|
待机电流 |
I_std |
10μA Max. |
ST=GND |
|
占空比 |
SYM |
45 % to 55 % |
50 % VCC 极, L_CMOS≦15 pF |
|
输出电压 |
VOH |
-0.5V Min. |
|
|
VOL |
+7.0V Max. |
|
|
|
输出负载条件 |
L_CMOS |
15 pF Max. |
|
|
输入电压 |
VIH |
+2.5% VCC Max. |
ST 终端 |
|
VIL |
+3.3% VCC Max. |
||
|
上升/下降时间 |
tr / tf |
4 ns Max. |
20 % VCC to 80 % VCC 极, L_CMOS=15 pF |
|
振荡启动时间 |
t_str |
3 ms Max. |
t=0 at 90 % |
|
频率老化 |
f_aging |
±1 × 10-6 / year Max. |
+25 ℃, 初年度,第一年 |
格耶温补晶体振荡器型号:
耐焊性:将晶振加热包装材料至+150°C以上会破坏产品特性或损害产品。如需在+150°C以上焊接石英进口晶振,建议使用SMD晶振产品。在下列回流条件下,对石英晶振产品甚至SMD贴片晶振使用更高温度,会破坏晶振特性。建议使用下列配置情况的回流条件。安装这些贴片晶振之前,应检查焊接温度和时间。同时,在安装条件更改的情况下,请再次进行检查。如果需要焊接的晶振产品在下列配置条件下进行焊接,请联系我们以获取耐热的相关信息。GEYER晶振,温补晶振,KXO-900晶振,有源插件晶振
插件石英晶振自动安装和真空化引发的冲击会破坏产品特性并影响这些产品。请设置安装条件以尽可能将冲击降至最低,并确保在安装前未对晶振特性产生影响。条件改变时,请重新检查安装条件。同时,在安装前后,请确保石英晶振产品未撞击机器或其他电路板等。
每个封装类型的注意事项:(1)陶瓷包装晶振与SON产品:在焊接陶瓷封装晶振和SON产品 (陶瓷包装是指OSC晶振外观采用陶瓷制品) 之后,弯曲电路板会因机械应力而导致焊接部分剥落或封装分裂(开裂)。尤其在焊接这些产品之后进行电路板切割时,务必确保在应力较小的位置布局晶体并采用应力更小的切割方法。
GEYER作为电池和压控插件石英晶振频率产品生产经验丰富的国际运营专家,我们自然了解对客户至关重要的一切:从最初的咨询到生产和交付的GEYER晶振,温补晶振,KXO-900晶振,有源插件晶振一流质量。高素质的开发和服务团队以及德国的高端生产确保我们在任何时候都能完全满足这一要求。因此,我们公司通过了DIN ISO 9001:2008认证,这几乎是不言而喻的。GEYER晶振,温补晶振,KXO-900晶振,有源插件晶振
GEYER晶振,作为全球企业可持续的社会的实现,集团一体推进地球环境保全活动。推进了金属面四脚插件晶振环境考虑的产品和服务的产品和服务。为了提供社会,努力维护地球环境。遵守环境相关的法令、条例、限制、协定及其他要求事项,环境负荷的降低和污染的防止努力。
GEYER晶振环境影响的最小化:遵照社会的期望,改进我们的环境行为,我们将通过有效利用森林、能源以及其它资源,减少低噪声抖动振荡器各种形式的废物来实现这一承诺. GEYER晶振环境管理体系:在每一个运行部门,实施支持方针的系统的环境管理工具.我们将确保适当的人力资源和充分的财力保障.每年我们都将建立可测量的环境管理以及行为改进的目标和指标.
服务热线:0755-27839045
Q Q联系:262320519
邮箱:szceob2b@163.com

频率:1~50MHZ
尺寸:20.7*20.6mm
引脚焊接型石英晶体振荡器元件.工厂仓库长时间大量库存常用频点,高精度的频率和晶振本身更低的等效串联电阻,常用负载电容.插件石英晶振,因插件型晶体成本更低和更高的批量生产能力,主要应用于电视,机顶盒,LCDM和游戏机家用常规电器数码产品等的俱佳选择.符合RoHS/无铅.

频率:1~150MHZ
尺寸:20.5*20.5mm
插件石英晶振适合用于比较低端的电子产品,比如儿童玩具,普通家用电器,即使在汽车电子领域中也能使产品高可靠性的使用.并且可用于安全控制装置的CPU时钟信号发生源部分,好比时钟单片机上的石英晶振,在恶劣严酷的环境条件下,高精度晶振也能正常工作,具有稳定的起振特性,高耐热性,耐热循环性和耐振性等的高可靠性能,由于在恒温晶体振荡器的底部装了树脂底座,就可作为产品电气特性和高可靠性无受损的表面插件型晶体振荡器使用,满足无铅焊接的回流温度曲线要求.

频率:10~30MHZ
尺寸:25.7*25.7mm
引脚焊接型石英晶体元件.工厂仓库长时间大量库存常用频点,高精度的频率和恒温晶振本身更低的等效串联电阻,常用负载电容.插件石英晶振,因插件型晶体成本更低和更高的批量生产能力,主要应用于电视,机顶盒,LCDM和游戏机家用常规电器数码产品等的俱佳选择.符合RoHS/无铅.