频率:1~51.84MHZ
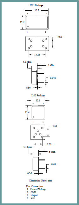
尺寸:20.7*12.6mm
插件进口晶振适合用于比较低端的电子产品,比如儿童玩具,普通家用电器,即使在汽车电子领域中也能使产品高可靠性的使用.并且可用于安全控制装置的CPU时钟信号发生源部分,好比时钟单片机上的石英晶振,在恶劣严酷的环境条件下,晶振也能正常工作,具有稳定的起振特性,高耐热性,耐热循环性和耐振性等的高可靠性能,由于在压控晶体振荡器的底部装了树脂底座,就可作为产品电气特性和高可靠性无受损的表面插件型晶体振荡器使用,满足无铅焊接的回流温度曲线要求.
贴片晶振晶片边缘处理技术:石英晶体振荡器是晶片通过滚筒倒边,主要是为了去除石英晶振晶片的边缘效应,在实际操作中机器运动方式设计、滚筒的曲率半径、滚筒的长短、使用的研磨砂的型号、多少、填充物种类及多少等各项设计必须合理,有一项不完善都会使晶振晶片的边缘效应不能去除,而石英晶振晶片的谐振电阻过大,用在电路中Q值过小,从而电路不能振动或振动了不稳定。
ILSI晶振,压控晶振,I203晶振,四脚DIP晶振,插件式石英晶体振荡器,低电压启动功率,并且有多种电压供选择,比如有1.8V,2.5V,3.3V,3.8V,5V等,产品被广泛应用于,平板笔记本,卫星系统,光纤通道,千兆以太网,串行ATA,串行连接SCSI,PCI-EXPress的SDH / SONET发射基站等领域.符合RoHS/无铅.
ILSI America LLC很高兴宣布收购MMD Monitor / Quartztek。合并后的实体将作为总部位于内华达州里诺和南加州偏远地区的单一组织和管理结构运营。MMD Monitor / Quartztek品牌将继续为频率控制市场中的新老客户提供OSC晶振支持,而不会中断。所有权向ILSI的过渡将与我们尊贵的客户群无缝衔接。
|
项目 |
符号 |
I203晶振(TTL/HC-MOS ) |
条件 |
|
输出频率范围 |
f0 |
1~51.84MHZ |
请联系我们以便获取其它可用频率的相关信息 |
|
电源电压 |
VCC |
+3.3,5.0V |
请联系我们以了解更多相关信息 |
|
储存温度 |
T_stg |
-55℃- +125℃
|
裸存 |
|
工作温度 |
T_use |
-40℃- +85℃
|
请联系我们查看更多资料
|
|
-20℃- +70℃ |
|||
|
-0℃- +70℃ |
|||
|
频率稳定度 |
f_tol |
F=±20ppm |
|
|
X=±30ppm |
|||
|
B=±50ppm |
|||
|
功耗 |
ICC |
2 mA Max. |
无负载条件、最大工作频率 |
|
待机电流 |
I_std |
10μA Max. |
ST=GND |
|
占空比 |
SYM |
45 % to 55 % |
50 % VCC 极, L_CMOS≦15 pF |
|
输出电压 |
VOH |
-0.5V Min. |
|
|
VOL |
+7.0V Max. |
|
|
|
输出负载条件 |
L_CMOS |
15 pF Max. |
|
|
输入电压 |
VIH |
+2.5% VCC Max. |
ST 终端 |
|
VIL |
+3.3% VCC Max. |
||
|
上升/下降时间 |
tr / tf |
4 ns Max. |
20 % VCC to 80 % VCC 极, L_CMOS=15 pF |
|
振荡启动时间 |
t_str |
3 ms Max. |
t=0 at 90 % |
|
频率老化 |
f_aging |
±3× 10-6 / year Max. |
+25 ℃, 初年度,第一年 |
美国ILSI VCXO Crystal Oscillators型号:
机械振动的影响:当高稳定性晶振产品上存在任何给定冲击或受到周期性机械振动时,比如:压电扬声器,压电蜂鸣器,以及喇叭等,输出频率和幅度会受到影响。这种现象对通信器材通信质量有影响。尽管晶振产品设计可最小化这种机械振动的影响,我们推荐事先检查并按照下列安装指南进行操作。ILSI晶振,压控晶振,I203晶振,四脚DIP晶振
PCB设计指导:(1) 理想情况下,机械蜂鸣器应安装在一个独立于进口石英晶体器件的PCB板上。如果您安装在同一个PCB板上,最好使用余量或切割PCB。当应用于PCB板本身或PCB板体内部时,机械振动程度有所不同。建议遵照内部板体特性。
(2) 在设计时请参考相应的推荐封装。(3) 在使用插件压控晶振焊料助焊剂时,按JIS标准(JIS C 60068-2-20/IEC 60,068-2-20).来使用。(4) 请按JIS标准(JIS Z 3282, Pb 含量 1000ppm, 0.1wt% 或更少)来使用无铅焊料。
ILSI America LLC / ILSI-MMD Inc.质量方针:ILSI America LLC / ILSI-MMD Inc.致力于通过四脚插件OSC晶振坚持其建立的质量管理体系和持续改进的承诺,不断为其内部和外部客户提供高质量的产品和服务ILSI America LLC / ILSI-MMD Inc.质量管理体系采用Plan-Do-Check-Act循环。这是ISO管理体系标准的操作原则。ILSI晶振,压控晶振,I203晶振,四脚DIP晶振
计划 - 确定目标并制定计划(分析你的组织情况,确定金属面四脚晶振的总体目标并设定你的临时目标,并制定实现目标的计划)。做 - 实施你的计划(做你的计划)。检查 - 衡量你的结果(衡量/监测你的实际成就达到你的计划目标的程度)。行动 - 纠正和改善你的计划,以及如何将它们付诸实践(纠正错误并从错误中吸取教训,改进计划,以便下次取得更好的结果).
质量是ILSI America LLC / ILSI-MMD Inc.成功案例的基础。作为提供美国DIP石英晶振产品领域的国际活跃专家,我们深知全面客户服务的意义和以客户需求为中心的物流设计。通过集中我们在亚洲工厂的主要生产,美国的高端生产以及专业和高性能的开发和服务团队,我们是可靠的合作伙伴。另外,根据DIN ISO 9001:2008,ILSI America LLC / ILSI-MMD Inc.当然也获得了认证。
服务热线:0755-27839045
Q Q联系:262320519
邮箱:szceob2b@163.com

频率:1~51.84MHZ
尺寸:12.6*12.6mm
压控晶振(VCXO),压控石英晶体振荡器基本解决方案,PECL输出,输出频率60 MHz到200 MHz之间,出色的低相位噪声和抖动,三态功能,应用:SDH/SONET,以太网,基站,笔记本晶振应用,符合RoHS/无铅.VCXO压控晶体应用:调制解调器,ADSL网络控制器,无线基站,程控交换设备智能手机,笔记本晶振等.

频率:51.84*170MHZ
尺寸:20.7*12.6mm
引脚焊接型石英晶体元件.工厂仓库长时间大量库存常用频点,高精度的频率和VCXO晶振本身更低的等效串联电阻,常用负载电容.压控石英晶振,因插件型晶体成本更低和更高的批量生产能力,主要应用于电视,机顶盒,LCDM和游戏机家用常规电器数码产品等的俱佳选择.符合RoHS/无铅.

频率:51.84~170MHZ
尺寸:12.6*12.6mm
插件石英晶振适合用于比较低端的电子产品,比如儿童玩具,普通家用电器,即使在汽车电子领域中也能使产品高可靠性的使用.并且可用于安全控制装置的CPU时钟信号发生源部分,好比时钟单片机上的石英晶振,在恶劣严酷的环境条件下,晶振也能正常工作,具有稳定的起振特性,高耐热性,耐热循环性和耐振性等的高可靠性能,由于在压控晶体振荡器的底部装了树脂底座,就可作为产品电气特性和高可靠性无受损的表面插件型晶体振荡器使用,满足无铅焊接的回流温度曲线要求.