频率:1~50MHZ
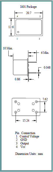
尺寸:20.7*20.6mm
引脚焊接型石英晶体振荡器元件.工厂仓库长时间大量库存常用频点,高精度的频率和晶振本身更低的等效串联电阻,常用负载电容.插件石英晶振,因插件型晶体成本更低和更高的批量生产能力,主要应用于电视,机顶盒,LCDM和游戏机家用常规电器数码产品等的俱佳选择.符合RoHS/无铅.
高精度晶振在选用晶片时应注意温度范围、晶振温度范围内的频差要求,贴片晶振温度范围宽时(-40℃-85℃)晶振切割角度比窄温(-10℃-70℃)切割角度应略高。对于晶振的条片,长边为 X 轴,短边为 Z 轴,面为 Y 轴。对于圆片晶振,X、Z 轴较难区分,所以石英晶振对精度要求高的产品(如部分定单的 UM-1),会在 X 轴方向进行拉弦(切掉一小部分),以利于晶振的晶片有方向的装架点胶,点胶点点在 Z 轴上。保证晶振产品的温度特性。
ILSI晶振,恒温晶振,I401晶振,插件晶体振荡器,小型插件有源晶振,体积的变小也使产品带来了更高的稳定性能,接缝密封石英晶体振荡器,精度高,覆盖频率范围宽的特点,插件高速自动安装和高温回流焊设计,Optionable待机输出三态输出功能,电源电压范围:1.8V?5V,高稳定性,低抖动,低功耗,主要应用领域:无线通讯,智能手机,平板笔记本WLAN,蓝牙,数码相机,DSL和各式IT产品的晶振应用,三态功能,PC和LCDM等数码领域,符合RoHS/无铅.
ILSI-MMD Inc.销售渠道由全球24个地区代表组成,覆盖50个美国,加拿大西部和东部,墨西哥,亚洲,英国,波兰,德国,法国,意大利,奥地利和南美洲中的45个。销售渠道还受到由多国一级分销商,地区分销,美国分类目录和欧洲分类目录组成的分销基础设施的支持; 共有8家专营分销渠道合作伙伴。今天,ILSI-MMD Inc.是一家生产石英晶振频率控制解决方案提供商。或者,我们的目标是为全球变频控制市场提供ISO9000:2008认证,质量非常高,极具竞争力的价格以及优质的客户服务频率控制产品。
|
项目 |
符号 |
I401晶振 |
条件 |
|
输出频率范围 |
f0 |
1~50MHZ |
请联系我们以便获取其它可用频率的相关信息 |
|
电压控制 |
VCC |
+2.0,2.5V |
请联系我们以了解更多相关信息 |
|
储存温度 |
T_stg |
-55℃- +125℃
|
裸存 |
|
工作温度 |
T_use |
-10℃- +75℃
|
请联系我们查看更多资料
|
|
-20℃- +70℃
|
|||
|
-0℃- +70℃ |
|||
|
频率稳定度 |
f_tol |
N:1.0× 10-6 |
|
|
Y:0.5× 10-6 |
|||
|
0.25× 10-6 |
|||
|
功耗 |
ICC |
2 mA Max. |
无负载条件、最大工作频率 |
|
待机电流 |
I_std |
10μA Max. |
ST=GND |
|
占空比 |
SYM |
45 % to 55 % |
50 % VCC 极, L_CMOS≦15 pF |
|
输出电压 |
VOH |
-0.5V Min. |
|
|
VOL |
+7.0V Max. |
|
|
|
输出负载条件 |
L_CMOS |
15 pF Max. |
|
|
输入电压 |
VIH |
+2.5% VCC Max. |
ST 终端 |
|
VIL |
+3.3% VCC Max. |
||
|
上升/下降时间 |
tr / tf |
4 ns Max. |
20 % VCC to 80 % VCC 极, L_CMOS=15 pF |
|
振荡启动时间 |
t_str |
3 ms Max. |
t=0 at 90 % |
|
频率老化 |
f_aging |
±3× 10-6 / year Max. |
+25 ℃, 初年度,第一年 |
美国ILSI OCXO Crystal Oscillators型号:
热影响:重复的温度巨大变化可能会降低受损害的进口晶振产品特性,并导致塑料封装里的线路击穿。必须避免这种情况。安装方向:振荡器的不正确安装会导致故障以及崩溃,因此安装时,请检查安装方向是否正确。通电:不建议从中间电位和/或极快速通电,否则会导致无法产生振荡和/或非正常工作。ILSI晶振,恒温晶振,I401晶振,插件晶体振荡器
超声波清洗:(1)使用AT-切割晶体和表面面滤波器波(SAW)/金属面振荡器的产品,可以通过超声波进行清洗。但是,在某些条件下, 晶振特性可能会受到影响,而且内部线路可能受到损坏。确保已事先检查系统的适用性。(2)使用音叉晶体和陀螺仪传感器的产品无法确保能够通过超声波方法进行清洗,因为晶振可能受到破坏。
(3)请勿清洗开启式晶振产品(4)对于可清洗低相控晶振产品,应避免使用可能对产品产生负面影响的清洗剂或溶剂等。(5)焊料助焊剂的残留会吸收水分并凝固。这会引起诸如位移等其它现象。这将会负面影响产品的可靠性和质量。请清理残余的助焊剂并烘干PCB。
ILSI America LLC / ILSI-MMD Inc.质量方针:ILSI America LLC / ILSI-MMD Inc.致力于通过OCXO晶体振荡器坚持其建立的质量管理体系和持续改进的承诺,不断为其内部和外部客户提供高质量的产品和服务ILSI America LLC / ILSI-MMD Inc.质量管理体系采用Plan-Do-Check-Act循环。这是ISO管理体系标准的操作原则。ILSI晶振,恒温晶振,I401晶振,插件晶体振荡器
计划 - 确定目标并制定计划(分析你的组织情况,确定插件恒温晶体振荡器的总体目标并设定你的临时目标,并制定实现目标的计划)。做 - 实施你的计划(做你的计划)。检查 - 衡量你的结果(衡量/监测你的实际成就达到你的计划目标的程度)。行动 - 纠正和改善你的计划,以及如何将它们付诸实践(纠正错误并从错误中吸取教训,改进计划,以便下次取得更好的结果).
质量是ILSI America LLC / ILSI-MMD Inc.成功案例的基础。作为提供插件石英晶振产品领域的国际活跃专家,我们深知全面客户服务的意义和以客户需求为中心的物流设计。通过集中我们在亚洲工厂的主要生产,美国的高端生产以及专业和高性能的开发和服务团队,我们是可靠的合作伙伴。另外,根据DIN ISO 9001:2008,ILSI America LLC / ILSI-MMD Inc.当然也获得了认证。
服务热线:0755-27839045
Q Q联系:262320519
邮箱:szceob2b@163.com

频率:1~150MHZ
尺寸:20.5*20.5mm
插件石英晶振适合用于比较低端的电子产品,比如儿童玩具,普通家用电器,即使在汽车电子领域中也能使产品高可靠性的使用.并且可用于安全控制装置的CPU时钟信号发生源部分,好比时钟单片机上的石英晶振,在恶劣严酷的环境条件下,高精度晶振也能正常工作,具有稳定的起振特性,高耐热性,耐热循环性和耐振性等的高可靠性能,由于在恒温晶体振荡器的底部装了树脂底座,就可作为产品电气特性和高可靠性无受损的表面插件型晶体振荡器使用,满足无铅焊接的回流温度曲线要求.

频率:10~30MHZ
尺寸:25.7*25.7mm
引脚焊接型石英晶体元件.工厂仓库长时间大量库存常用频点,高精度的频率和恒温晶振本身更低的等效串联电阻,常用负载电容.插件石英晶振,因插件型晶体成本更低和更高的批量生产能力,主要应用于电视,机顶盒,LCDM和游戏机家用常规电器数码产品等的俱佳选择.符合RoHS/无铅.

频率:10MHZ
尺寸:26.16*26.16mm
插件石英晶振适合用于比较低端的电子产品,比如儿童玩具,普通家用电器,即使在汽车电子领域中也能使产品高可靠性的使用.并且可用于安全控制装置的CPU时钟信号发生源部分,好比时钟单片机上的晶振,在恶劣严酷的环境条件下,晶振也能正常工作,具有稳定的起振特性,高耐热性,耐热循环性和耐振性等的高可靠性能,由于在恒温晶体振荡器的底部装了树脂底座,就可作为产品电气特性和高可靠性无受损的表面插件型晶体振荡器使用,满足无铅焊接的回流温度曲线要求.