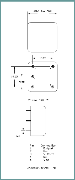
频率:10~30MHZ
尺寸:25.7*25.7mm
引脚焊接型石英晶体元件.工厂仓库长时间大量库存常用频点,高精度的频率和恒温晶振本身更低的等效串联电阻,常用负载电容.插件石英晶振,因插件型晶体成本更低和更高的批量生产能力,主要应用于电视,机顶盒,LCDM和游戏机家用常规电器数码产品等的俱佳选择.符合RoHS/无铅.
石英晶振多层、多金属的溅射镀膜技术:是目前研发及生产高精度、高稳定性石英晶体振荡器元器件——石英晶振必须攻克的关键技术之一。石英晶振该选用何镀材、镀几种材料、几种镀材的镀膜顺序,镀膜的工艺方法(如各镀材的功率设计等)。使用此镀膜方法使镀膜后的晶振附着力增强,贴片晶振频率更加集中,能控制在最小ppm之内。
ILSI晶振,恒温晶振,I416晶振,OCXO晶体振荡器,具有适合于移动通信设备用途的高稳定的频率温度特性.为对应低电源电压的产品.(可对应DC+1.8V±0.1V to+3.2V±0.1V )高度:高1.0 mm,体积:0.007 cm3,重量:0.024g,小型,轻型.低消耗电流,表面插件型产品.(可对应回流焊)无铅产品.满足无铅焊接的回流温度曲线要求.
1995年,ILSI北京中国办事处开业。1998年,ILSI美国进口晶振公司搬迁到它现在的位置,这是一个位于内华达州里诺的10,000平方英尺的世界总部。1999年,ILSI香港中海物流中心开业。2007年ILSI韩国办事处的开业完成了我们在美国和亚洲提供真正实体店的目标,这些实体由直接员工提供,以支持我们在北美,墨西哥,亚洲和欧洲快速增长的客户群。
|
项目 |
符号 |
I416晶振 |
条件 |
|
输出频率范围 |
f0 |
10~30MHZ |
请联系我们以便获取其它可用频率的相关信息 |
|
输入电压 |
VCC |
+5.0,12.0V |
请联系我们以了解更多相关信息 |
|
储存温度 |
T_stg |
-40℃- +85℃
|
裸存 |
|
工作温度 |
T_use |
-30℃- +70℃
|
请联系我们查看更多资料
|
|
-20℃- +70℃
|
|||
|
-0℃- +70℃ |
|||
|
频率稳定度 |
f_tol |
Y:0.5× 10-6 |
|
|
0.25× 10-6 |
|||
|
0.1× 10-6 |
|||
|
功耗 |
ICC |
2 mA Max. |
无负载条件、最大工作频率 |
|
待机电流 |
I_std |
10μA Max. |
ST=GND |
|
占空比 |
SYM |
45 % to 55 % |
50 % VCC 极, L_CMOS≦15 pF |
|
输出电压 |
VOH |
-0.5V Min. |
|
|
VOL |
+7.0V Max. |
|
|
|
输出负载条件 |
L_CMOS |
15 pF Max. |
|
|
输入电压 |
VIH |
+2.5% VCC Max. |
ST 终端 |
|
VIL |
+3.3% VCC Max. |
||
|
上升/下降时间 |
tr / tf |
4 ns Max. |
20 % VCC to 80 % VCC 极, L_CMOS=15 pF |
|
振荡启动时间 |
t_str |
3 ms Max. |
t=0 at 90 % |
|
频率老化 |
f_aging |
±3× 10-6 / year Max. |
+25 ℃, 初年度,第一年 |
美国ILSI OCXO Crystal Oscillators型号:
每个DIP振荡器封装类型的注意事项(1)陶瓷包装晶振与SON产品:在焊接陶瓷封装晶振和SON产品 (陶瓷包装是指晶振外观采用陶瓷制品) 之后,弯曲电路板会因机械应力而导致焊接部分剥落或封装分裂(开裂)。尤其在焊接这些产品之后进行电路板切割时,务必确保在应力较小的位置布局晶体并采用应力更小的切割方法。ILSI晶振,恒温晶振,I416晶振,OCXO晶体振荡器
(2)陶瓷包装石英晶振:在一个不同扩张系数电路板(环氧玻璃)上焊接陶瓷封装有源晶振时,在温度长时间重复变化时可能导致端子焊接部分发生断裂,请事先检查焊接特性。陶瓷封装贴片晶振:在一个不同扩张系数电路板(环氧玻璃)上焊接陶瓷封装贴片晶振时,在温度长时间重复变化时可能导致端子焊接部分发生断裂,请事先检查焊接特性。
(3)柱面式产品:产品的玻璃部分直接弯曲引脚或用力拉伸引脚会导致在引脚根部发生密封玻璃分裂(开裂),也可能导致进口插件晶振气密性和产品特性受到破坏。当石英晶振的引脚需弯曲成下图所示形状时,应在这种场景下留出0.5mm的引脚并将其托住,以免发生分裂。当该引脚需修复时,请勿拉伸,托住弯曲部分进行修正。在该密封部分上施加一定压力,会导致气密性受到损坏。所以在此处请不要施加压力。另外,为避负机器共振造成引脚疲劳切断,建议用粘着剂将产品固在定电路板上。
ILSI America LLC / ILSI-MMD Inc.石英晶振环保环境与发展对策:实行可持续发展战略.采取有效措施,防治工业污染.提高DIP有源晶体能源利用效率,改善能源结构.运用经济手段保护环境.大力推进科技进步,加强环境科学研究,积极发展环境保护产业.健全环境法规,强化环境管理.加强环境教育,不断提高环境意识.ILSI晶振,恒温晶振,I416晶振,OCXO晶体振荡器
ILSI America LLC / ILSI-MMD Inc.的高层管理人员通过制定和实施本质量手册表明了其对低相噪石英晶体振荡器质量管理体系的承诺。此外,通过ILSI美国有限责任公司/ ILSI-MMD Inc.质量方针,在管理评审会议期间制定和审查的具体目标,以及提供所需资源以实现我们不断提高我们运营效率的目标和质量体系。
由总裁和所有部门经理组成的管理团队专注于确保我们的产品和服务符合客户以及法定和监管要求。我们致力于不断提高恒温晶体振荡器质量管理体系的有效性和我们对客户满意度的承诺,通过监控我们的业绩与我们既定的目标以及通过促进员工参与的领导力来实现。这个概念代表了ILSI America LLC / ILSI-MMD Inc.对质量的承诺,以及越来越需要更好地服务于不断增长和要求苛刻的客户群。
服务热线:0755-27839045
Q Q联系:262320519
邮箱:szceob2b@163.com

频率:1~50MHZ
尺寸:20.7*20.6mm
引脚焊接型石英晶体振荡器元件.工厂仓库长时间大量库存常用频点,高精度的频率和晶振本身更低的等效串联电阻,常用负载电容.插件石英晶振,因插件型晶体成本更低和更高的批量生产能力,主要应用于电视,机顶盒,LCDM和游戏机家用常规电器数码产品等的俱佳选择.符合RoHS/无铅.

频率:1~150MHZ
尺寸:20.5*20.5mm
插件石英晶振适合用于比较低端的电子产品,比如儿童玩具,普通家用电器,即使在汽车电子领域中也能使产品高可靠性的使用.并且可用于安全控制装置的CPU时钟信号发生源部分,好比时钟单片机上的石英晶振,在恶劣严酷的环境条件下,高精度晶振也能正常工作,具有稳定的起振特性,高耐热性,耐热循环性和耐振性等的高可靠性能,由于在恒温晶体振荡器的底部装了树脂底座,就可作为产品电气特性和高可靠性无受损的表面插件型晶体振荡器使用,满足无铅焊接的回流温度曲线要求.

频率:10MHZ
尺寸:26.16*26.16mm
插件石英晶振适合用于比较低端的电子产品,比如儿童玩具,普通家用电器,即使在汽车电子领域中也能使产品高可靠性的使用.并且可用于安全控制装置的CPU时钟信号发生源部分,好比时钟单片机上的晶振,在恶劣严酷的环境条件下,晶振也能正常工作,具有稳定的起振特性,高耐热性,耐热循环性和耐振性等的高可靠性能,由于在恒温晶体振荡器的底部装了树脂底座,就可作为产品电气特性和高可靠性无受损的表面插件型晶体振荡器使用,满足无铅焊接的回流温度曲线要求.