频率:10MHZ
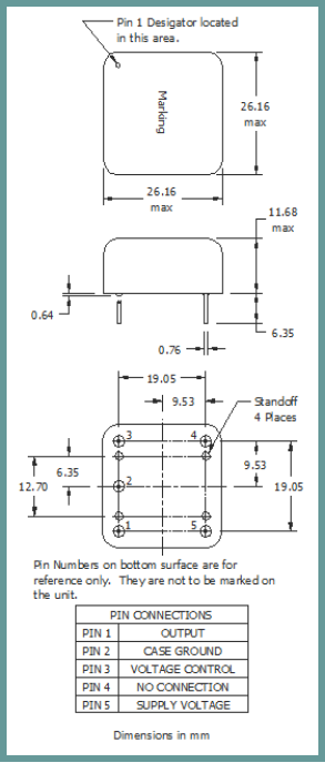
尺寸:26.16*26.16mm
插件石英晶振适合用于比较低端的电子产品,比如儿童玩具,普通家用电器,即使在汽车电子领域中也能使产品高可靠性的使用.并且可用于安全控制装置的CPU时钟信号发生源部分,好比时钟单片机上的晶振,在恶劣严酷的环境条件下,晶振也能正常工作,具有稳定的起振特性,高耐热性,耐热循环性和耐振性等的高可靠性能,由于在恒温晶体振荡器的底部装了树脂底座,就可作为产品电气特性和高可靠性无受损的表面插件型晶体振荡器使用,满足无铅焊接的回流温度曲线要求.
石英晶振真空退火技术:OCXO晶振高真空退火处理是消除贴片晶振在加工过程中产生的应力及轻微表面缺陷。在PLC控制程序中输入已设计好的温度曲线,使真空室温度跟随设定曲线对晶体组件进行退火,石英晶振通过合理的真空退火技术可提高晶振主要参数的稳定性,以及提高石英晶振的年老化特性。
ILSI晶振,恒温晶振,I426晶振,OCXO晶振,有源晶振,是只晶体本身起振需要外部电压供应,起振后可直接驱动CMOS集成电路,产品本身已实现与薄型IC(TSSOP封装,TVSOP封装)同样的1mm厚度,断开时的消费电流是15µA以下,编带包装方式可对应自动搭载及IR回流焊盘(无铅对应)产品有几种电压供选1.8V,2.5V,3V3.3V,5V,以应对不同IC产品需要.
ILSI America成立于1987年,总部位于加州科斯塔梅萨。当时的商业模式很简单,成为高精度晶振和时钟振荡器的供应商,以支持北美频率控制市场,在随后的29年中,随着全球频率控制产品市场需求呈指数级增长和全球化,ILSI通过有机增长和收购应对不断变化的市场和客户群。
|
项目 |
符号 |
I426晶振 |
条件 |
|
输出频率范围 |
f0 |
10MHZ |
请联系我们以便获取其它可用频率的相关信息 |
|
电源电压 |
VCC |
+12.0V |
请联系我们以了解更多相关信息 |
|
储存温度 |
T_stg |
-55℃- +125℃
|
裸存 |
|
工作温度 |
T_use |
-40℃- +85℃
|
请联系我们查看更多资料
|
|
|
|||
|
|
|||
|
频率稳定度 |
f_tol |
X: ±30ppb× 10-6 |
|
|
|
|||
|
|
|||
|
功耗 |
ICC |
2 mA Max. |
无负载条件、最大工作频率 |
|
待机电流 |
I_std |
10μA Max. |
ST=GND |
|
占空比 |
SYM |
45 % to 55 % |
50 % VCC 极, L_CMOS≦15 pF |
|
输出电压 |
VOH |
-0.5V Min. |
|
|
VOL |
+7.0V Max. |
|
|
|
输出负载条件 |
L_CMOS |
15 pF Max. |
|
|
输入电压 |
VIH |
+2.5% VCC Max. |
ST 终端 |
|
VIL |
+3.3% VCC Max. |
||
|
上升/下降时间 |
tr / tf |
4 ns Max. |
20 % VCC to 80 % VCC 极, L_CMOS=15 pF |
|
振荡启动时间 |
t_str |
3 ms Max. |
t=0 at 90 % |
|
频率老化 |
f_aging |
±0.1,0.5× 10-6 / year Max. |
+25 ℃, 初年度,第一年 |
美国ILSI OCXO Crystal Oscillators型号:
金属面晶振自动安装和真空化引发的冲击会破坏产品特性并影响这些产品。请设置安装条件以尽可能将冲击降至最低,并确保在安装前未对晶振特性产生影响。条件改变时,请重新检查安装条件。同时,在安装前后,请确保石英晶振产品未撞击机器或其他电路板等。ILSI晶振,恒温晶振,I426晶振,OCXO晶振
每个插件OCXO晶振封装类型的注意事项(1)陶瓷包装晶振与SON产品:在焊接陶瓷封装晶振和SON产品 (陶瓷包装是指晶振外观采用陶瓷制品) 之后,弯曲电路板会因机械应力而导致焊接部分剥落或封装分裂(开裂)。尤其在焊接这些产品之后进行电路板切割时,务必确保在应力较小的位置布局晶体并采用应力更小的切割方法。
(2)陶瓷包装石英晶振:在一个不同扩张系数电路板(环氧玻璃)上焊接陶瓷封装小体积振荡器时,在温度长时间重复变化时可能导致端子焊接部分发生断裂,请事先检查焊接特性。陶瓷封装贴片晶振:在一个不同扩张系数电路板(环氧玻璃)上焊接陶瓷封装贴片晶振时,在温度长时间重复变化时可能导致端子焊接部分发生断裂,请事先检查焊接特性。
ILSI America LLC / ILSI-MMD Inc.晶振公司严格遵守国家有关工程建设法律、法规,不断提高进口恒温石英晶振的质量意识和能力,履行合约、信守承诺,坚持开拓创新,不断提升企业的施工技术素质和质量管理水平,以科学学严密的施工管理和真诚的服务让业主高度满意。ILSI晶振,恒温晶振,I426晶振,OCXO晶振
ILSI America LLC / ILSI-MMD Inc.晶振将持续的环境、健康和安全方面的改进、污染预防和员工的努力纳入日常运行当中.加强进口OCXO振荡器污染防治,减少现有的污染废弃物以及在未来晶体谐振器、普通晶体振荡器(SPXO),石英晶振生产制造中所产生的污染.
ILSI America LLC / ILSI-MMD Inc.石英晶振环保环境与发展对策:实行可持续发展战略.采取有效措施,防治工业污染.提高恒温石英晶体振荡器能源利用效率,改善能源结构.运用经济手段保护环境.大力推进科技进步,加强环境科学研究,积极发展环境保护产业.健全环境法规,强化环境管理.加强环境教育,不断提高环境意识.
服务热线:0755-27839045
Q Q联系:262320519
邮箱:szceob2b@163.com

频率:1~50MHZ
尺寸:20.7*20.6mm
引脚焊接型石英晶体振荡器元件.工厂仓库长时间大量库存常用频点,高精度的频率和晶振本身更低的等效串联电阻,常用负载电容.插件石英晶振,因插件型晶体成本更低和更高的批量生产能力,主要应用于电视,机顶盒,LCDM和游戏机家用常规电器数码产品等的俱佳选择.符合RoHS/无铅.

频率:1~150MHZ
尺寸:20.5*20.5mm
插件石英晶振适合用于比较低端的电子产品,比如儿童玩具,普通家用电器,即使在汽车电子领域中也能使产品高可靠性的使用.并且可用于安全控制装置的CPU时钟信号发生源部分,好比时钟单片机上的石英晶振,在恶劣严酷的环境条件下,高精度晶振也能正常工作,具有稳定的起振特性,高耐热性,耐热循环性和耐振性等的高可靠性能,由于在恒温晶体振荡器的底部装了树脂底座,就可作为产品电气特性和高可靠性无受损的表面插件型晶体振荡器使用,满足无铅焊接的回流温度曲线要求.

频率:10~30MHZ
尺寸:25.7*25.7mm
引脚焊接型石英晶体元件.工厂仓库长时间大量库存常用频点,高精度的频率和恒温晶振本身更低的等效串联电阻,常用负载电容.插件石英晶振,因插件型晶体成本更低和更高的批量生产能力,主要应用于电视,机顶盒,LCDM和游戏机家用常规电器数码产品等的俱佳选择.符合RoHS/无铅.