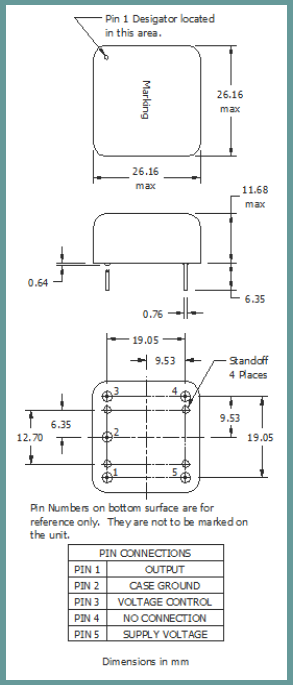
频率:100MHZ
尺寸:26.16*26.16mm
引脚焊接型进口晶振元件.工厂仓库长时间大量库存常用频点,高精度的频率和晶振本身更低的等效串联电阻,常用负载电容.插件石英晶振,因插件型晶体成本更低和更高的批量生产能力,主要应用于电视,机顶盒,LCDM和游戏机家用常规电器数码产品等的俱佳选择.符合RoHS/无铅.
晶振的真空封装技术:是指有源晶振在真空封装区域内进行封装。1.防止外界气体进入组件体内受到污染和增加应力的产生;2.使晶振组件在真空下电阻减小;3.气密性高。此技术为研发及生产超小型、超薄型石英晶振必须攻克的关键技术之一.
ILSI晶振,恒温晶振,I428晶振,DIP OCXO Crystal,智能手机晶振,产品具有高精度小型的表面插件型石英晶体振荡器,适用于移动通信终端的基准时钟等移动通信领域.比如智能手机,无线通信,卫星导航,平台基站等数码产品类别,晶振本身小型,薄型具备各类移动通信的基准时钟源用频率,插件晶振具有优良的电气特性,耐环境性能适用于移动通信领域,满足无铅工作的高温回流温度曲线要求.
关于ILSI America LLC:成立于1987年,ILSI America LLC在频率控制晶振产品领域已超过25年,一直处于市场领先地位。ILSI America LLC为我们的OEM客户和全球分销合作伙伴提供我们的频率控制产品的一揽子供应链管理解决方案和工程支持。
|
项目 |
符号 |
I428晶振 |
条件 |
|
输出频率范围 |
f0 |
100MHZ |
请联系我们以便获取其它可用频率的相关信息 |
|
电压控制 |
VCC |
+12.0V |
请联系我们以了解更多相关信息 |
|
储存温度 |
T_stg |
-55℃- +85℃
|
裸存 |
|
工作温度 |
T_use |
-40℃- +85℃
|
请联系我们查看更多资料
|
|
|
|||
|
|
|||
|
频率稳定度 |
f_tol |
±150ppb |
|
|
|
|||
|
|
|||
|
功耗 |
ICC |
2 mA Max. |
无负载条件、最大工作频率 |
|
待机电流 |
I_std |
10μA Max. |
ST=GND |
|
占空比 |
SYM |
45 % to 55 % |
50 % VCC 极, L_CMOS≦15 pF |
|
输出电压 |
VOH |
-0.5V Min. |
|
|
VOL |
+7.0V Max. |
|
|
|
输出负载条件 |
L_CMOS |
15 pF Max. |
|
|
输入电压 |
VIH |
+2.5% VCC Max. |
ST 终端 |
|
VIL |
+3.3% VCC Max. |
||
|
上升/下降时间 |
tr / tf |
4 ns Max. |
20 % VCC to 80 % VCC 极, L_CMOS=15 pF |
|
振荡启动时间 |
t_str |
3 ms Max. |
t=0 at 90 % |
|
频率老化 |
f_aging |
±1.25× 10-6 / year Max. |
+25 ℃, 初年度,第一年 |
美国ILSI OCXO Crystal Oscillators型号:
存储事项:(1) 在更高或更低温度或高湿度环境下长时间保存耐冲击晶振时,会影响频率稳定性或焊接性。请在正常温度和湿度环境下保存这些石英晶振产品,并在开封后尽可能进行安装,以免长期储藏。 正常温度和湿度: 温度:+15°C 至 +35°C,湿度 25 % RH 至 85 % RH。 (2) 请仔细处理内外盒与卷带。外部压力会导致卷带受到损坏。ILSI晶振,恒温晶振,I428晶振,DIP OCXO Crystal
耐焊性:将OCXO Crystal加热包装材料至+150°C以上会破坏产品特性或损害产品。如需在+150°C以上焊接石英晶振,建议使用SMD晶振产品。在下列回流条件下,对石英晶振产品甚至SMD贴片晶振使用更高温度,会破坏晶振特性。建议使用下列配置情况的回流条件。安装这些贴片晶振之前,应检查焊接温度和时间。同时,在安装条件更改的情况下,请再次进行检查。如果需要焊接的晶振产品在下列配置条件下进行焊接,请联系我们以获取耐热的相关信息。
ILSI进口晶振自动安装和真空化引发的冲击会破坏产品特性并影响这些产品。请设置安装条件以尽可能将冲击降至最低,并确保在安装前未对晶振特性产生影响。条件改变时,请重新检查安装条件。同时,在安装前后,请确保石英晶振产品未撞击机器或其他电路板等。
ILSI America LLC / ILSI-MMD Inc.晶振,作为全球企业可持续的社会的实现,集团一体推进地球环境保全活动。推进了环境考虑的4脚金属面插件晶振产品和服务的产品和服务。为了提供社会,努力维护地球环境。遵守环境相关的法令、条例、限制、协定及其他要求事项,环境负荷的降低和污染的防止努力。ILSI晶振,恒温晶振,I428晶振,DIP OCXO Crystal
ILSI America LLC / ILSI-MMD Inc.晶振减少污染物排放,对直插式进口石英晶振不可再生的资源进行有效利用.减少废物的产生,对其排放的责任进行有效管理,有效地使用能源.通过石英晶振,贴片晶振,温补晶振,石英晶体振荡器设计工艺程序对员工进行培训保护环境以及人们的健康和安全.提供安全使用和废置我们的产品的信息,对环境有重大健康安全和环境的运营现状进行纠正.
ILSI America LLC / ILSI-MMD Inc.晶振公司严格遵守国家有关工程建设法律、法规,不断提高插件型恒温振荡器的质量意识和能力,履行合约、信守承诺,坚持开拓创新,不断提升企业的施工技术素质和质量管理水平,以科学学严密的施工管理和真诚的服务让业主高度满意。
服务热线:0755-27839045
Q Q联系:262320519
邮箱:szceob2b@163.com

频率:1~50MHZ
尺寸:20.7*20.6mm
引脚焊接型石英晶体振荡器元件.工厂仓库长时间大量库存常用频点,高精度的频率和晶振本身更低的等效串联电阻,常用负载电容.插件石英晶振,因插件型晶体成本更低和更高的批量生产能力,主要应用于电视,机顶盒,LCDM和游戏机家用常规电器数码产品等的俱佳选择.符合RoHS/无铅.

频率:1~150MHZ
尺寸:20.5*20.5mm
插件石英晶振适合用于比较低端的电子产品,比如儿童玩具,普通家用电器,即使在汽车电子领域中也能使产品高可靠性的使用.并且可用于安全控制装置的CPU时钟信号发生源部分,好比时钟单片机上的石英晶振,在恶劣严酷的环境条件下,高精度晶振也能正常工作,具有稳定的起振特性,高耐热性,耐热循环性和耐振性等的高可靠性能,由于在恒温晶体振荡器的底部装了树脂底座,就可作为产品电气特性和高可靠性无受损的表面插件型晶体振荡器使用,满足无铅焊接的回流温度曲线要求.

频率:10~30MHZ
尺寸:25.7*25.7mm
引脚焊接型石英晶体元件.工厂仓库长时间大量库存常用频点,高精度的频率和恒温晶振本身更低的等效串联电阻,常用负载电容.插件石英晶振,因插件型晶体成本更低和更高的批量生产能力,主要应用于电视,机顶盒,LCDM和游戏机家用常规电器数码产品等的俱佳选择.符合RoHS/无铅.