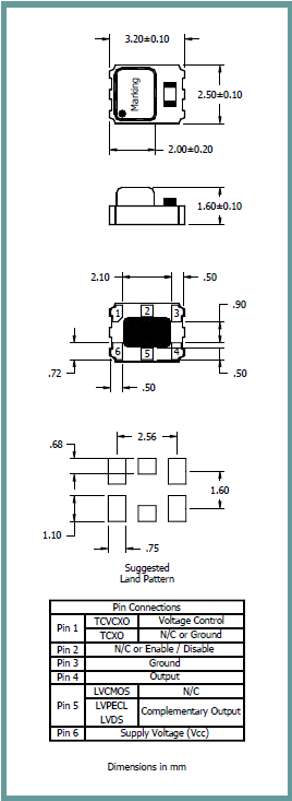
频率:10~1450MHZ
尺寸:3.2*2.5mm
贴片式石英晶体振荡器,低电压启动功率,并且有多种电压供选择,比如有1.8V,2.5V,3.3V,3.8V,5V等,产品被广泛应用于,平板笔记本,卫星系统,光纤通道,千兆以太网,串行ATA,串行连接SCSI,PCI-EXPress的SDH / SONET发射基站等领域.符合RoHS/无铅.
超小型、超低频石英贴片晶振晶片的边缘处理技术:是超小型、超低频石英晶振晶体元器件研发及生产必须解决的技术问题,为压电石英晶振行业的技术难题之一。具体解决的办法是使用高速倒边方式,通过结合以往低速滚筒倒边去除晶振晶片的边缘效应,在实际操作中机器运动方式设计、滚筒的曲率半径、滚筒的长短、使用的研磨砂的型号、多少、填充物种类及多少等各项设计必须合理,有一项不完善都会使石英晶振晶片的边缘效应不能去除,而石英晶振晶片的谐振电阻过大,用在电路中Q值过小,从而电路不能振动或振动不稳定。
ILSI晶振,温补晶振,I593/I793晶振,温补3225晶振,智能手机晶振,产品具有高精度小型的表面贴片型石英晶体振荡器,适用于移动通信终端的基准时钟等移动通信领域.比如智能手机,无线通信,卫星导航,平台基站等数码产品类别,晶振本身小型,薄型具备各类移动通信的基准时钟源用频率,贴片晶振具有优良的电气特性,耐环境性能适用于移动通信领域,满足无铅工作的高温回流温度曲线要求.
ILSI-MMD提供广泛的频率控制产品包装,包括工业标准和定制金属罐通孔表面贴装3225晶振,塑料封装的手表晶体,陶瓷表面贴装晶体和陶瓷表面贴装时钟振荡器.②ILSI-MMD核心频率控制产品:晶体。XO,VCXO,TCXO,OCXO振荡器和谐振器.③ILSI-MMD是用于RF /无线应用的TCXO频率控制产品的市场领导者.④ILSI-MMD是一家通过ISO9001:2008 DNV认证的供应商.⑤ILSI-MMD是全球各合同制造/ EMS供应商的认可供应商.⑥ILSI-MMD通过香港的货运枢纽/仓库为我们的亚洲合同制造和亚洲直接客户提供支持,以简化物流具有35年频率控制产品经验的ILSI-MMD现场应用工程团队.
|
项目 |
符号 |
I593/I793晶振(LVCMOS/LVDS/LVPECL) |
条件 |
|
输出频率范围 |
f0 |
10~1450MHZ |
请联系我们以便获取其它可用频率的相关信息 |
|
电源电压 |
VCC |
+2.5,3.3V |
请联系我们以了解更多相关信息 |
|
储存温度 |
T_stg |
-55℃- +150℃
|
裸存 |
|
工作温度 |
T_use |
-0℃- +70℃ |
请联系我们查看更多资料
|
|
-20℃- +70℃ |
|||
|
-40℃- +85℃ |
|||
|
频率稳定度 |
f_tol |
O: ±1.5× 10-6 |
|
|
P: ±2.0× 10-6 |
|||
|
Q: ±2.5× 10-6 |
|||
|
功耗 |
ICC |
2 mA Max. |
无负载条件、最大工作频率 |
|
待机电流 |
I_std |
10μA Max. |
ST=GND |
|
占空比 |
SYM |
45 % to 55 % |
50 % VCC 极, L_CMOS≦15 pF |
|
输出电压 |
VOH |
-0.5V Min. |
|
|
VOL |
+7.0V Max. |
|
|
|
输出负载条件 |
L_CMOS |
15 pF Max. |
|
|
输入电压 |
VIH |
+2.5% VCC Max. |
ST 终端 |
|
VIL |
+3.3% VCC Max. |
||
|
上升/下降时间 |
tr / tf |
4 ns Max. |
20 % VCC to 80 % VCC 极, L_CMOS=15 pF |
|
振荡启动时间 |
t_str |
3 ms Max. |
t=0 at 90 % |
|
频率老化 |
f_aging |
±1× 10-6 / year Max. |
+25 ℃, 初年度,第一年 |
美国ILSI TCXO Crystal Oscillators型号:
热影响:重复的温度巨大变化可能会降低受损害的美国进口晶振产品特性,并导致塑料封装里的线路击穿。必须避免这种情况。安装方向:振荡器的不正确安装会导致故障以及崩溃,因此安装时,请检查安装方向是否正确。ILSI晶振,温补晶振,I593/I793晶振,温补3225晶振
超声波清洗:(1)使用贴片晶振和表面面滤波器波(SAW)/声表面谐振器的产品,可以通过超声波进行清洗。但是,在某些条件下, 晶振特性可能会受到影响,而且内部线路可能受到损坏。确保已事先检查系统的适用性。(2)使用音叉晶体和陀螺仪传感器的产品无法确保能够通过超声波方法进行清洗,因为晶振可能受到破坏。
(3)请勿清洗开启式晶振产品(4)对于可清洗温补晶振产品,应避免使用可能对产品产生负面影响的清洗剂或溶剂等。(5)焊料助焊剂的残留会吸收水分并凝固。这会引起诸如位移等其它现象。这将会负面影响产品的可靠性和质量。请清理残余的助焊剂并烘干PCB。
ILSI America LLC / ILSI-MMD Inc,作为全球企业可持续的社会的实现,集团一体推进地球环境保全活动。推进了环境考虑的3225贴片型温补晶振产品和服务的产品和服务。为了提供社会,努力维护地球环境。遵守环境相关的法令、条例、限制、协定及其他要求事项,环境负荷的降低和污染的防止努力。ILSI晶振,温补晶振,I593/I793晶振,温补3225晶振
ILSI America LLC / ILSI-MMD Inc.晶振减少污染物排放,对温补晶体振荡器不可再生的资源进行有效利用.减少废物的产生,对其排放的责任进行有效管理,有效地使用能源.通过石英晶振,贴片晶振,温补晶振,石英晶体振荡器设计工艺程序对员工进行培训保护环境以及人们的健康和安全.提供安全使用和废置我们的产品的信息,对环境有重大健康安全和环境的运营现状进行纠正.
ILSI America LLC / ILSI-MMD Inc.晶振公司严格遵守国家有关工程建设法律、法规,不断提高OSC石英振荡器的质量意识和能力,履行合约、信守承诺,坚持开拓创新,不断提升企业的施工技术素质和质量管理水平,以科学学严密的施工管理和真诚的服务让业主高度满意。
服务热线:0755-27839045
Q Q联系:262320519
邮箱:szceob2b@163.com
频率:8~1500MHZ
尺寸:3.2*2.5mm
贴片式3225晶振,低电压启动功率,并且有多种电压供选择,比如有1.8V,2.5V,3.3V,3.8V,5V等,产品被广泛应用于,平板笔记本,卫星系统,光纤通道,千兆以太网,串行ATA,串行连接SCSI,PCI-EXPress的SDH / SONET发射基站等领域.符合RoHS/无铅.

频率:80~170MHZ
尺寸:3.2*2.5mm
3225mm体积的石英晶体振荡器,有源晶振,该产品可驱动2.5V的温补晶振,压控晶振,VC-TCXO晶体振荡器产品,电源电压的低电耗型,编带包装方式,可对应自动高速贴片机自动焊盘,及IR回流焊盘(无铅对应),为无铅产品,小型,质地轻.产品被广泛应用到集成电路,程控交换系统,无线发射基站.

频率:10~1450MHZ
尺寸:3.2*2.5mm
TCXO晶振具有适合于移动通信设备用途的高稳定的频率温度特性.为对应低电源电压的产品.(可对应DC+1.8V±0.1V to+3.2V±0.1V )高度:高1.0 mm,体积:0.007 cm3,重量:0.024g,小型,轻型.低消耗电流,表面贴片型产品.(可对应回流焊)无铅产品.满足无铅焊接的回流温度曲线要求.