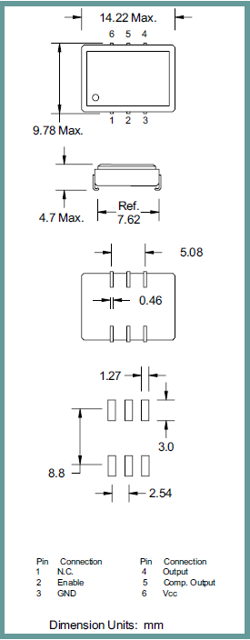
频率:1~750MHZ
尺寸:14.22*9.78mm
小型贴片石英晶振,体积的变小也使产品带来了更高的稳定性能,接缝密封石英晶体振荡器,精度高,覆盖频率范围宽的特点,贴片高速自动安装和高温回流焊设计,Optionable待机输出三态输出功能,电源电压范围:1.8V?5V,高稳定性,低抖动,低功耗,主要应用领域:无线通讯,智能手机,平板笔记本WLAN,蓝牙,数码相机,DSL和各式IT产品的晶振应用,三态功能,PC和LCDM等数码领域,符合RoHS/无铅.
晶振的真空封装技术:是指石英晶振在真空封装区域内进行封装。1.防止外界气体进入组件体内受到污染和增加应力的产生;2.使晶振组件在真空下电阻减小;3.气密性高。此技术为研发及生产超小型、超薄型石英晶振必须攻克的关键技术之一.
艾尔西晶振,有源晶振,ISM68晶振,六脚进口SMD晶振,智能手机晶振,产品具有高精度小型的表面贴片型石英晶体振荡器,适用于移动通信终端的基准时钟等移动通信领域.比如智能手机,无线通信,卫星导航,平台基站等数码产品类别,晶振本身小型,薄型具备各类移动通信的基准时钟源用频率,贴片晶振具有优良的电气特性,耐环境性能适用于移动通信领域,满足无铅工作的高温回流温度曲线要求.
关于ILSI America LLC:成立于1987年,ILSI America LLC在频率控制晶振产品领域已超过25年,一直处于市场领先地位。ILSI America LLC为我们的OEM客户和全球分销合作伙伴提供我们的频率控制产品的一揽子供应链管理解决方案和工程支持。
|
项目 |
符号 |
ISM68晶振(LVPECL/LVDS) |
条件 |
|
输出频率范围 |
f0 |
1~750MHZ |
请联系我们以便获取其它可用频率的相关信息 |
|
电源电压 |
VCC |
+2.5,2.7,3.0,3.3V |
请联系我们以了解更多相关信息 |
|
储存温度 |
T_stg |
-55℃- +125℃
|
裸存 |
|
工作温度 |
T_use |
-40℃- +85℃
|
请联系我们查看更多资料
|
|
-20℃- +70℃ |
|||
|
-0℃- +70℃ |
|||
|
频率稳定度 |
f_tol |
J: ±100× 10-6 |
|
|
J: ±50× 10-6 |
|||
|
J: ±25× 10-6 |
|||
|
功耗 |
ICC |
2 mA Max. |
无负载条件、最大工作频率 |
|
待机电流 |
I_std |
10μA Max. |
ST=GND |
|
占空比 |
SYM |
45 % to 55 % |
50 % VCC 极, L_CMOS≦15 pF |
|
输出电压 |
VOH |
-0.5V Min. |
|
|
VOL |
+7.0V Max. |
|
|
|
输出负载条件 |
L_CMOS |
15 pF Max. |
|
|
输入电压 |
VIH |
+2.5% VCC Max. |
ST 终端 |
|
VIL |
+3.3% VCC Max. |
||
|
上升/下降时间 |
tr / tf |
4 ns Max. |
20 % VCC to 80 % VCC 极, L_CMOS=15 pF |
|
振荡启动时间 |
t_str |
3 ms Max. |
t=0 at 90 % |
|
频率老化 |
f_aging |
±3× 10-6 / year Max. |
+25 ℃, 初年度,第一年 |
美国ILSI OSC Crystal Oscillators型号:
存储事项:(1) 在更高或更低温度或高湿度环境下长时间保存耐冲击晶振时,会影响频率稳定性或焊接性。请在正常温度和湿度环境下保存这些石英晶振产品,并在开封后尽可能进行安装,以免长期储藏。 正常温度和湿度: 温度:+15°C 至 +35°C,湿度 25 % RH 至 85 % RH。 (2) 请仔细处理内外盒与卷带。外部压力会导致卷带受到损坏。艾尔西晶振,有源晶振,ISM68晶振,六脚进口SMD晶振
耐焊性:将Quartz Crystal加热包装材料至+150°C以上会破坏产品特性或损害产品。如需在+150°C以上焊接石英晶振,建议使用SMD晶振产品。在下列回流条件下,对石英晶振产品甚至SMD贴片晶振使用更高温度,会破坏晶振特性。建议使用下列配置情况的回流条件。安装这些贴片晶振之前,应检查焊接温度和时间。同时,在安装条件更改的情况下,请再次进行检查。如果需要焊接的晶振产品在下列配置条件下进行焊接,请联系我们以获取耐热的相关信息。
ILSI进口晶振自动安装和真空化引发的冲击会破坏产品特性并影响这些产品。请设置安装条件以尽可能将冲击降至最低,并确保在安装前未对晶振特性产生影响。条件改变时,请重新检查安装条件。同时,在安装前后,请确保石英晶振产品未撞击机器或其他电路板等。
ILSI America LLC / ILSI-MMD Inc.晶振,作为全球企业可持续的社会的实现,集团一体推进地球环境保全活动。推进了环境考虑的美国石英贴片晶振产品和服务的产品和服务。为了提供社会,努力维护地球环境。遵守环境相关的法令、条例、限制、协定及其他要求事项,环境负荷的降低和污染的防止努力。艾尔西晶振,有源晶振,ISM68晶振,六脚进口SMD晶振
ILSI America LLC / ILSI-MMD Inc.晶振减少污染物排放,对不可再生的资源进行有效利用.减少废物的产生,对基站台发射振荡器其排放的责任进行有效管理,有效地使用能源.通过石英晶振,贴片晶振,温补晶振,石英晶体振荡器设计工艺程序对员工进行培训保护环境以及人们的健康和安全.提供安全使用和废置我们的产品的信息,对环境有重大健康安全和环境的运营现状进行纠正.
ILSI America LLC / ILSI-MMD Inc.晶振公司严格遵守国家有关工程建设法律、法规,不断提高金属面石英贴片晶振的质量意识和能力,履行合约、信守承诺,坚持开拓创新,不断提升企业的施工技术素质和质量管理水平,以科学学严密的施工管理和真诚的服务让业主高度满意。
服务热线:0755-27839045
Q Q联系:262320519
邮箱:szceob2b@163.com
频率:180~750MHZ
尺寸:14.3*10.2mm
VCXO晶振具有适合于移动通信设备用途的高稳定的频率温度特性.为对应低电源电压的产品.(可对应DC+1.8V±0.1V to+3.2V±0.1V )高度:高1.0 mm,体积:0.007 cm3,重量:0.024g,小型,轻型.低消耗电流,表面贴片型产品.(可对应回流焊)无铅产品.满足无铅焊接的回流温度曲线要求.

频率:1~180MHZ
尺寸:14.3*10.2mm
贴片式石英晶体振荡器,低电压启动功率,并且有多种电压供选择,比如有1.8V,2.5V,3.3V,3.8V,5V等,产品被广泛应用于,平板笔记本,卫星系统,光纤通道,千兆以太网,串行ATA,串行连接SCSI,PCI-EXPress的SDH / SONET发射基站等领域.符合RoHS/无铅.

频率:622.08~670MHZ
尺寸:14.2*9.14mm
小型贴片有源晶振,体积的变小也使产品带来了更高的稳定性能,接缝密封Oscillator,精度高,覆盖频率范围宽的特点,贴片高速自动安装和高温回流焊设计,Optionable待机输出三态输出功能,电源电压范围:1.8V?5 V,高稳定性,低抖动,低功耗,主要应用领域:无线通讯,智能手机,平板笔记本WLAN,蓝牙,数码相机,DSL和各式IT产品的晶振应用,三态功能,PC和LCDM等数码领域,符合RoHS/无铅.