Parameter
Symbol
Specifications
Remarks
Frequency range
FN
5.5 ~ 120.0MHz
Fundamental up to 54MHz
3rd overtone above 40MHz
Cut and operation mode
—
AT-Cut / FUND or 3rd OT
Frequency tolerance
Δf/f
±10ppm, ±20ppm, ±30ppm, ±50ppm
Other options available
Stability over operating temp.
TC
±10ppm, ±25ppm, ±50ppm, ±100ppm
Depending on operating temperature
range, other options available
Operating temperature range
TOP
– 20°C ~+70°C or –40°C ~+85°C
up to –40°C ~ +125°C
Options available
Load capacitance
CL
6 to 32pF or SERIES
Please specify load capacitance
Equivalent series resistance
ESR
100Ω MAX
80Ω ~ 70Ω MAX
60Ω ~ 50Ω MAX
50Ω ~ 30Ω MAX
30Ω ~ 20Ω MAX
100Ω ~ 80Ω MAX
FUND mode
FUND mode
FUND mode
FUND mode
FUND mode
3rd OT mode
5.5 ~ 6MHz
6 ~ 10MHz
10 ~ 14MHz
14 ~ 20MHz
20 ~ 54MHz
24 ~ 120MHz
Drive level
DL
100µW TYP, 300µW MAX
—
Aging first year
Δf/y1
±5ppm
@+25°C
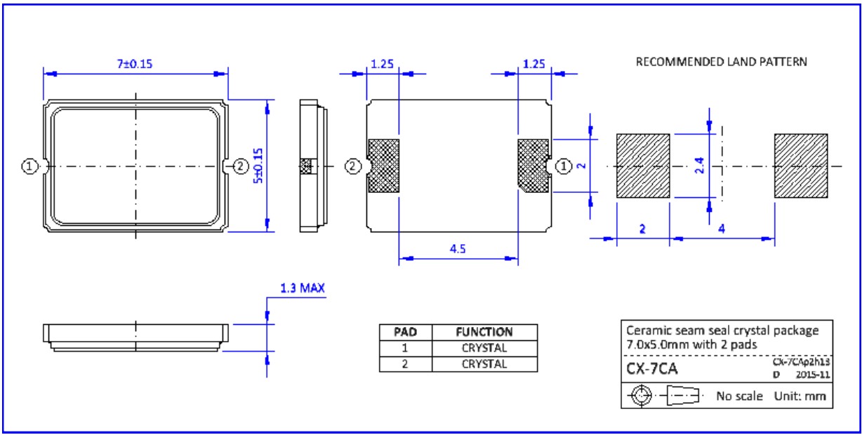
NKG陶瓷谐振器,S7CA100.0000F18M15-EXT,调制解调器6G晶振 尺寸图
NKG陶瓷谐振器,S7CA100.0000F18M15-EXT,调制解调器6G晶振
无源晶振就是石英晶体谐振器的别称,英文名(crystal),无源晶振没有电压的问题,信号电平是可变的,主要用在各种电子线路中起产生频率的作用。是有2个引脚的无极性元件,需要借助于时钟电路才能产生振荡信号,自身无法振荡起来,分为直插式与贴片式。
服务热线:0755-27839045
Q Q联系:262320519
邮箱:szceob2b@163.com


