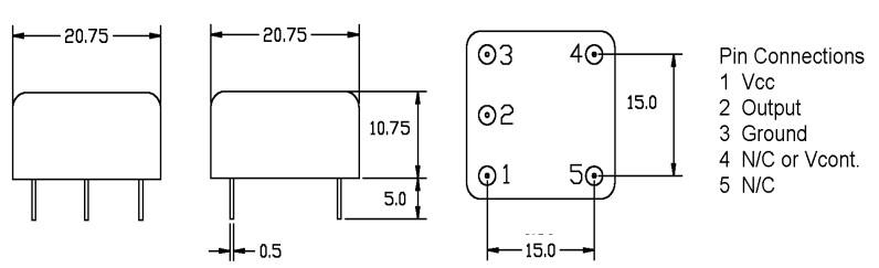
TC23-3T100.000MHz,TC23-3,PDI通孔石英晶振,TCXO振荡器,美国进口晶振,PDI晶振,型号:TC23-3系列,编码为:TC23-3T100.000MHz,频率范围:100MHz,尺寸:20.75x10.75mm,通孔石英晶振,TCXO温补晶振,有源晶振,石英晶体振荡器,温度补偿晶体振荡器(TCXO),TC23-3系列提供了一系列的高频,温度补偿的晶体振荡器,封装在一个强大的,高可靠性的外壳。输出被直接匹配到50W。和该系列提供了一流的性能和精度的选择,电压控制或机械调整。石英晶振,具有低抖动,低功耗,低相位噪声,低电平,低电源电压等特点。应用于:电信晶振,基站晶振,测试系统晶振,仪器设备晶振等。
TC23-3T100.000MHz,TC23-3,PDI通孔石英晶振,TCXO振荡器,参数表
PARAMETER
MINIMUM
MAXIMUM
UNITS
NOMINAL FREQUENCY (Fo)
20
400
MHz
CALIBRATION TOLERANCE
-1
1
ppm
FREQUENCY STABILITY
ppm
Over Temperature Range (See Note 2)
-1
1
Ageing (per year at +25°C)
-1
1
Over Supply Voltage Variation (Vcc = +5.0V ±5.0%)
-0.3
0.3
OPERATING TEMPERATURE RANGE (See Note 2)
0
50
°C
STORAGE TEMPERATURE RANGE
-40
85
°C
SUPPLY VOLTAGE (Vcc) (See Note 2)
2.85
3.15
V
SUPPLY CURRENT (Dependant upon nominal frequency)
10
30
mA
OUTPUT WAVEFORM A.C. COUPLED SINEWAVE
Amplitude
0
5
dBm
Harmonic Distortion
-15
dBc
Sub-harmonic Distortion
-30
dBc
Spurious
-65
dBc
FREQUENCY ADJUSTMENT (Internal trimmer) (Order Code TC23-5T)
±2.0
ppm
VOLTAGE CONTROL +2.5V ±2.0V (Order Code TC23-5V)
±5
ppm

TC23-3T100.000MHz,TC23-3,PDI通孔石英晶振,TCXO振荡器
产品特点:
通孔有源晶振
50W终端
密封包装
400MHz工作频率
应用程序:电信,基站,测试系统,仪器
注:
1)在订购时,应随时说明零件号、选项和标称频率,如TC23-3T100.000MHz
2)其他温度范围、稳定性和电源电压
3)可根据要求提供的其他规格书。
服务热线:0755-27839045
Q Q联系:262320519
邮箱:szceob2b@163.com


