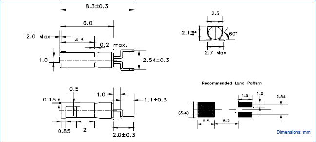
频率:32.768KHz 尺寸:8.3*2.7mm
普通石英晶振,外观完全使用金属材料封装的,产品本身采用全自动石英晶体检测仪,以及跌落,漏气等苛刻实验.产品本身具有高稳定性,高可靠性的石英晶体谐振器,焊接方面支持表面贴装,外观采用金属封装,具有充分的密封性能,晶振本身能确保其高可靠性,采用编带包装,可对应产品应用到自动贴片机告诉安装,满足无铅焊接的高温回流温度曲线要求.

Abracon晶振,AB26TRJ晶振,无源晶振,Abracon llc晶振集团是全球频率控制、信号调节、时钟分布和磁性元件的制造商.Abracon提供广泛的石英晶体、晶体和MEMS振荡器、压电石英晶体、有源晶体、压电陶瓷谐振器,实时时钟、天线、蓝牙模块、陶瓷谐振器、电感滤波器和谐振器、电感器、变压器和电路保护元件.
Abracon llc晶振集团已通过iso9001:2008认证,在加州和伊利诺斯州拥有设计和应用工程资源;在得克萨斯州、加利福尼亚州、中国、台湾、新加坡、苏格兰和德国的销售办事处,主要生产销售石英晶振,石英晶体,贴片晶振,石英晶体振荡器,有源晶振等.
|
Abracon晶振规格 |
单位 |
AB26TRJ晶振频率范围 |
石英晶振基本条件 |
|
标准频率 |
f_nom |
32.768KHz |
标准频率 |
|
储存温度 |
T_stg |
-55°C ~ +125°C |
裸存 |
|
工作温度 |
T_use |
-40°C ~ +85°C |
标准温度 |
|
激励功率 |
DL |
1μW |
推荐:1μW ~ 100μW |
|
频率公差 |
f_— l |
±20 × 10-6 (标准) |
+25°C 对于超出标准的规格说明,请联系我们以便获取相关的信息, http://www.jingzhen95.com |
|
频率温度特征 |
f_tem |
±20× 10-6/-40°C ~ +85°C |
超出标准的规格请联系我们. |
|
负载电容 |
CL |
12.5PF |
不同负载电容要求,请联系我们. |
|
串联电阻(ESR) |
R1 |
如下表所示 |
-40°C — +85°C, DL = 100μW |
|
频率老化 |
f_age |
±3 × 10-6 / year Max. |
+25°C,第一年 |

所有产品的共同点
1:抗冲击
抗冲击是指晶振产品可能会在某些条件下受到损坏。例如从桌上跌落,摔打,高空抛压或在贴装过程中受到冲击。如果产品已受过冲击请勿使用。因为无论何种石英晶振,其内部晶片都是石英晶振制作而成的,高空跌落摔打都会给晶振照成不良影响。
2:辐射
将贴片晶振暴露于辐射环境会导致产品性能受到损害,因此应避免阳光长时间的照射。
3:化学制剂 / pH值环境
请勿在PH值范围可能导致腐蚀或溶解石英晶振或包装材料的环境下使用或储藏这些产品。
4:粘合剂
请勿使用可能导致石英晶振所用的封装材料,终端,组件,玻璃材料以及气相沉积材料等受到腐蚀的胶粘剂。(比如,氯基胶粘剂可能腐蚀一个晶振的金属“盖”,从而破坏密封质量,降低性能。)5:卤化合物
请勿在卤素气体环境下使用晶振。即使少量的卤素气体,比如在空气中的氯气内或封装所用金属部件内,都可能产生腐蚀。同时,请勿使用任何会释放出卤素气体的树脂。
6:静电
过高的静电可能会损坏贴片晶振,请注意抗静电条件。请为容器和封装材料选择导电材料。在处理的时候,请使用电焊枪和无高电压泄漏的测量电路,并进行接地操作。Abracon晶振,AB26TRJ晶振,无源晶振

Abracon晶振集团环保环境与发展对策:实行可持续发展战略.采取有效措施,防治工业污染.提高能源利用效率,改善能源结构.运用经济手段保护环境.大力推进科技进步,加强环境科学研究,积极发展环境保护产业.健全环境法规,强化环境管理.加强环境教育,不断提高环境意识.
Abracon llc晶振减少污染物排放,对不可再生的资源进行有效利用.减少废物的产生,对其排放的责任进行有效管理,有效地使用能源.通过设计工艺程序对员工进行培训保护环境以及人们的健康和安全.提供安全使用和废置我们的石英晶振、32.768K晶振的信息,对环境有重大健康安全和环境的运营现状进行纠正.
Abracon llc晶振集团采用系统的方法来解决石英晶振,有源晶振, 无源晶振, 石英水晶振荡子对环境影响开发和销售拥有最有利的环境特性同时又满足最高可能功效标准的晶振,石英晶振,有源晶振等压电石英晶体器件。

服务热线:0755-27839045
Q Q联系:262320519
邮箱:szceob2b@163.com


CTS西迪斯振荡器,长方型钟振,MXO45T-2C-27M000000,6G模块,美国进口晶振,西迪斯晶振,有源贴片晶振,时钟振荡器,有源插件振荡器,6G模块专用晶振,OSC晶振,CTS MXO45和MXO45HS是传统的通孔时钟振荡器,提供了一个低成本的设计,支持旧的HCMOS/TTL应用程序。MXO45/MXO45HS不推荐用于新的设计活动,但可用于支持为完整和半尺寸的金属DIP包开发的现有应用程序。
Oscillator Crystal产品应用领域:计算机和外设,微控制器和FPGAs,存储区域网络,宽带接入,数据通信,网络设备,以太网/千兆以太网,光纤通道,测试和测量,6G模块等领域。CTS西迪斯振荡器,长方型钟振,MXO45T-2C-27M000000,6G模块.

频率: 1~200MHz 尺寸:2.5*2.0mm,3.2*2.5mm,5.0*3.2mm,5.0*7.0mm
SiTime MEMS硅晶振,是一种采用半导体标准半导体工艺制程,将先进的MEMS微机电系统与CMOS电路技术相结合的高性能全硅时钟频率元件,彻底解决有人工大量参与生产的石英振荡器稳定性不高,频率有限,尺寸较大,品质一致性差,易停振、不起振、温漂大、备货时间长,并且受材料特性限制产能等一系列问题。