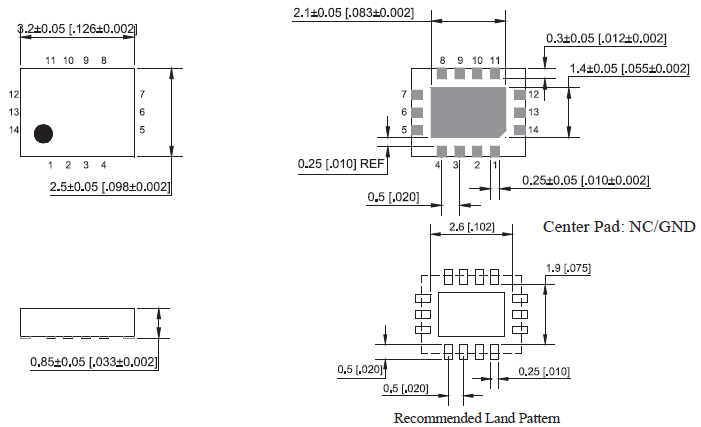
频率:2.3~460MHz 尺寸:3.2*2.5mm
小型SMD有源晶振,更高的稳定性能,接缝密封石英晶体振荡器,精度高,覆盖频率范围宽的特点,SMD高速自动安装和高温回流焊设计,Optionable待机输出三态输出功能,电源电压范围:1.8V?5 V,高稳定性,低抖动,低功耗,主要应用领域:无线通讯,高端智能手机,平板笔记本WLAN,蓝牙,数码相机,DSL和其他IT产品的晶振应用,三态功能,PC和LCDM等高端数码领域,符合RoHS/无铅.

Abracon晶振,ASEMDHLP晶振,贴片晶振,2013年11月,Abracon llc晶振集团在德克萨斯州奥斯汀建立了一个新的中西部订单执行中心.这种扩张是必要的,因为Abracon晶振的快速增长和更好的服务于我们的东海岸和欧洲的客户.Abracon llc晶振集团供应石英晶体,贴片晶振,有源晶振,压电晶振,石英晶体振荡器等.广泛用于与商业、工业、消费者和选择的军事应用等.

|
项目 |
符号 |
ASEMDHLP晶振规格说明 |
条件 |
|
输出频率范围 |
f0 |
2.3MHz to 460MHz |
请联系我们以便获取其它可用频率的相关信息 |
|
电源电压 |
VCC |
2.25 V to 3.6 V |
请联系我们以了解更多相关信息 |
|
储存温度 |
T_stg |
-55℃ to +150℃ |
裸存 |
|
工作温度 |
T_use |
-20℃ to +70℃ |
请联系我们查看更多资料http://www.jingzhen95.com/ |
|
|
|||
|
频率稳定度 |
f_tol |
J: ±10 × 10-6 |
|
|
L: ±10 × 10-6 |
|||
|
T: ±25 × 10-6 |
|||
|
功耗 |
ICC |
23 mA Max. |
无负载条件、最大工作频率 |
|
待机电流 |
I_std |
1μA Max. |
ST=GND |
|
占空比 |
SYM |
45 % to 55 % |
50 % VCC 极, L_CMOS≦15 pF |
|
输出电压 |
VOH |
VCC-0.4V Min. |
|
|
VOL |
0.4 V Max. |
|
|
|
输出负载条件 |
L_CMOS |
15 pF Max. |
|
|
输入电压 |
VIH |
80% VCC Max. |
ST 终端 |
|
VIL |
20 % VCC Max. |
||
|
上升/下降时间 |
tr / tf |
20 ns Max. |
20 % VCC to 80 % VCC 极, L_CMOS=15 pF |
|
振荡启动时间 |
t_str |
5 ms Max. |
t=0 at 90 % |
|
频率老化 |
f_aging |
±5 × 10-6 / year Max. |
+25 ℃, 初年度,第一年 |


所有产品的共同点
机械振动的影响
当石英晶体产品上存在任何给定冲击或受到周期性机械振动时,比如:压电扬声器,压电蜂鸣器,以及喇叭等,输出频率和幅度会受到影响。这种现象对通信器材通信质量有影响。尽管晶体产品设计可最小化这种机械振动的影响,我们推荐事先检查并按照下列安装指南进行操作。
自动安装时的冲击
自动安装和真空化引发的冲击会破坏产品特性并影响这些产品。请设置安装条件以尽可能将冲击降至最低,并确保在安装前未对产品特性产生影响。条件改变时,请重新检查安装条件。同时,在安装前后,请确保晶体产品未撞击机器或其他电路板等。
操作
请勿用镊子或任何坚硬的工具,夹具直接接触IC的表面。
使用环境(温度和湿度)
请在规定的温度范围内使用SMD晶振产品。这个温度涉及本体的和季节变化的温度。在高湿环境下,会由于凝露引起故障。请避免凝露的产生。
晶体单元/谐振器
激励功率
在晶体单元上施加过多驱动力,会导致石英晶体谐振器产品特性受到损害或破坏。电路设计必须能够维持适当的激励功率 (请参阅“激励功率”章节内容)。Abracon晶振,ASEMDHLP晶振,贴片晶振

Abracon晶振集团环保方针
1.Abracon晶振集团环保环境与发展对策:实行可持续发展战略.采取有效措施,防治工业污染.提高能源利用效率,改善能源结构.运用经济手段保护环境.大力推进科技进步,加强环境科学研究,积极发展环境保护产业.健全环境法规,强化环境管理.加强环境教育,不断提高环境意识.
2.Abracon llc晶振集团采用系统的方法来解决石英晶振,有源晶振, 压电石英晶体, 石英水晶振荡子对环境影响
3.无论Abracon llc晶振集团在世界何处,其经营都应保证生产过程和产品符合同等的环境标准,确保业务合作伙伴对环境问题同等关注.从事并参与环境领域的研究和开发活动,以公开和客观的方式提供有关其环境影响的信息.
4.Abracon llc晶振公司的目标是保证石英晶振,贴片晶振,晶体振荡器,有源晶振产品继续满足客户要求的同时对环境的影响降到最小,在生产过程中不断节约能源和资源,努力实现环境管理体系与环境行为持续改进.
5.Abracon llc晶振减少污染物排放,对不可再生的资源进行有效利用.减少废物的产生,对其排放的责任进行有效管理,有效地使用能源.通过设计工艺程序对员工进行培训保护环境以及人们的健康和安全.提供安全使用和废置我们的3225贴片晶振的信息,对环境有重大健康安全和环境的运营现状进行纠正.
6.要积极开展安全经验分享活动,让每一个单位、每一个人的经验和教训变成大家的经验,成为企业的财富.Abracon晶振,ASEMDHC晶振,有源MEMS振荡器

服务热线:0755-27839045
Q Q联系:262320519
邮箱:szceob2b@163.com


