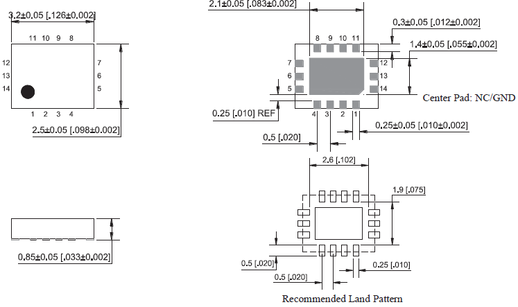
频率:2.3~460MHz 尺寸:3.2*2.5mm
有源晶振,是只晶体本身起振需要外部电压供应,起振后可直接驱动CMOS 集成电路,产品本身已实现与薄型IC(TSSOP封装,TVSOP封装)同样的1mm厚度,断开时的消费电流是15 μA以下,编带包装方式可对应自动搭载及IR回流焊接(无铅对应)产品有几种电压供选1.8V,2.5V,3V3.3V,5V,以应对不同IC产品需要..

Abracon晶振,ASEMDLV晶振,欧美进口晶振,2013年11月,Abracon llc晶振集团在德克萨斯州奥斯汀建立了一个新的中西部订单执行中心.这种扩张是必要的,因为Abracon晶振的快速增长和更好的服务于我们的东海岸和欧洲的客户.Abracon提供广泛的石英晶体、晶体和有源MEMS振荡器、压电石英晶体元器件、压电石英晶体、有源晶体、压电陶瓷谐振器,实时时钟、天线、蓝牙模块、陶瓷谐振器、电感滤波器和谐振器、电感器、变压器和电路保护元件.

|
项目 |
符号 |
ASEMDLV晶振规格说明 |
条件 |
|
输出频率范围 |
f0 |
2.3MHz to 460MHz |
请联系我们以便获取其它可用频率的相关信息 |
|
电源电压 |
VCC |
2.25 V to 3.6 V |
请联系我们以了解更多相关信息 |
|
储存温度 |
T_stg |
-55℃ to +150℃ |
裸存 |
|
工作温度 |
T_use |
-20℃ to +70℃ |
请联系我们查看更多资料http://www.jingzhen95.com/ |
|
|
|||
|
频率稳定度 |
f_tol |
J: ±10 × 10-6 |
|
|
L: ±10 × 10-6 |
|||
|
T: ±25 × 10-6 |
|||
|
功耗 |
ICC |
23 mA Max. |
无负载条件、最大工作频率 |
|
待机电流 |
I_std |
1μA Max. |
ST=GND |
|
占空比 |
SYM |
45 % to 55 % |
50 % VCC 极, L_CMOS≦15 pF |
|
输出电压 |
VOH |
VCC-0.4V Min. |
|
|
VOL |
0.4 V Max. |
|
|
|
输出负载条件 |
L_CMOS |
15 pF Max. |
|
|
输入电压 |
VIH |
80% VCC Max. |
ST 终端 |
|
VIL |
20 % VCC Max. |
||
|
上升/下降时间 |
tr / tf |
20 ns Max. |
20 % VCC to 80 % VCC 极, L_CMOS=15 pF |
|
振荡启动时间 |
t_str |
5 ms Max. |
t=0 at 90 % |
|
频率老化 |
f_aging |
±5 × 10-6 / year Max. |
+25 ℃, 初年度,第一年 |


卤化合物
请勿在卤素气体环境下使用产品。即使少量的卤素气体,比如在空气中的氯气内或封装所用金属部件内,都可能产生腐蚀。同时,请勿使用任何会释放出卤素气体的树脂。
静电
过高的静电可能会损坏产品,请注意抗静电条件。请为容器和封装材料选择导电材料。在处理的时候,请使用电焊枪和无高电压泄漏的测量电路,并进行接地操作。
噪音
在电源或输入端上施加执行级别(过高)的不相干(外部的)噪音,可能导致会引发功能失常或击穿的闭门或杂散现象。
电源线路
电源的线路阻抗应尽可能低。
电源线路
电源的线路阻抗应尽可能低。
输出负载
建议将输出负载安装在尽可能靠近振荡器的地方(在20 mm范围之间)。
未用输入终端的处理
未用针脚可能会引起噪声响应,从而导致非正常工作。同时,当P通道和N通道都处于打开时,电源功率消耗也会增加;因此,请将未用输入终端连接到VCC 或GND。

Abracon晶振集团环保方针
要毫不松懈地抓好安全环保工作,坚持把“环保优先、安全第一、质量至上、以人为本”的理念落实到压电石英晶体、有源晶体,石英晶振,贴片晶振生产建设全过程.
带动各项安全环保工作规范化、程序化、科学化管理,加快实现安全环保形势持续好转、根本好转的工作思路.
对不可再生的资源进行有效利用.减少废物的产生,对其排放的责任进行有效管理,有效地使用能源.通过设计工艺程序对员工进行培训保护环境以及人们的健康和安全.提供安全使用和废置我们的石英晶振、石英晶体振荡器的信息,对环境有重大健康安全和环境的运营现状进行纠正.
Abracon llc晶振深入贯彻落实科学发展观,牢固树立安全发展理念,强化责任,狠抓落实,加强防范,坚决遏制重特大事故发生.Abracon晶振,ASEMDLV晶振,欧美进口晶振

服务热线:0755-27839045
Q Q联系:262320519
邮箱:szceob2b@163.com


531BB125M000DGR,Si531血氧仪晶振,思佳讯7050差分晶振,尺寸7.0*5.0mm,频率125MHZ,输出逻辑LVDS,电压3.3V,频率稳定性20ppm,美国Skyworks晶振,Skyworks有源晶振,有源贴片晶振,石英差分晶振,贴片差分晶振,LVDS输出晶振,差分晶体振荡器,Oscillator Crystal,差分晶振,7050mm差分晶振,125MHZ差分晶振,低电压差分晶振,低抖动差分晶振,低功耗差分晶振,低耗能差分晶振,低相位差分晶振,低相噪差分晶振,高性能差分晶振,高精度差分晶振,血氧仪差分晶振,测试测量差分晶振,电信差分晶振,数字视频差分晶振,室内基站差分晶振,卫星通讯差分晶振,具有高精度高性能的特点。
Si530/531 XO差分晶振采用Skyworks Solutions的先进DSPLL®电路以提供高频下的低抖动时钟。Si530/531可用具有从10到945MHz的任意速率输出频率,并选择频率1400兆赫。与传统XO不同,在传统XO中每个输出频率,Si530/531使用一个固定晶体来提供宽范围的输出频率。531BB125M000DGR,Si531血氧仪晶振,思佳讯7050差分晶振.

SSI012000I3CHE-T,HELE加高水晶振荡子,HSO531S时钟振荡器,尺寸5.0*3.2mm,频率12MHZ,频率稳定度±50ppm,工作电压3V~3.6V,工作温度-40℃~+85℃,台湾加高晶振,HELE有源晶振,石英晶体振荡器,石英有源晶振,OSC贴片振荡器,SMD振荡器,有源贴片晶振,Oscillator Crystal,有源晶体振荡器,石英振荡子,智能手机专用有源晶振,小型设备有源晶振,蓝牙音响有源晶振,测试设备有源晶振,无线模块有源晶振,室外基站有源晶振,无线路由器有源晶振,低电压有源晶振,低损耗有源晶振,低相位有源振荡器,低功耗有源晶振,高性能有源晶振,高品质有源晶振,低抖动有源晶振,低相噪有源晶振,具有良好的可靠性能.
OSC晶振产品常常用于智能手机,小型设备,蓝牙音响,测试设备,无线模块,室外基站,无线路由器等领域.SSI012000I3CHE-T,HELE加高水晶振荡子,HSO531S时钟振荡器.