频率:8~1500MHz
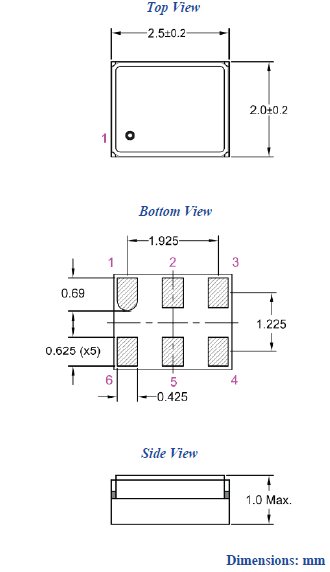
尺寸:2.5*2.0*1.0mm
2520晶振可以说是目前小型数码产品的福音,目前超小型的智能手机里面所应用的就是小型的石英晶振,该产品最适用于无线通讯系统,无线局域网,已实现低相位噪声,低电压,低消费电流和高稳定度,超小型,质量轻等产品特点,产品本身编带包装方式,可对应自动高速贴片机应用,以及高温回流焊接(产品无铅对应),为无铅产品.
Abracon Oscillator-1GHz-±50ppm-15pF晶振
制造商
Abracon Oscillator
产地
美国
产品编码
ASG2-D-V-A-1000.000MHZ-T
频率
1GHz
负载
15pF
温度范围
-40°c~+85°c
频率偏差
±50ppm
封装
金属面贴片
尺寸
2.5*2.0*1.0mm
|
Abracon晶振 |
ASG2-D晶振 |
|
输出类型 |
LVDS |
|
振荡模式 |
基本/第三泛音 |
|
电源电压 |
+2.5V,+3.3V |
|
频率范围 |
8~1500MHz |
|
频率稳定度 |
±50ppm |
|
工作温度 |
-40~+85℃ |
|
保存温度 |
-55~+125℃ |
|
电压卷(最大值)/ VOH(最小值) |
0.1 VDD / 0.9 VDD |
|
启动时间 |
5 ms Max. |
|
相位抖动(12兆赫~20兆赫) |
1个PS最大. |
|
老化率 |
±3 ppm /年最大. |
晶振使用注意事项
使用晶振时,请在产品规格说明或产品目录规定使用条件下使用.
美国进口晶振的设计和生产满足它的规格书.通过严格的出厂前可靠性测试以提供高质量高可靠性的产品.但是为了产品的品质和可靠性,必须在适当的条件下存储,安装,运输晶振.请注意以下的注意事项并在最佳的条件下使用产品,我们将对于客户按自己的判断而使用产品所导致的不良不负任何责任.
所有产品的共同点
抗冲击
进口晶振可能会在某些条件下受到损坏.例如从桌上跌落或在贴装过程中受到冲击.如果晶振已受过冲击请勿使用.
辐射
暴露于辐射环境会导致晶振受到损害,因此应避免照射.
化学制剂/pH值环境
请勿在PH值范围可能导致腐蚀或溶解产品或包装材料的环境下使用或储藏晶振.
粘合剂
请勿使用可能导致产品所用的封装材料,终端,组件,玻璃材料以及气相沉积材料等受到腐蚀的胶粘剂.(比如,氯基胶粘剂可能腐蚀一个晶体单元的金属“盖”,从而破坏密封质量,降低性能.)
卤化合物
请勿在卤素气体环境下使用智能手机晶振.即使少量的卤素气体,比如在空气中的氯气内或封装所用金属部件内,都可能产生腐蚀.同时,请勿使用任何会释放出卤素气体的树脂.
静电
过高的静电可能会损坏石英水晶振子,请注意抗静电条件.请为容器和封装材料选择导电材料.在处理的时候,请使用电焊枪和无高电压泄漏的测量电路,并进行接地操作.
Abracon晶振集团将有效率的使用自然资源和能源,以便从源头减少废物产生和排放.我们将在关注于预防环境和安全事故,保护公众健康的同时,努力改进我们的操作.我公司将积极参与加强公众环境、健康和安全意识的活动,提高公众对普遍的环境、健康和安全问题的注意.
所有的经营组织都将积极应用国际标准以及适用的法律法规.为促进合理有效的公共政策的制订实施加强战略联系.
Abracon晶振集团消除事故和环境方面的偶发事件,石英晶振、贴片晶振材料废物的产生和排放,有效的使用能源和各种自然资源,对紧急事件做好充分准备,以便及时做出反应.
对我们的产品进行检验,同时告知我们的员工顾客以及公众,如何安全的使用,如何使用对环境影响较小,帮助我们的雇员合同方商业伙伴服务提供上理解他们的行为如何影响着环境.
Abracon晶振遵守所有适用的有关环境、健康和安全的法律和法规以及公司自己的有关环境、工业卫生和安全的方针和承诺.
与我们的员工一起开创并保持一个免于事故的工作场所.
Abracon晶振重视污染预防,消除偏离程序的行为强调通过员工努力这一最可行的方法持续改进我们经营活动的环境绩效.
Abracon晶振将持续的环境、健康和安全方面的改进、污染预防和员工的努力纳入日常运行当中.加强污染防治,减少现有的污染废弃物以及在未来晶体谐振器,2520晶振,石英晶振生产制造中所产生的污染.
Abracon晶振石英晶振环保环境与发展对策:实行可持续发展战略.采取有效措施,防治工业污染.提高能源利用效率,改善能源结构.运用经济手段保护环境.大力推进科技进步,加强环境科学研究,积极发展环境保护产业.健全环境法规,强化环境管理.加强环境教育,不断提高环境意识.
Abracon晶振减少污染物排放,对不可再生的资源进行有效利用.减少废物的产生,对其排放的责任进行有效管理,有效地使用能源.通过石英晶振,贴片晶振,温补晶振,石英晶体振荡器设计工艺程序对员工进行培训保护环境以及人们的健康和安全.提供安全使用和废置我们的产品的信息,对环境有重大健康安全和环境的运营现状进行纠正.
Abracon晶振集团保持就健康安全环境问题与临近摄取进行对话.通过在环境控制方面实施优秀的管理实践,以保护环境和全球运作相关的自然资源.向员工灌输环境价值观,在所有的晶振,石英晶振,有源晶振,压控振荡器产品和生产过程中应用最佳环境实用技术,为全球可持续发展做出贡献.
我们将依据技术进步以及对安全、健康和环境科学全新的解释持续地改进我们的业务.
我们将追求在资源利用上的零废物率.贴片晶振、3225晶振、有源晶振原材料将得到循环和再利用以最大限度地减少对其处理量,同时节约资源.在废物的滋生地,废物将被安全、负责地处理掉.
服务热线:0755-27839045
Q Q联系:262320519
邮箱:szceob2b@163.com

频率:8~1500MHz
尺寸:2.5*2.0mm
小型贴片石英晶振,外观尺寸具有薄型表面贴片型石英晶体振荡器,特别适用于有小型化要求的市场领域,比如智能手机,无线蓝牙,平板电脑等电子数码产品.晶振本身超小型,薄型,重量轻,晶体具有优良的耐环境特性,如耐热性,耐冲击性,在办公自动化,家电相关电器领域及Bluetooth,WirelessLAN等短距离无线通信领域可发挥优良的电气特性,满足无铅焊接的回流温度曲线要求.