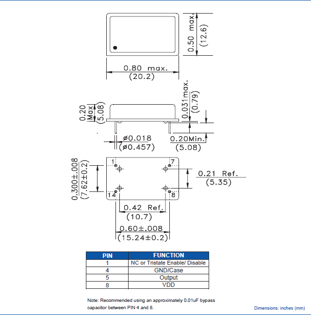
频率:1~85MHz 尺寸:20.2*12.6mm
插件石英晶振最适合用于比较低端的电子产品,比如儿童玩具,普通家用电器,即使在汽车电子领域中也能使产品高可靠性的使用.并且可用于安全控制装置的CPU时钟信号发生源部分,好比时钟单片机上的石英晶振,在极端严酷的环境条件下,晶振也能正常工作,具有稳定的起振特性,高耐热性,耐热循环性和耐振性等的高可靠性能。

Abracon晶振,ACOL1晶振,插件石英晶体,Abracon llc晶振集团已通过iso9001:2008认证,在加州和伊利诺斯州拥有设计和应用工程资源;在得克萨斯州、加利福尼亚州、中国、台湾、新加坡、苏格兰和德国的销售办事处,主要生产销售石英晶振,石英晶体,贴片晶振,石英晶体振荡器,有源晶振等.
Abracon llc晶振集团供应石英晶体,贴片晶振,有源晶振,压电晶振,石英晶体振荡器等.广泛用于与商业、工业、消费者和选择的军事应用等.

|
项目 |
符号 |
ACOL1晶振规格说明 |
条件 |
|
输出频率范围 |
f0 |
1~85MHz |
请联系我们以便获取其它可用频率的相关信息 |
|
电源电压 |
VCC |
2.5V |
请联系我们以了解更多相关信息 |
|
储存温度 |
T_stg |
-55℃ to +125℃ |
裸存 |
|
工作温度 |
T_use |
G: 0℃ to +70℃ |
请联系我们查看更多资料http://www.jingzhen95.com/ |
|
|
|||
|
频率稳定度 |
f_tol |
J: ±100× 10-6 |
|
|
|
|||
|
功耗 |
ICC |
85 mA Max. |
无负载条件、最大工作频率 |
|
待机电流 |
I_std |
3.3μA Max. |
ST=GND |
|
占空比 |
SYM |
45 % to 55 % |
50 % VCC 极, L_CMOS≦15 pF |
|
输出电压 |
VOH |
VCC-0.4V Min. |
|
|
VOL |
0.4 V Max. |
|
|
|
输出负载条件 |
L_CMOS |
15 pF Max. |
|
|
输入电压 |
VIH |
80% VCC Max. |
ST 终端 |
|
VIL |
20 % VCC Max. |
||
|
上升/下降时间 |
tr / tf |
100 ns Max. |
20 % VCC to 80 % VCC 极, L_CMOS=15 pF |
|
振荡启动时间 |
t_str |
10 ms Max. |
t=0 at 90 % |
|
频率老化 |
f_aging |
±5 × 10-6 / year Max. |
+25 ℃, 初年度,第一年 |

石英晶振各项注意事项:
晶振产品使用每种产品时,请在陶瓷晶振规格说明或产品目录规定使用条件下使用.因很多种晶振产品性能,以及材料有所不同,所以使用注意事项也有所不同,比如焊接模式,运输模式,保存模式等等,都会有所差别. 晶振产品的设计和生产直到出厂,都会经过严格的测试检测来满足它的规格要求.通过严格的出厂前可靠性测试以提供高质量高的可靠性的陶瓷晶振.但是为了陶瓷晶振的品质和可靠性,必须在适当的条件下存储,安 装,运输.请注意以下的注意事项并在最佳的条件下使用产品,我们将对于客户按自己的判断而使用晶振所导致的不良不负任何责任.
机械振动的影响
当晶振产品上存在任何给定冲击或受到周期性机械振动时,比如:压电扬声器,压电蜂鸣器,以及喇叭等,输出频率和幅度会受到影响.这种现象对通信器材通信质量有影响.尽管石英晶振产品设计可最小化这种机械振动的影响,我们推荐事先检查并按照下列安装指南进行操作.Abracon晶振,ACOL1晶振,插件石英晶体

Abracon晶振集团环保方针
1.Abracon晶振集团环保环境与发展对策:实行可持续发展战略.采取有效措施,防治工业污染.提高能源利用效率,改善能源结构.运用经济手段保护环境.大力推进科技进步,加强环境科学研究,积极发展环境保护产业.健全环境法规,强化环境管理.加强环境教育,不断提高环境意识.
2.Abracon llc晶振保持就健康安全环境问题与临近摄取进行对话.通过在环境控制方面实施优秀的管理实践,以保护环境和与强生公司全球运作相关的自然资源.
3.向员工灌输环境价值观,在所有的压控晶体振荡器(VCXO)、有源晶体和生产过程中应用最佳环境实用技术,为全球可持续发展做出贡献。
4.在我们的环境范围允许的情况下,我们致力于防止污染.最低限度我们将确保遵守所有相关的环境法规和规章和内部环境程序.在此之上,我们将不断努力改善我们的环境性能.
5.在选择有源晶振,石英晶体振荡器,SMD晶振,原材料供应商和承包商时考虑环境因素,从而减少污染.进一步减少污染。
6.合理使用资源.减少使用和再利用,或者尽可能地回收利用.我们确保这一政策在我们的运营过程中得到贯彻执行。Abracon晶振,ACOL1晶振,插件石英晶体

服务热线:0755-27839045
Q Q联系:262320519
邮箱:szceob2b@163.com


