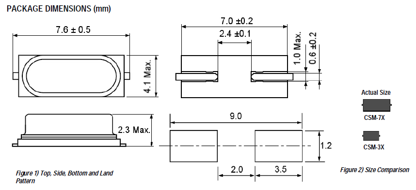
频率:25MHz 尺寸:7.6*4.1mm
普通石英晶振,外观完全使用金属材料封装的,产品本身采用全自动石英晶体检测仪,以及跌落,漏气等苛刻实验.产品本身具有高稳定性,高可靠性的石英晶体谐振器,焊接方面支持表面贴装,外观采用金属封装,具有充分的密封性能,晶振本身能确保其高可靠性,采用编带包装,可对应产品应用到自动贴片机告诉安装,满足无铅焊接的高温回流温度曲线要求.

ECS晶振,CSM-3X晶振,ECS-250-20-3X-TR晶振,25M晶振,ECS Inc晶振有大约100家联合销售办事处和遍布全球15个国家的合作伙伴.我们有世界级的市场营销、销售、分销、工程和客户服务团队,他们每天都参与一个全球性的技术网络,他们的焦点仅仅是为客户提供最好的解决方案。
ECS Inc集团拥有顶尖人才和技术,以及创新的产品开发理念,使其能够解决复杂的客户问题.石英晶振,贴片晶振,有源晶振,压电水晶的批量生产在日本、中国、台湾和韩国的世界级认证的制造设施.内部检测和测试确保所有产品达到或超过ECS公司的质量保证标准.这些制造地点拥有最严格的质量管理认证,开始于ISO 9001 / 2008、同位素的ISO14001和AECQ产品的国际组织。
|
ECS Inc晶振规格 |
单位 |
CSM-3X晶振频率范围 |
石英晶振基本条件 |
|
标准频率 |
f_nom |
25MHz |
标准频率 |
|
储存温度 |
T_stg |
-40°C ~ +85°C |
裸存 |
|
工作温度 |
T_use |
-10°C ~ +70°C |
标准温度 |
|
激励功率 |
DL |
100μW .Max |
推荐:1μW ~ 100μW |
|
频率公差 |
f_— l |
±30 × 10-6 (标准), |
+25°C 对于超出标准的规格说明, |
|
频率温度特征 |
f_tem |
±50 × 10-6/-10°C ~ +70°C |
超出标准的规格请联系我们. |
|
负载电容 |
CL |
20pF |
不同负载要求,请联系我们. |
|
串联电阻(ESR) |
R1 |
如下表所示 |
-40°C — +85°C, DL = 100μW |
|
频率老化 |
f_age |
±3 × 10-6 / year Max. |
+25°C,第一年 |


使用每种产品时,请在产品规格说明或产品目录规定使用条件下使用。
抗冲击
石英晶体产品可能会在某些条件下受到损坏。例如从桌上跌落或在贴装过程中受到冲击。如果产品已受过冲击请勿使用。
辐射
暴露于辐射环境会导致产品性能受到损害,因此应避免照射。
化学制剂 / pH值环境
请勿在PH值范围可能导致腐蚀或溶解产品或包装材料的环境下使用或储藏这些产品。
粘合剂
请勿使用可能导致石英晶体谐振器所用的封装材料,终端,组件,玻璃材料以及气相沉积材料等受到腐蚀的胶粘剂。 (比如,氯基胶粘剂可能腐蚀一个晶体单元的金属“盖”,从而破坏密封质量,降低性能。)
卤化合物
请勿在卤素气体环境下使用产品。即使少量的卤素气体,比如在空气中的氯气内或封装所用金属部件内,都可能产生腐蚀。同时,请勿使用任何会释放出卤素气体的树脂。
静电
过高的静电可能会损坏SMD晶振产品,请注意抗静电条件。请为容器和封装材料选择导电材料。在处理的时候,请使用电焊枪和无高电压泄漏的测量电路,并进行接地操作。
噪音
在电源或输入端上施加执行级别(过高)的不相干(外部的)噪音,可能导致会引发功能失常或击穿的闭门或杂散现象。ECS晶振,CSM-3X晶振,ECS-250-20-3X-TR晶振,25M晶振

ECS Inc国际晶振集团对员工进行环境保护知识培训,提高其环境意识,建立环境职责,自觉改进、预防对环境的负面影响.在陶瓷谐振器产品的全过程中努力节能降耗,实现资源消耗最小化.对产生环境影响的活动做出及时反应,并对可能产生环境负面影响的活动做出预防.
ECS Inc国际晶振集团将有效率的使用SMD晶振资源和能源,以便从源头减少废物产生和排放.我们将在关注于预防环境和安全事故,保护公众健康的同时,努力改进我们的操作.我公司将积极参与加强公众环境、健康和安全意识的活动,提高公众对普遍的环境、健康和安全问题的注意.
ECS晶振集团以最小化使用危险材料、能源和其它资源为目的进行公司产品及服务的安全生产和使用,并确保回收利用.以防治污染、保存资源的方式进行商务运作。
加强污染防治,减少现有的污染废弃物以及在未来晶振,石英晶振, 压控晶体振荡器, 石英水晶振荡子生产制造中所产生的污染.并积极地对以往的环境破坏进行揭露.持续改进,将环境管理与商务运行和决策过程高度集成,规范其行为.不断进行持续改进的实践。ECS晶振,CSM-3X晶振,ECS-250-20-3X-TR晶振,25M晶振

服务热线:0755-27839045
Q Q联系:262320519
邮箱:szceob2b@163.com


CTS西迪斯振荡器,长方型钟振,MXO45T-2C-27M000000,6G模块,美国进口晶振,西迪斯晶振,有源贴片晶振,时钟振荡器,有源插件振荡器,6G模块专用晶振,OSC晶振,CTS MXO45和MXO45HS是传统的通孔时钟振荡器,提供了一个低成本的设计,支持旧的HCMOS/TTL应用程序。MXO45/MXO45HS不推荐用于新的设计活动,但可用于支持为完整和半尺寸的金属DIP包开发的现有应用程序。
Oscillator Crystal产品应用领域:计算机和外设,微控制器和FPGAs,存储区域网络,宽带接入,数据通信,网络设备,以太网/千兆以太网,光纤通道,测试和测量,6G模块等领域。CTS西迪斯振荡器,长方型钟振,MXO45T-2C-27M000000,6G模块.

频率: 1~200MHz 尺寸:2.5*2.0mm,3.2*2.5mm,5.0*3.2mm,5.0*7.0mm
SiTime MEMS硅晶振,是一种采用半导体标准半导体工艺制程,将先进的MEMS微机电系统与CMOS电路技术相结合的高性能全硅时钟频率元件,彻底解决有人工大量参与生产的石英振荡器稳定性不高,频率有限,尺寸较大,品质一致性差,易停振、不起振、温漂大、备货时间长,并且受材料特性限制产能等一系列问题。