KDS晶振,无源晶振,DMX-26S晶振,日本株式会社大真空晶振总公司设立在日本国兵库县加古川市平冈町新在家,大真空株式会社KDS晶振自1959年建立以来一直遵从的三个理念“依赖”于“可靠的人”“可靠的产品”和“可靠的公司”。作为全球石英晶振制造商,大真空KDS晶振努力帮助实现新一代电子社会,更方便人们更舒适,通过开发石英晶振, 压控晶体振荡器(VCXO)、温补晶体振荡器(TCXO)、恒温晶体振荡器(OCXO)、陶瓷谐振器等晶体器件对全球环境友好。
日本株式会社KDS晶振不断努力为我们的客户在日本国内外提供世界一流的质量和满意程度高。所生产石英晶振,陶瓷晶振,声表面谐振器,有源晶振等器件遍布全球,包括美国、英国、德国,到中国,新加坡,泰国和其他亚洲国家。以“依赖”为公司方针,以客户为导向,创新高效的经营管理,努力创造利润,履行企业社会责任。

|
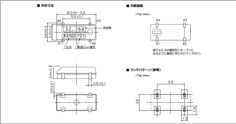
KDS晶振规格 |
单位 |
DMX-26S晶振频率范围 |
石英晶振基本条件 |
|
标准频率 |
f_nom |
32.768KHZ |
标准频率 |
|
储存温度 |
T_stg |
-40°C ~ +85°C |
裸存 |
|
工作温度 |
T_use |
-40°C ~ +85°C |
标准温度 |
|
激励功率 |
DL |
1.0μW |
推荐:1μW ~ 100μW |
|
频率公差 |
f_— l |
±30 × 10-6 (标准), |
+25°C 对于超出标准的规格说明, |
|
频率温度特征 |
f_tem |
±30 × 10-6/-20°C ~ +70°C |
超出标准的规格请联系我们. |
|
负载电容 |
CL |
12.5pF |
不同负载要求,请联系我们. |
|
串联电阻(ESR) |
R1 |
如下表所示 |
-40°C — +85°C, DL = 100μW |
|
频率老化 |
f_age |
±5 × 10-6 / year Max. |
+25°C,第一年 |




使用每种产品时,请在产品规格说明或产品目录规定使用条件下使用。晶体产品的设计和生产满足它的规格书。通过严格的出厂前可靠性测试以提供高质量高可靠性的产品.但是为了产品的品质和可靠性,必须在适当的条件下存储,安 装,运输。请注意以下的注意事项并在最佳的条件下使用产品,我们将对于客户按自己的判断而使用产品所导致的不良不负任何责任.
PCB设计指导
(1) 理想情况下,机械蜂鸣器应安装在一个独立于石英晶体器件的PCB板上。如果您安装在同一个PCB板上,最好使用余量或切割PCB。当应用于PCB板本身或PCB板体内部时,机械振动程度有所不同。建议遵照内部板体特性。
(2) 在设计时请参考相应的推荐封装。
(3) 在使用焊料助焊剂时,按JIS标准(JIS C 60068-2-20/IEC 60,068-2-20).来使用。
(4) 请按JIS标准(JIS Z 3282, Pb 含量 1000ppm, 0.1wt% 或更少)来使用无铅焊料。
存储事项
(1) 在更高或更低温度或高湿度环境下长时间保存晶振时,会影响频率稳定性或焊接性。请在正常温度和湿度环境下保存这些石英晶振产品,并在开封后尽可能进行安装,以免长期储藏。
正常温度和湿度:
温度:+15°C 至 +35°C,湿度 25 % RH 至 85 % RH。KDS晶振,无源晶振,DMX-26S晶振
大真空电子自公司成立以来,秉持对环境保护承诺之宣言:『还给后代一个干净的地球』,所有活动应遵从 以下政策:
1.日本大真空株式会社KDS晶振遵守法规和监管要求,从事环保产品的开发。
2.环境政策,在其业务活动的所有领域,从开发、生产和销售的压电石英晶体元器件、压电石英晶体、有源晶体、压电陶瓷谐振器,大真空集团业务政策促进普遍信任的环境管理活动.
3.通过适当控制环境影响的物质,减少能源的使用,以达到节约能源和节约资源的目的。
4.有效利用资源,防止环境污染,减少和妥善处理废物,包括再利用和再循环。
5.通过开展节能活动和减少二氧化碳排放防止全球变暖。
6.避免采购或使用直接或间接资助或受益刚果民主共和国或邻近国家武装组织的矿产。
7.推进晶振,石英晶振,有源晶振,压控振荡器, 压电石英晶体、有源晶体等元器件的环保型业务,充分发挥综合实力,推进环保型业务,为减轻社会的环境负荷做出贡献.
8.遵守有关环境保护的法律、标准、协议和任何公司承诺的其他要求。
9.根据环境方针制定环境目标和目标,同时促进这些活动,并定期检讨环境管理体系的持续改进。在我们的环境政策中教育所有员工和为我们的团队工作的人,通过教育和提高意识来提高他们的环保意识。
10.确保公众环境保护活动的信息公开。KDS晶振,无源晶振,DMX-26S晶振
服务热线:0755-27839045
Q Q联系:262320519
邮箱:szceob2b@163.com


