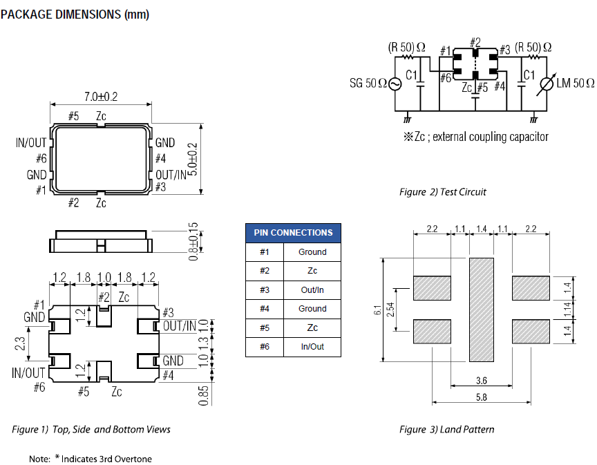
频率: 45.000~70.050MHz 尺寸:7.0*5.0mm
贴片晶振本身体积小,超薄型石英晶体谐振器,特别适用于有目前高速发展的高端电子数码产品,因为晶振本身小型化需求的市场领域,小型?薄型是对应陶瓷谐振器(偏差大)和普通的石英晶体谐振器(偏差小)的中间领域的一种性价比较出色的产品.产品广泛用于笔记本电脑,无线电话,卫星导航HDD, SSD, USB, Blu-ray等用途,符合无铅焊接的高温回流焊曲线特性.

ECS晶振,ECS-75SMF滤波器,贴片滤波器,ECS Inc晶振有大约100家联合销售办事处和遍布全球15个国家的合作伙伴.在国际范围内进行了近35年的业务,自成立以来已超过30亿的频率控制组件,是全球领先的15家开发和生产创新频率控制解决方案的石英晶体,贴片晶振,石英晶体振荡器制造商,致力于为世界提供最先进的创新频率控制技术.ECS公司坚持以创新为中心的企业文化,旨在促进和发展每一个无价值的伙伴关系的创造力,使我们能够最大限度地满足不断变化的石英晶体谐振器的需求.我们有世界级的市场营销、销售、分销、工程和客户服务团队,他们每天都参与一个全球性的技术网络,他们的焦点仅仅是为客户提供最好的解决方案。
|
ECSInc晶振规格 |
单位 |
ECS-75SMF贴片晶振频率范围 |
石英晶振基本条件 |
|
|
标准频率 |
f_nom |
45~70.050MHZ |
标准频率 |
|
|
储存温度 |
T_stg |
-30°C ~ +80°C |
裸存 |
|
|
工作温度 |
T_use |
-30°C ~ +80°C |
标准温度 |
|
|
激励功率 |
DL |
200μW Max. |
推荐:1μW ~ 100μW |
|
|
频率公差 |
f_— l |
±50 × 10-6 (标准), |
+25°C 对于超出标准的规格说明, |
|
|
频率温度特征 |
f_tem |
±30 × 10-6/-30°C ~ +80°C |
超出标准的规格请联系我们. |
|
|
负载电容 |
CL |
6.5pF |
不同负载电容要求,请联系我们. |
|
|
串联电阻(ESR) |
R1 |
如下表所示 |
-40°C — +85°C, DL = 100μW |
|
|
频率老化 |
f_age |
±5 × 10-6 / year Max. |
+25°C,第一年 |
|


1.如果过大的激励电力对石英晶体谐振器外加电压,有可能导致特性老化或损坏,因此请在晶体滤波器的输入电平在10dBm以下的状态下使用。
2.晶体产品的软焊温度条件被设计成可以和普通电子零部件同时作业,但如果是超过规格以上的高温,则频率有可能发生较大的变化,因此请避免不必要的高温度。有关SMD晶振产品的回流焊温度描述,请参照“表晶晶振产品的焊接回流焊温度描述:P.107”。
3.由于制造过程中进行了灰尘等异物管理,因此包装开封以后,请在进行清洁度管理的环境中使用。
4.如果石英晶振滤光片的电路板的杂散电容较大,为了消除该杂散电容,有时需要配置调谐电路。
5.波清洗,若要进行超声波清洗,必须事先根据实际使用状态进行确认。
6.石英晶体振荡器的内部电路使用C-MOS。闭锁、静电对策请和一般的C-MOS IC一样考虑。有些晶体振荡器没有和旁路电容器进行内部连接。使用时,请在Vdd-GND之间用0.01μF左右的高频特性较好的电容器(陶瓷片状电容器等)以最短距离连接。关于个别机型请确认宣传册、规格书。ECS晶振,ECS-75SMF滤波器,贴片滤波器

ECS Inc国际晶振集团环保环境与发展对策:实行可持续发展战略.
1.采取有效措施,防治工业污染.提高能源利用效率,改善能源结构.运用经济手段保护环境.大力推进科技进步,加强环境科学研究,积极发展环境保护产业.健全环境法规,强化环境管理.加强环境教育,不断提高环境意识.
2.ECS晶振集团遵守所有适用的有关环境、健康和安全的法律和法规以及公司自己的有关环境、工业卫生和安全的方针和承诺.
3.与我们的员工一起开创并保持一个免于事故的压电石英晶体元器件、晶振,石英晶振,压电石英晶体、有源晶体工作场所.
4.ECS Inc国际晶振集团重视污染预防,消除偏离程序的行为强调通过员工努力这一最可行的方法持续改进我们经营活动的环境绩效.
5.ECS Inc国际晶振集团将持续的环境、健康和安全方面的改进、污染预防和员工的努力纳入日常运行当中.
6.加强污染防治,减少现有的污染废弃物以及在未来晶振,石英晶振, 5070晶振, 石英水晶振荡子生产制造中所产生的污染.
7.ECS Inc国际晶振集团为确保安全、提高保护预防措施、产品的可靠性以及职业安全,确保职业健康与环境的优越性,通过正式的管理评审和对健康、安全和环境实施效果的持续改进,保护人群及财产与环境.ECS晶振,ECS-75SMF滤波器,贴片滤波器

服务热线:0755-27839045
Q Q联系:262320519
邮箱:szceob2b@163.com


KDS轻薄型晶体,DSX1612S通信设备晶振,1ZZHAM26000AB0A,尺寸1.6*1.2mm,频率26MHZ,日本大真空晶振,大真空石英晶振,无源SMD晶振,1612mm超小型晶振,贴片石英晶振,石英水晶振动子,石英晶体谐振器,无源晶振,无源石英晶体,26MHZ贴片晶振,四脚贴片晶振,移动通信设备晶振,数字视听设备晶振,小型设备晶振,可穿戴设备晶振,无线模块晶振,高精度晶振,高质量晶振,低损耗晶振,低功耗晶振,具有高质量高精度的特点。
SMD晶振产品比较适合用于移动通信设备、近距离无线模块、数字视听设备、PC等新一代小型设备,以及可穿戴设备等领域。KDS轻薄型晶体,DSX1612S通信设备晶振,1ZZHAM26000AB0A.

DSX221SH高精度晶振,大真空多媒体设备晶振,ZC13727,尺寸2.5*2.0mm,频率24MHZ,负载电容10pF,精度30ppm,日本进口晶振,KDS石英晶振,大真空无源晶振,石英贴片晶振,无源石英晶振,无源晶振,SMD晶振,石英晶体谐振器,水晶振动子,无源贴片晶振,2520mm石英晶振,24MHZ贴片晶振,四脚贴片晶振,轻薄型晶体,环保晶振,无线模块专用晶振,PC晶振,小型设备晶振,多媒体设备晶振,通信设备晶振,车载音响晶振,高性能晶振,高精度晶振,低损耗晶振,具有低损耗高精度的特点。
石英晶体产品很适合用于通信器、近距离无线模块、DVC、DSC、PC等小型设备,多媒体设备等车载应用(兼容AEC-Q200).DSX221SH高精度晶振,大真空多媒体设备晶振,ZC13727.