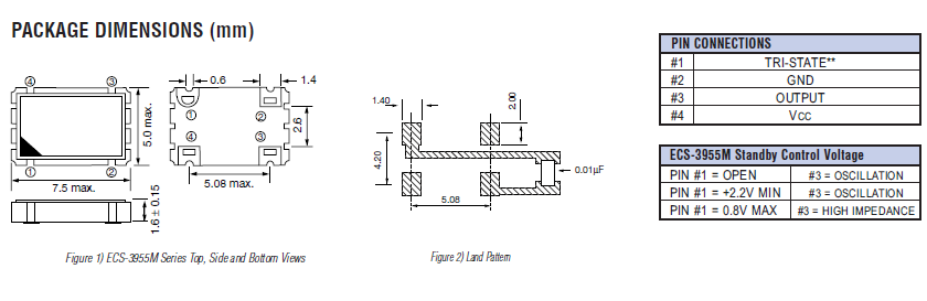
频率:1.8~70MHz 尺寸:5.0*7.5mm
贴片石英晶体,体积小,焊接可采用自动贴片系统,产品本身小型,表面贴片晶振,特别适用于有小型化要求的电子数码产品市场领域,因产品小型,薄型优势,耐环境特性,包括耐高温,耐冲击性等,在移动通信领域得到了广泛的应用,晶振产品本身可发挥优良的电气特性,满足无铅焊接的高温回流温度曲线要求.

ECS晶振,ECS-3955M晶振,贴片晶振,ECS Inc集团拥有顶尖人才和技术,以及创新的产品开发理念,使其能够解决复杂的客户问题.石英晶振,贴片晶振,有源晶振,压电水晶的批量生产在日本、中国、台湾和韩国的世界级认证的制造设施。
ECS公司的产品是通过全球子公司的供应链网络进行战略性的交付位于主要设计中心,客户合同制造子公司和主要市场。ECS致力于走在最前沿,拥有各种先进的技术,使我们能够做到快速、高效地生产频率控制产品。作为我们对大会的承诺的一部分技术领先,ECS,inc .拥有设计、部件、工艺、测试、制造和质量与客户合作,优化生产能力和稳定性产品的设计。
|
项目 |
符号 |
ECS-3955M晶振 |
条件 |
|
输出频率范围 |
f0 |
1.8~70MHz |
请联系我们以便获取其它可用频率的相关信息 |
|
电源电压 |
VCC |
5V |
请联系我们以了解更多相关信息 |
|
储存温度 |
T_stg |
-55℃ to +125℃ |
裸存 |
|
工作温度 |
T_use |
G: -10℃ to +70℃ |
请联系我们查看更多资料www.jingzhen95.com |
|
|
|||
|
频率稳定度 |
f_tol |
J: ±25 × 10-6 |
|
|
±50 × 10-6 |
|||
|
功耗 |
ICC |
65 mA Max. |
无负载条件、最大工作频率 |
|
待机电流 |
I_std |
10μA Max. |
ST=GND |
|
占空比 |
SYM |
45 % to 55 % |
50 % VCC 极, L_CMOS≦15 pF |
|
输出电压 |
VOH |
VCC-0.4V Min. |
|
|
VOL |
0.4 V Max. |
|
|
|
输出负载条件 |
L_CMOS |
30 pF Max. |
|
|
输入电压 |
VIH |
80% VCC Max. |
ST 终端 |
|
VIL |
20 % VCC Max. |
||
|
上升/下降时间 |
tr / tf |
100ns Max. |
20 % VCC to 80 % VCC 极, L_CMOS=15 pF |
|
振荡启动时间 |
t_str |
10ms Max. |
t=0 at 90 % |
|
频率老化 |
f_aging |
±5× 10-6 / year Max. |
+25 ℃, 初年度,第一年 |


使用每种产品时,请在产品规格说明或产品目录规定使用条件下使用。
晶体产品的设计和生产满足它的规格书。通过严格的出厂前可靠性测试以提供高质量高可靠性的产品.但是为了产品的品质和可靠性,必须在适当的条件下存储,安 装,运输。请注意以下的注意事项并在最佳的条件下使用石英晶振产品,我们将对于客户按自己的判断而使用产品所导致的不良不负任何责任。
机械振动的影响
当晶体产品上存在任何给定冲击或受到周期性机械振动时,比如:压电扬声器,压电蜂鸣器,以及喇叭等,输出频率和幅度会受到影响。这种现象对通信器材通信质量有影响。尽管晶体产品设计可最小化这种机械振动的影响,我们推荐事先检查并按照下列安装指南进行操作。
存储事项
(1) 在更高或更低温度或高湿度环境下长时间保存石英晶体振荡器时,会影响频率稳定性或焊接性。请在正常温度和湿度环境下保存这些晶体产品,并在开封后尽可能进行安装,以免长期储藏。
正常温度和湿度:
温度:+15°C 至 +35°C,湿度 25 % RH 至 85 % RH(请参阅“测试点JIS C 60068-1 / IEC 60068-1的标准条件”章节内容)。
(2) 请仔细处理内外盒与卷带。外部压力会导致卷带受到损坏。ECS晶振,ECS-3955M晶振,贴片晶振

ECS Inc国际晶振集团环保环境与发展对策:
1.实行可持续发展战略.采取有效措施,防治工业污染.提高石英晶振利用效率,改善能源结构.
2.ECS Inc国际晶振集团以最小化使用危险材料、能源和其它资源为目的进行公司产品及服务的安全生产和使用,并确保回收利用.以防治污染、保存资源的方式进行商务运作.
3.严格遵守国家职业安全健康法律、法规,培养员工的安全意识和能力,持续改进职业安全健康管理绩效,预先采取安全措施,消除或降低危险,优先选用安全系数高的温补晶振,石英晶体振荡器, 石英晶振,有源晶振, 压电石英晶体材料、设备及工艺,提高事故预防水平,创造良好的工作环境,保障员工的身心健康.
4.加强污染防治,减少现有的污染废弃物以及在未来晶振,石英晶振, 石英晶体振荡器, 石英水晶振荡子生产制造中所产生的污染.
5.积极地对以往的环境破坏进行揭露.持续改进,将环境管理与商务运行和决策过程高度集成,规范其行为.不断进行持续改进的实践.
6.ECS Inc国际晶振集团将持续的环境、健康和安全方面的改进、污染预防和员工的努力纳入日常运行当中.
7.运用经济手段保护环境.大力推进科技进步,加强环境科学研究,积极发展环境保护产业.健全环境法规,强化环境管理.加强环境教育,不断提高环境意识.ECS晶振,ECS-3955M晶振,贴片晶振

服务热线:0755-27839045
Q Q联系:262320519
邮箱:szceob2b@163.com


