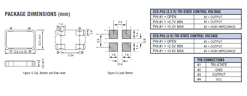
频率:1~125MHz 尺寸:5.0*3.2mm
5032mm体积的石英晶体振荡器有源晶振,改产品可驱动2.5V的温补晶振,压控晶振,VC-TCXO晶体振荡器产品,电源电压的低电耗型,编带包装方式,可对应自动高速贴片机自动焊接,及IR回流焊接(无铅对应),为无铅产品,超小型,质地轻.产品被广泛应用到集成电路,程控交换系统,无线发射基站.

ECS晶振,ECS-P53晶振,5032晶振,ECS Inc集团拥有顶尖人才和技术,以及创新的产品开发理念,使其能够解决复杂的客户问题.石英晶振,贴片晶振,有源晶振,压电水晶的批量生产在日本、中国、台湾和韩国的世界级认证的制造设施。
ECS公司的产品是通过全球子公司的供应链网络进行战略性的交付位于主要设计中心,客户合同制造子公司和主要市场。ECS致力于走在最前沿,拥有各种先进的技术,使我们能够做到快速、高效地生产频率控制产品。作为我们对大会的承诺的一部分技术领先,ECS,inc .拥有设计、部件、工艺、测试、制造和质量与客户合作,优化生产能力和稳定性产品的设计。
|
项目 |
符号 |
ECS-P53晶振 |
条件 |
|
输出频率范围 |
f0 |
1~125MHz |
请联系我们以便获取其它可用频率的相关信息 |
|
电源电压 |
VCC |
3.3V |
请联系我们以了解更多相关信息 |
|
储存温度 |
T_stg |
-55℃ to +125℃ |
裸存 |
|
工作温度 |
T_use |
G: -10℃ to +70℃ |
请联系我们查看更多资料www.jingzhen95.com |
|
-40℃ to +85℃ |
|||
|
频率稳定度 |
f_tol |
J: ±25 × 10-6 |
|
|
±50 × 10-6 |
|||
|
功耗 |
ICC |
40 mA Max. |
无负载条件、最大工作频率 |
|
待机电流 |
I_std |
10μA Max. |
ST=GND |
|
占空比 |
SYM |
45 % to 55 % |
50 % VCC 极, L_CMOS≦15 pF |
|
输出电压 |
VOH |
VCC-0.4V Min. |
|
|
VOL |
0.4 V Max. |
|
|
|
输出负载条件 |
L_CMOS |
30 pF Max. |
|
|
输入电压 |
VIH |
80% VCC Max. |
ST 终端 |
|
VIL |
20 % VCC Max. |
||
|
上升/下降时间 |
tr / tf |
100ns Max. |
20 % VCC to 80 % VCC 极, L_CMOS=15 pF |
|
振荡启动时间 |
t_str |
10ms Max. |
t=0 at 90 % |
|
频率老化 |
f_aging |
±5× 10-6 / year Max. |
+25 ℃, 初年度,第一年 |


超声波清洗

ECS Inc国际晶振集团环保环境与发展对策:
1.实行可持续发展战略.采取有效措施,防治工业污染.提高石英晶振利用效率,改善能源结构.
2.ECS Inc国际晶振集团以最小化使用危险材料、能源和其它资源为目的进行公司产品及服务的安全生产和使用,并确保回收利用.以防治污染、保存资源的方式进行商务运作.
3.严格遵守国家职业安全健康法律、法规,培养员工的安全意识和能力,持续改进职业安全健康管理绩效,预先采取安全措施,消除或降低危险,优先选用安全系数高的温补晶振,石英晶体振荡器, 石英晶振,5032晶振, 压电石英晶体材料、设备及工艺,提高事故预防水平,创造良好的工作环境,保障员工的身心健康.
4.加强污染防治,减少现有的污染废弃物以及在未来晶振,石英晶振, 石英晶体振荡器, 石英水晶振荡子生产制造中所产生的污染.
5.积极地对以往的环境破坏进行揭露.持续改进,将环境管理与商务运行和决策过程高度集成,规范其行为.不断进行持续改进的实践.
6.ECS Inc国际晶振集团将持续的环境、健康和安全方面的改进、污染预防和员工的努力纳入日常运行当中.
7.运用经济手段保护环境.大力推进科技进步,加强环境科学研究,积极发展环境保护产业.健全环境法规,强化环境管理.加强环境教育,不断提高环境意识。ECS晶振,ECS-P53晶振,5032晶振

服务热线:0755-27839045
Q Q联系:262320519
邮箱:szceob2b@163.com


