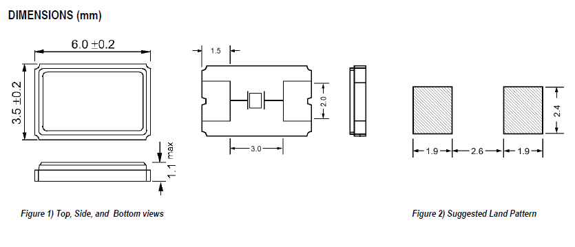
频率:8~100MHz 尺寸:6.0*3.5mm
普通石英晶振,外观完全使用金属材料封装的,产品本身采用全自动石英晶体检测仪,以及跌落,漏气等苛刻实验.产品本身具有高稳定性,高可靠性的石英晶体谐振器,焊接方面支持表面贴装,外观采用金属封装,具有充分的密封性能,晶振本身能确保其高可靠性,采用编带包装,可对应产品应用到自动贴片机告诉安装,满足无铅焊接的高温回流温度曲线要求.

ECS晶振,ECX-64A晶振,ECS-200-18-23A-JGN-TR晶振,6035贴片晶振,ECS Inc.晶振集团是一家私人控股的全球领先企业,在维护全球日益增长的高可靠性创新频率控制设备需求方面处于领先地位.一流的研究公司和电子设备设计者,是全球领先的15家开发和生产创新频率控制解决方案的石英晶体,贴片晶振,石英晶体振荡器制造商,超过600家.ECS Inc晶振支持劳动力在香港、韩国、韩国、烟台、中国和美国的生产设施和物流中心超过225家。
ECS Inc.晶振集团成为市场领导者提供创新、先进的压电石英晶体元器件、压电石英晶体、有源晶体频率控制组件解决方案到电信、工业、公用事业、导航、汽车、电子、航空航天和医疗与一流的制造行业的基于石英晶体/过滤器,时钟振荡器、石英晶体谐振器/过滤器和其他基于压电的产品.ECS inc .以迅速扩大的市场部门的多元化产品基础,热情关注客户和市场趋势,调动企业的力量,为世界各地的客户提供一贯的卓越服务。
|
ECS Inc晶振规格 |
单位 |
ECX-64A晶振频率范围 |
石英晶振基本条件 |
|
标准频率 |
f_nom |
8~100MHz |
标准频率 |
|
储存温度 |
T_stg |
-55°C ~ +125°C |
裸存 |
|
工作温度 |
T_use |
-10°C ~ +70°C |
标准温度 |
|
激励功率 |
DL |
100μW .Max |
推荐:1μW ~ 100μW |
|
频率公差 |
f_— l |
±30 × 10-6 (标准), |
+25°C 对于超出标准的规格说明, |
|
频率温度特征 |
f_tem |
±50 × 10-6/-10°C ~ +70°C |
超出标准的规格请联系我们. |
|
负载电容 |
CL |
20pF |
不同负载要求,请联系我们. |
|
串联电阻(ESR) |
R1 |
如下表所示 |
-40°C — +85°C, DL = 100μW |
|
频率老化 |
f_age |
±5 × 10-6 / year Max. |
+25°C,第一年 |


使用每种产品时,请在产品规格说明或产品目录规定使用条件下使用。
抗冲击
石英晶体产品可能会在某些条件下受到损坏。例如从桌上跌落或在贴装过程中受到冲击。如果产品已受过冲击请勿使用。
辐射
暴露于辐射环境会导致产品性能受到损害,因此应避免照射。
化学制剂 / pH值环境
请勿在PH值范围可能导致腐蚀或溶解产品或包装材料的环境下使用或储藏这些产品。
粘合剂
请勿使用可能导致石英晶体谐振器所用的封装材料,终端,组件,玻璃材料以及气相沉积材料等受到腐蚀的胶粘剂。 (比如,氯基胶粘剂可能腐蚀一个晶体单元的金属“盖”,从而破坏密封质量,降低性能。)
卤化合物
请勿在卤素气体环境下使用产品。即使少量的卤素气体,比如在空气中的氯气内或封装所用金属部件内,都可能产生腐蚀。同时,请勿使用任何会释放出卤素气体的树脂。
静电
过高的静电可能会损坏SMD晶振产品,请注意抗静电条件。请为容器和封装材料选择导电材料。在处理的时候,请使用电焊枪和无高电压泄漏的测量电路,并进行接地操作。
噪音
在电源或输入端上施加执行级别(过高)的不相干(外部的)噪音,可能导致会引发功能失常或击穿的闭门或杂散现象。ECS晶振,ECX-64A晶振,ECS-200-18-23A-JGN-TR晶振,6035贴片晶振

ECS Inc国际晶振集团环保环境与发展对策:
1.实行可持续发展战略.采取有效措施,防治工业污染.提高石英晶振利用效率,改善能源结构.
2.ECS Inc国际晶振集团以最小化使用危险材料、能源和其它资源为目的进行公司产品及服务的安全生产和使用,并确保回收利用.以防治污染、保存资源的方式进行商务运作.
3.严格遵守国家职业安全健康法律、法规,培养员工的安全意识和能力,持续改进职业安全健康管理绩效,预先采取安全措施,消除或降低危险,优先选用安全系数高的温补晶振,石英晶体振荡器, 石英晶振,有源晶振, 压电石英晶体材料、设备及工艺,提高事故预防水平,创造良好的工作环境,保障员工的身心健康.
4.加强污染防治,减少现有的污染废弃物以及在未来晶振,石英晶振, 6035晶振, 石英水晶振荡子生产制造中所产生的污染.
5.积极地对以往的环境破坏进行揭露.持续改进,将环境管理与商务运行和决策过程高度集成,规范其行为.不断进行持续改进的实践.
6.ECS Inc国际晶振集团将持续的环境、健康和安全方面的改进、污染预防和员工的努力纳入日常运行当中.ECS晶振,ECX-64A晶振,ECS-200-18-23A-JGN-TR晶振,6035贴片晶振

服务热线:0755-27839045
Q Q联系:262320519
邮箱:szceob2b@163.com


CTS西迪斯振荡器,长方型钟振,MXO45T-2C-27M000000,6G模块,美国进口晶振,西迪斯晶振,有源贴片晶振,时钟振荡器,有源插件振荡器,6G模块专用晶振,OSC晶振,CTS MXO45和MXO45HS是传统的通孔时钟振荡器,提供了一个低成本的设计,支持旧的HCMOS/TTL应用程序。MXO45/MXO45HS不推荐用于新的设计活动,但可用于支持为完整和半尺寸的金属DIP包开发的现有应用程序。
Oscillator Crystal产品应用领域:计算机和外设,微控制器和FPGAs,存储区域网络,宽带接入,数据通信,网络设备,以太网/千兆以太网,光纤通道,测试和测量,6G模块等领域。CTS西迪斯振荡器,长方型钟振,MXO45T-2C-27M000000,6G模块.

频率:24MHz 尺寸:3.5*6.0mm
小体积SMD时钟晶体谐振器,是贴片音叉晶体,千赫频率元件,应用于时钟模块,智能手机,全球定位系统,因产品本身体积小,SMD编带型,可应用于高性能自动贴片焊接,被广泛应用到各种小巧的便携式消费电子数码时间产品,环保性能符合ROHS/无铅标准.