高利奇晶振,石英晶体振荡器,GXO-7506晶振,高利奇晶振公司自1990年成立,所生产的产品范围包括:石英晶体,振荡器,实时时钟,温补晶振,压控晶振,温控晶振,水晶过滤器,(表面声波)设备等.经过多年的持续增长,高利奇公司晶振现在是英国领先的频率控制产品供应商.这一增长是通过保持我们对客户的需求以及努力达到并超越他们的努力来实现的.多年来,我们一直努力保持我们的晶振,石英晶振,有源晶振,压控振荡器在频率控制市场的最前沿.我们非常重视与我们的生产伙伴建立的关系。

|
项目 |
符号 |
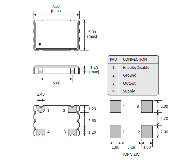
GXO-7506晶振规格说明 |
条件 |
|
输出频率范围 |
f0 |
12.0~50.0MH |
请联系我们以便获取其它可用频率的相关信息 |
|
电源电压 |
VCC |
+1.8V,2.5V,3.3V |
请联系我们以了解更多相关信息 |
|
储存温度 |
T_stg |
-55℃ to +125℃ |
裸存 |
|
工作温度 |
T_use |
G: -40℃ to +85℃ |
请联系我们查看更多资料http://www.jingzhen95.com |
|
|
|||
|
频率稳定度 |
f_tol |
|
|
|
L: ±25 × 10-6 |
|||
|
功耗 |
ICC |
20mA Max. |
无负载条件、最大工作频率 |
|
待机电流 |
I_std |
10μA Max. |
ST=GND |
|
占空比 |
SYM |
45 % to 55 % |
50 % VCC 极, L_CMOS≦15 pF |
|
输出电压 |
VOH |
VCC-0.4V Min. |
|
|
VOL |
0.4 V Max. |
|
|
|
输出负载条件 |
L_CMOS |
15 pF Max. |
|
|
输入电压 |
VIH |
10% VCC Max. |
ST 终端 |
|
VIL |
90 % VCC Max. |
||
|
上升/下降时间 |
tr / tf |
6ns Max. |
20 % VCC to 80 % VCC 极, L_CMOS=15 pF |
|
振荡启动时间 |
t_str |
5 ms Max. |
t=0 at 90 % |
|
频率老化 |
f_aging |
±3 × 10-6 / year Max. |
+25 ℃, 初年度,第一年 |


高利奇晶振公司通过BSI质量保证,获得了ISO 9001:2015的认证.BSI是世界领先的认证机构之一:自我们于1996年在ISO 9002 - 1994的原始认证以来,每一项评估都显示出一份清洁的健康法案,没有不一致的情况.
作为世界领先的石英晶振,贴片晶振, 石英晶体谐振器,石英晶体供应商,高利奇晶振公司敏锐地意识到我们的责任,确保我们的产品不受有害物质和高度关注的物质的影响,而且所有的部件材料都是由无冲突地区负责的.
高利奇石英晶振公司认真对待环境,管理环境管理系统,并将其重新编码到ISO14001.我们的环境政策,作为我们不断改进的动力的一部分,我们也鼓励员工在生活的各个方面都意识到他们对环境的影响.
我们致力于防止污染.在选择5070晶振,石英振荡器原材料供应商和承包商时考虑环境因素,从而减少污染.进一步减少污染,合理使用资源.减少使用和再利用,或者尽可能地回收利用.我们确保这一政策在我们的运营过程中得到贯彻执行.高利奇晶振,石英晶体振荡器,GXO-7506晶振

服务热线:0755-27839045
Q Q联系:262320519
邮箱:szceob2b@163.com


531BB125M000DGR,Si531血氧仪晶振,思佳讯7050差分晶振,尺寸7.0*5.0mm,频率125MHZ,输出逻辑LVDS,电压3.3V,频率稳定性20ppm,美国Skyworks晶振,Skyworks有源晶振,有源贴片晶振,石英差分晶振,贴片差分晶振,LVDS输出晶振,差分晶体振荡器,Oscillator Crystal,差分晶振,7050mm差分晶振,125MHZ差分晶振,低电压差分晶振,低抖动差分晶振,低功耗差分晶振,低耗能差分晶振,低相位差分晶振,低相噪差分晶振,高性能差分晶振,高精度差分晶振,血氧仪差分晶振,测试测量差分晶振,电信差分晶振,数字视频差分晶振,室内基站差分晶振,卫星通讯差分晶振,具有高精度高性能的特点。
Si530/531 XO差分晶振采用Skyworks Solutions的先进DSPLL®电路以提供高频下的低抖动时钟。Si530/531可用具有从10到945MHz的任意速率输出频率,并选择频率1400兆赫。与传统XO不同,在传统XO中每个输出频率,Si530/531使用一个固定晶体来提供宽范围的输出频率。531BB125M000DGR,Si531血氧仪晶振,思佳讯7050差分晶振.

SSI012000I3CHE-T,HELE加高水晶振荡子,HSO531S时钟振荡器,尺寸5.0*3.2mm,频率12MHZ,频率稳定度±50ppm,工作电压3V~3.6V,工作温度-40℃~+85℃,台湾加高晶振,HELE有源晶振,石英晶体振荡器,石英有源晶振,OSC贴片振荡器,SMD振荡器,有源贴片晶振,Oscillator Crystal,有源晶体振荡器,石英振荡子,智能手机专用有源晶振,小型设备有源晶振,蓝牙音响有源晶振,测试设备有源晶振,无线模块有源晶振,室外基站有源晶振,无线路由器有源晶振,低电压有源晶振,低损耗有源晶振,低相位有源振荡器,低功耗有源晶振,高性能有源晶振,高品质有源晶振,低抖动有源晶振,低相噪有源晶振,具有良好的可靠性能.
OSC晶振产品常常用于智能手机,小型设备,蓝牙音响,测试设备,无线模块,室外基站,无线路由器等领域.SSI012000I3CHE-T,HELE加高水晶振荡子,HSO531S时钟振荡器.