
Jauch晶振,进口32.768K晶振,JTX520晶振,Jauch每天都致力于为我们的员工以及我们的晶体振荡器,有源晶振石英晶振客户、供应商以及参与我们企业成功的每个人提供最高的公司治理标准.我们按照社会标准和现行法律进行所有活动.我们提供各种压电石英晶体元器件、压电石英晶体、贴片晶振、石英晶振,有源晶振,压控振荡器产品,从Jauch的产品组合.电力供应、连接器和电缆、声学组件、键盘和变压器为我们提供了在法国市场上额外的销售和增长机会.以及时的方式满足世界各地的客户需求。
|
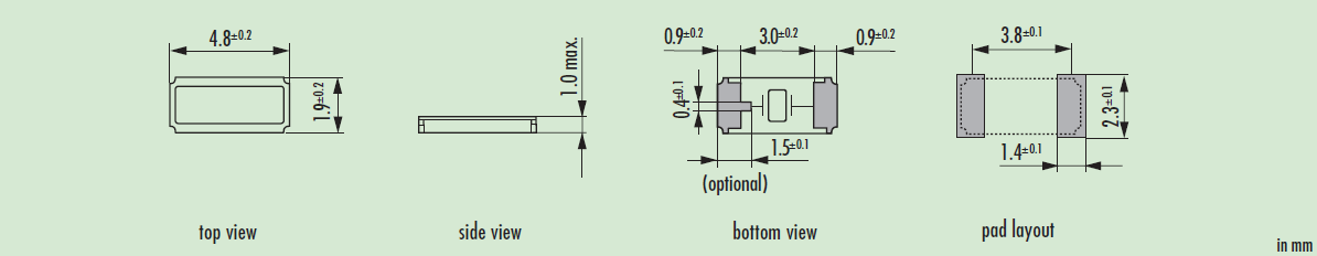
Jauch晶振规格 |
单位 |
JTX520晶振频率范围 |
石英晶振基本条件 |
|
标准频率 |
f_nom |
32.768KHZ |
标准频率 |
|
储存温度 |
T_stg |
-40°C ~ +90°C |
裸存 |
|
工作温度 |
T_use |
-20°C ~ +70°C -40°C ~ +85°C |
标准温度 |
|
激励功率 |
DL |
1.0μW Max. |
推荐:1μW ~ 100μW |
|
频率公差 |
f_— l |
±10 × 10-6 ±20 × 10-6 ±30 × 10-6 (标准), |
+25°C 对于超出标准的规格说明,请联系我们以便获取相关的信息, http://www.jingzhen95.com/ |
|
频率温度特征 |
f_tem |
±80 × 10-6/-20°C ~ +70°C |
超出标准的规格请联系我们. |
|
负载电容 |
CL |
12.5pF |
不同负载要求,请联系我们. |
|
串联电阻(ESR) |
R1 |
如下表所示 |
-40°C — +85°C, DL = 100μW |
|
频率老化 |
f_age |
±3 × 10-6 / year Max. |
+25°C,第一年 |


晶振使用注意事项
使用每种产品时,请在产品规格说明或产品目录规定使用条件下使用。 晶体产品的设计和生产满足它的规格书。通过严格的出厂前可靠性测试以提供高质量高可靠性的产品.但是为了产品的品质和可靠性,必须在适当的条件下存储,安 装,运输。请注意以下的注意事项并在最佳的条件下使用产品,我们将对于客户按自己的判断而使用产品所导致的不良不负任何责任。
抗冲击
石英晶体产品可能会在某些条件下受到损坏。例如从桌上跌落或在贴装过程中受到冲击。如果产品已受过冲击请勿使用。
辐射
暴露于辐射环境会导致产品性能受到损害,因此应避免照射。
化学制剂 / pH值环境
请勿在PH值范围可能导致腐蚀或溶解产品或包装材料的环境下使用或储藏这些产品。
粘合剂
请勿使用可能导致石英晶体谐振器所用的封装材料,终端,组件,玻璃材料以及气相沉积材料等受到腐蚀的胶粘剂。 (比如,氯基胶粘剂可能腐蚀一个晶体单元的金属“盖”,从而破坏密封质量,降低性能。)
卤化合物
请勿在卤素气体环境下使用产品。即使少量的卤素气体,比如在空气中的氯气内或封装所用金属部件内,都可能产生腐蚀。同时,请勿使用任何会释放出卤素气体的树脂。
静电
过高的静电可能会损坏SMD晶振产品,请注意抗静电条件。请为容器和封装材料选择导电材料。在处理的时候,请使用电焊枪和无高电压泄漏的测量电路,并进行接地操作。
噪音
在电源或输入端上施加执行级别(过高)的不相干(外部的)噪音,可能导致会引发功能失常或击穿的闭门或杂散现象。Jauch晶振,进口32.768K晶振,JTX520晶振

Jauch晶振严格遵守国家有关工程建设法律、法规,不断提高员工的质量意识和能力,履行合约、信守承诺,坚持开拓创新,不断提升企业的施工技术素质和质量管理水平,以科学学严密的施工管理和真诚的服务让业主高度满意.
定期提供有关健康保护、安全标准和安全程序的信息.当前立法.工作环境被安排符合法定的规章制度,确保员工的福利.Jauch集团把安全健康的工作环境视为理所当然的事情,因为它还有助于提高石英晶振,有源晶振,压控振荡器, 32.768K晶振,石英晶体振荡器等产品和服务的质量.
严格遵守国家职业安全健康法律、法规,培养员工的安全意识和能力,持续改进职业安全健康管理绩效,预先采取安全措施,消除或降低危险,优先选用安全系数高的石英晶振, 石英晶体谐振器,石英晶体材料、设备及工艺,提高事故预防水平,创造良好的工作环境,保障员工的身心健康.Jauch晶振,进口32.768K晶振,JTX520晶振

服务热线:0755-27839045
Q Q联系:262320519
邮箱:szceob2b@163.com


