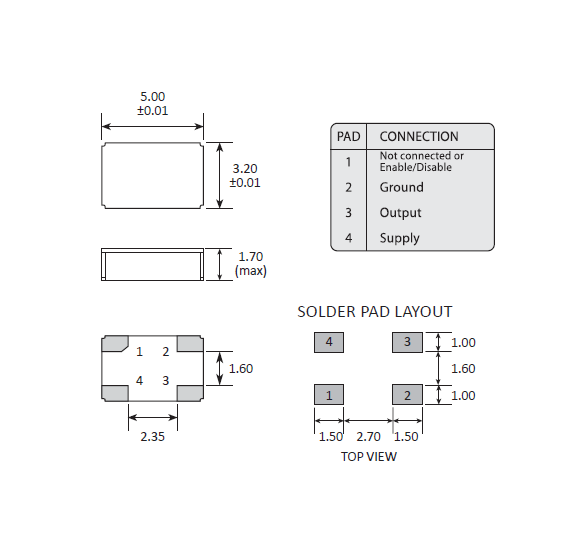
频率:10.0kHz ~ 225MHz 尺寸:5.0*3.2mm
贴片式石英晶体振荡器,低电压启动功率,并且有多种电压供选择,比如有1.8V,2.5V,3.3V,3.8V,5V等,产品被广泛应用于,平板笔记本,GPS系统,光纤通道,千兆以太网,串行ATA,串行连接SCSI,PCI-Express的SDH / SONET发射基站等领域.符合RoHS/无铅.
高利奇晶振,5032晶振,MCSO2晶振,高利奇晶振公司1990年成立,总部位于英格兰西南部中心的一座美丽的农场,Golledge出口到全球50多个国家,占收入的60%以上。凭借对互联网和电子商务的承诺,我们能够支持客户最复杂和最苛刻的需求。高利奇晶振的理念始终是以产品质量和服务的一致性为基础的.
多年来,我们一直努力保持我们的晶振,石英晶振,有源晶振,恒温晶体振荡器在频率控制市场的最前沿.在技术进步和商业世界的发展中,高利奇有足够的资源和灵活性来支持客户的需求.我们能够支持客户最复杂和最苛刻的需求.让我们有别于其他石英晶振晶体供应商是我们的员工的经验和能力。

|
项目 |
符号 |
MCSO2晶振规格说明 |
条件 |
|
输出频率范围 |
f0 |
10.0kHz ~ 225MHz |
请联系我们以便获取其它可用频率的相关信息 |
|
电源电压 |
VCC |
+5.0V |
请联系我们以了解更多相关信息 |
|
储存温度 |
T_stg |
-65℃ to +125℃ |
裸存 |
|
工作温度 |
T_use |
G: -55℃ to +125℃ |
请联系我们查看更多资料http://www.jingzhen95.com |
|
|
|||
|
频率稳定度 |
f_tol |
|
|
|
L: ±100× 10-6 |
|||
|
功耗 |
ICC |
40mA Max. |
无负载条件、最大工作频率 |
|
待机电流 |
I_std |
10μA Max. |
ST=GND |
|
占空比 |
SYM |
45 % to 55 % |
50 % VCC 极, L_CMOS≦15 pF |
|
输出电压 |
VOH |
VCC-0.4V Min. |
|
|
VOL |
0.4 V Max. |
|
|
|
输出负载条件 |
L_CMOS |
15 pF Max. |
|
|
输入电压 |
VIH |
10% VCC Max. |
ST 终端 |
|
VIL |
90 % VCC Max. |
||
|
上升/下降时间 |
tr / tf |
6ns Max. |
20 % VCC to 80 % VCC 极, L_CMOS=15 pF |
|
振荡启动时间 |
t_str |
5 ms Max. |
t=0 at 90 % |
|
频率老化 |
f_aging |
±3 × 10-6 / year Max. |
+25 ℃, 初年度,第一年 |


高利奇晶振公司通过BSI质量保证,获得了ISO 9001:2015的认证.BSI是世界领先的认证机构之一:自我们于1996年在ISO 9002 - 1994的原始认证以来,每一项评估都显示出一份清洁的健康法案,没有不一致的情况.
作为世界领先的石英晶振,贴片晶振, 石英晶体谐振器,石英晶体供应商,高利奇晶振公司敏锐地意识到我们的责任,确保我们的产品不受有害物质和高度关注的物质的影响,而且所有的部件材料都是由无冲突地区负责的.
高利奇石英晶振公司认真对待环境,管理环境管理系统,并将其重新编码到ISO14001.我们的环境政策,作为我们不断改进的动力的一部分,我们也鼓励员工在生活的各个方面都意识到他们对环境的影响.
我们致力于防止污染.在选择5032贴片晶振,石英振荡器原材料供应商和承包商时考虑环境因素,从而减少污染.进一步减少污染,合理使用资源.减少使用和再利用,或者尽可能地回收利用.我们确保这一政策在我们的运营过程中得到贯彻执行。高利奇晶振,5032晶振,MCSO2晶振

服务热线:0755-27839045
Q Q联系:262320519
邮箱:szceob2b@163.com


SSI012000I3CHE-T,HELE加高水晶振荡子,HSO531S时钟振荡器,尺寸5.0*3.2mm,频率12MHZ,频率稳定度±50ppm,工作电压3V~3.6V,工作温度-40℃~+85℃,台湾加高晶振,HELE有源晶振,石英晶体振荡器,石英有源晶振,OSC贴片振荡器,SMD振荡器,有源贴片晶振,Oscillator Crystal,有源晶体振荡器,石英振荡子,智能手机专用有源晶振,小型设备有源晶振,蓝牙音响有源晶振,测试设备有源晶振,无线模块有源晶振,室外基站有源晶振,无线路由器有源晶振,低电压有源晶振,低损耗有源晶振,低相位有源振荡器,低功耗有源晶振,高性能有源晶振,高品质有源晶振,低抖动有源晶振,低相噪有源晶振,具有良好的可靠性能.
OSC晶振产品常常用于智能手机,小型设备,蓝牙音响,测试设备,无线模块,室外基站,无线路由器等领域.SSI012000I3CHE-T,HELE加高水晶振荡子,HSO531S时钟振荡器.

SMD,5032mm,12.288MHz,±50ppm,NX5032GA-12.288000MHZ-LN-CD-1,日本进口NDK晶振,型号NX5032GA,编码为NX5032GA-12.288000MHZ-LN-CD-1,是一款小体积晶振尺寸5.0x3.2x1.3mm封装,两脚贴片晶振,无源晶振,贴片石英晶振,石英水晶谐振器,无铅环保晶振,频率:12.288MHz,工作温度范围:-40℃至+150℃,表面安装晶体单元,适用于汽车应用,兼容发动机控制单片机时钟,这需要高可靠性的,即使在极端恶劣的环境条件下也能保持稳定的启动特性,优异的抗环境性能,如耐热、振动和抗冲击,回流温度分布(可用于无铅焊接),符合AEC-Q200,超小型轻薄型耐高温晶振,适用于汽车配件,消费电子产品,车载控制器晶振,汽车音响控制器晶振,汽车电子中控晶振,参考时钟来源的视频和音频设备应用。