
Jauch晶振,无源晶振,MQ1晶振,Jauch石英晶振集团位于villingen - schwenningen的总部的生产设施,成立于1954年,现在是一家领先的压电石英晶体元器件、石英晶体、有源晶体频率控制产品行业的公司,最近也有创新的MEMS计时时钟.自2003年以来,Jauch Quartz France一直是Jauch集团的组成部分.快速反应时间,一个有才华员工的小而灵活的团队,以及我们强大的客户中心使我们成为典型的Jauch公司.我们提供各种压电石英晶体元器件、压电石英晶体、无源晶振、石英晶振,有源晶振,压控振荡器产品.
|
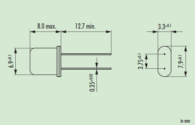
Jauch晶振规格 |
单位 |
MQ1晶振频率范围 |
石英晶振基本条件 |
|
标准频率 |
f_nom |
0.9216~250.0MHz |
标准频率 |
|
储存温度 |
T_stg |
-55°C ~ +125°C |
裸存 |
|
工作温度 |
T_use |
-20 °C ~ +70 °C |
标准温度 |
|
激励功率 |
DL |
500μW |
推荐:1μW ~ 100μW |
|
频率公差 |
f_— l |
±20 × 10-6 (标准),
±30 × 10-6 |
+25°C 对于超出标准的规格说明,请联系我们以便获取相关的信息, http://www.jingzhen95.com/ |
|
频率温度特征 |
f_tem |
±30 × 10-6/-20°C ~ +70°C |
超出标准的规格请联系我们. |
|
负载电容 |
CL |
8~32pF |
不同负载要求,请联系我们. |
|
串联电阻(ESR) |
R1 |
如下表所示 |
-40°C — +85°C, DL = 100μW |
|
频率老化 |
f_age |
±5 × 10-6 / year Max. |
+25°C,第一年 |


晶振使用注意事项
型号
焊接条件
[ 柱面式 ]
+280°C或低于@最大值5 s
[ 柱面式 ]
+260°C或低于@最大值 10 s
加热包装材料至+150°C以上会破坏产品特性或损害石英晶体。如需在+150°C以上焊接晶体产品,建议使用SMD产品。在下列回流条件下,对晶体产品甚至SMD晶振产品使用更高温度,会破坏产品特性。建议使用下列配置情况的回流条件。安装这些产品之前,应检查焊接温度和时间。同时,在安装条件更改的情况下,请再次进行检查。如果需要焊接的晶体产品在下列配置条件下进行焊接,请联系我们以获取耐热的相关信息。
· (1)柱面式产品和DIP产品
C-类型,C-2-类型,C-4-类型
请勿加热封装材料超过+150°C
CA-301
[ DIP ]
SG-51 / 531, SG-8002DB DC,
RTC-72421 / 7301DG
请勿加热封装材料超过+150°C

Jauch晶振环保事项:
1.为环境保护和降低成本开发绿色技术.
2.在石英晶体谐振器,石英晶体, 石英晶振,有源晶振,压控振荡器产品的整个生命周期内确定、评价和改进重要的环境、健康和安全因素
3.为协调发展,共同参与社会的环境、健康与安全的改善活动.
4.提高石英晶振,有源晶振,压控振荡器, 温补晶振,石英晶体振荡器等产品和服务的质量.
5.断提高员工的质量意识和能力,履行合约、信守承诺,坚持开拓创新,不断提升企业的施工技术素质和质量管理水平,以科学学严密的施工管理和真诚的服务让业主高度满意.
6.优先选用安全系数高的石英晶振, 石英晶体谐振器,石英晶体材料、设备及工艺,提高事故预防水平,创造良好的工作环境,保障员工的身心健康.
7.为防止事故的发生和制造清洁的生产环境,开发生产过程的安全技术,明确紧急状态反应的职责。Jauch晶振,无源晶振,MQ1晶振

服务热线:0755-27839045
Q Q联系:262320519
邮箱:szceob2b@163.com


