频率:14.4~32.768MHz
尺寸:3.2*2.5mm
3225mm体积的晶振,可以说是目前小型数码产品的福音,目前智能手机里面所应用的就是小型的石英晶振,该产品最适用于无线通讯系统,无线局域网,已实现低相位噪声,低电压,低消费电流和高稳定度,超小型,质量轻等产品特点,产品本身编带包装方式,可对应自动高速贴片机应用,以及高温回流焊接(产品无铅对应),为无铅产品.
MMDCOMP晶振,美国进口晶振,MTSS石英晶振.小型SMD有源晶振,从最初超大体积到现在的7050mm,6035mm,5032mm,3225mm,2520mm体积,有着翻天覆地的改变,体积的变小也使产品带来了更高的稳定性能,接缝密封石英晶体振荡器,精度高,覆盖频率范围宽的特点,SMD高速自动安装和高温回流焊设计,Optionable待机输出三态输出功能,电源电压范围:1.8V?5V,高稳定性,低抖动,低功耗,主要应用领域:无线通讯,高端智能手机,平板笔记本WLAN,蓝牙,数码相机,DSL和其他IT产品的晶振应用,三态功能,PC和LCDM等高端数码领域,符合RoHS/无铅.
3225晶振的真空封装技术:是指石英晶振在真空封装区域内进行封装.1,防止外界气体进入组件体内受到污染和增加应力的产生;2.使晶振组件在真空下电阻减小;3.气密性高.此技术为研发及生产超小型,超薄型石英晶振必须攻克的关键技术之一.
MMDCOMP晶振集团致力于研发生产高精密,性能稳定的石英晶体振荡器,满足不同客户的特殊要求,并且具有低噪音,低相位等特点.有源晶振,压控振荡器,(PXO)普通晶体振荡器,(TCXO)温补晶体振荡器,(OCXO)恒温晶体振荡器等在产品中使用具备优异的振动性,耐冲击等特性.MMDCOMP晶振还为广大用户提供具有良好可靠性,在产品中使用性能稳定强的自校准振荡器.
|
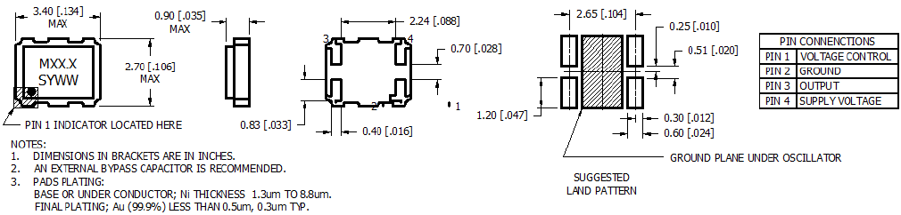
MMDCOMP晶振 |
MTSS晶振 |
|
输出类型 |
Clipped Sinewave |
|
振荡模式 |
基本/第三泛音 |
|
电源电压 |
+2.8V,+3.0V |
|
频率范围 |
14.4~32.768MHz |
|
频率稳定度 |
±1~±5ppm |
|
工作温度 |
0~+50℃,-20~+70℃,-30~+70℃,-30~+80℃,-40~+85℃ |
|
保存温度 |
-40~+85℃ |
|
电压卷(最大值)/ VOH(最小值) |
0.1 VDD / 0.9 VDD |
|
启动时间 |
5 ms Max. |
|
相位抖动(12兆赫~20兆赫) |
1个PS最大. |
|
老化率 |
±3 ppm /年最大. |
抗冲击
SMD晶振可能会在某些条件下受到损坏.例如从桌上跌落或在贴装过程中受到冲击.如果产品已受过冲击请勿使用.
辐射
暴露于辐射环境会导致产品性能受到损害,因此应避免照射.
化学制剂/pH值环境
请勿在PH值范围可能导致腐蚀或溶解压控温补晶振或包装材料的环境下使用或储藏这些产品.
粘合剂
请勿使用可能导致产品所用的封装材料,终端,组件,玻璃材料以及气相沉积材料等受到腐蚀的胶粘剂.(比如,氯基胶粘剂可能腐蚀一个晶体单元的金属盖,从而破坏密封质量,降低性能.)
卤化合物
请勿在卤素气体环境下使用产品.即使少量的卤素气体,比如在空气中的氯气内或封装所用金属部件内,都可能产生腐蚀.同时,请勿使用任何会释放出卤素气体的树脂.
静电
过高的静电可能会损坏进口晶振,请注意抗静电条件.请为容器和封装材料选择导电材料.在处理的时候,请使用电焊枪和无高电压泄漏的测量电路,并进行接地操作.
激励功率
在晶体单元上施加过多驱动力,会导致产品特性受到损害或破坏.电路设计必须能够维持适当的激励功率.
MMDCOMP晶振集团将在各领域内的商务运作中实施持续改进,包括能源资源的保持,回收再利用以及减少温补晶振,石英晶体振荡器废弃物等.
MMDCOMP晶振集团尽可能的采用无害的压电石英晶体元器件,压电石英晶体,有源晶体原材料和生产技术,避免有害物质的产生,比如消耗臭氧层物质,温室气体及其它污染物.集团公司同时将致力于这些物质的收集和回收,最小化有害原料的使用.
MMDCOMP晶振根据需要,提高环境技术,材料和压电石英晶体元器件,晶振,石英晶振,有源晶振,压控振荡器,压电石英晶体,有源晶体产品的发展信息及环境管理活动的公开性.
减少污染物排放,对不可再生的资源进行有效利用.减少废物的产生,对其排放的责任进行有效管理,有效地使用能源.
通过设计工艺程序对员工进行培训保护环境以及人们的健康和安全.提供安全使用和废置我们的产品的信息,对环境有重大健康安全和环境的运营现状进行纠正.
MMDCOMP晶振集团保持就健康安全环境问题与临近摄取进行对话.通过在环境控制方面实施优秀的管理实践,以保护环境和与强生公司全球运作相关的自然资源.向员工灌输环境价值观,在所有的压电石英晶体,有源晶体,压电陶瓷谐振器,晶体振荡器,有源晶振产品和生产过程中应用最佳环境实用技术,为全球可持续发展做出贡献.
实施创新战略,提高自主创新能力,确保公司可持续发展.实施节约战略,提高建设节约环保型企业能力,确保实现节能环保规划目标.
MMDCOMP晶振致力于环境保护,包括预防污染.在压控温补晶振,有源晶振产品的规划到制造,运行维修等整个过程中,努力提供环保型的产品和服务.在业务活动中,努力节约资源并节省能源,致力于减少废弃物和再生资源的回收利用.在积极公开有关环境的信息的同时,通过支持环保活动,广泛地为社会作贡献.致力于保护生物多样性和可持续利用.切实运行环境管理系统PDmCA,努力提高环境性能,不断改善运用系统.
服务热线:0755-27839045
Q Q联系:262320519
邮箱:szceob2b@163.com

频率:10~52MHz
尺寸:3.2*2.5mm
小型SMD有源晶振,从最初超大体积到现在的7050mm,6035mm,5032mm,3225晶振,2520mm体积,有着翻天覆地的改变,体积的变小也使产品带来了更高的稳定性能,接缝密封石英晶体振荡器,精度高,覆盖频率范围宽的特点,SMD高速自动安装和高温回流焊设计,Optionable待机输出三态输出功能,电源电压范围:1.8V?5V,高稳定性,低抖动,低功耗,主要应用领域:无线通讯,高端智能手机,平板笔记本WLAN,蓝牙,数码相机,DSL和其他IT产品的晶振应用,三态功能,PC和LCDM等高端数码领域,符合RoHS/无铅.

频率:10~52MHz
尺寸:3.2*2.5mm
小型贴片石英晶振,外观尺寸具有薄型表面贴片型石英晶体振荡器,特别适用于有小型化要求的市场领域,比如智能手机,无线蓝牙,平板电脑等电子数码产品.晶振本身超小型,薄型,重量轻,晶体具有优良的耐环境特性,如耐热性,耐冲击性,在办公自动化,家电相关电器领域及Bluetooth,WirelessLAN等短距离无线通信领域可发挥优良的电气特性,满足无铅焊接的回流温度曲线要求.

频率:12~54MHz
尺寸:3.2*2.5mm
小型SMD有源晶振,从最初超大体积到现在的7050mm,6035mm,5032mm,3225晶振,2520mm体积,有着翻天覆地的改变,体积的变小也使产品带来了更高的稳定性能,接缝密封石英晶体振荡器,精度高,覆盖频率范围宽的特点,SMD高速自动安装和高温回流焊设计,Optionable待机输出三态输出功能,电源电压范围:1.8V?5V,高稳定性,低抖动,低功耗,主要应用领域:无线通讯,高端智能手机,平板笔记本WLAN,蓝牙,数码相机,DSL和其他IT产品的晶振应用,三态功能,PC和LCDM等高端数码领域,符合RoHS/无铅.