频率:74.2~166MHz
尺寸:5.0*3.2mm
贴片晶振本身体积小,薄型石英晶体谐振器,特别适用于有目前高速发展的高端电子数码产品,因为晶振本身小型化需求的市场领域,小型,薄型是对应陶瓷谐振器(偏差大)和普通的石英晶体谐振器(偏差小)的中间领域的一种性价比较出色的产品.产品广泛用于笔记本电脑,无线电话,卫星导航SSD,USB,Blu-ray等用途,符合无铅焊接的高温回流焊曲线特性.
MMDCOMP晶振,5032振荡器,MUV普通有源晶振.小型SMD有源晶振,从最初超大体积到现在的7050mm,6035mm,5032mm,3225mm,2520mm体积,有着翻天覆地的改变,体积的变小也使产品带来了更高的稳定性能,接缝密封石英晶体振荡器,精度高,覆盖频率范围宽的特点,SMD高速自动安装和高温回流焊设计,Optionable待机输出三态输出功能,电源电压范围:1.8V?5V,高稳定性,低抖动,低功耗,主要应用领域:无线通讯,高端智能手机,平板笔记本WLAN,蓝牙,数码相机,DSL和其他IT产品的晶振应用,三态功能,PC和LCDM等高端数码领域,符合RoHS/无铅.
晶振的真空封装技术:是指石英晶振在真空封装区域内进行封装.1,防止外界气体进入组件体内受到污染和增加应力的产生;2.使晶振组件在真空下电阻减小;3,气密性高.此技术为研发及生产超小型,超薄型石英晶振必须攻克的关键技术之一.
MMDCOMP晶振集团广泛用于通信行业的需求,包括为电信,无线和SATCOM以及WiMAX等新兴技术而设计的产品,包括用于电信的Stratum III和IIIE.此外,我们还为全球导航卫星系统(如GPS)提供高精度有源晶振,石英晶体振荡器,温补晶振等.所生产的高精密晶体谐振器,OSC晶振,低噪音压控晶体振荡器(VCXO),低振动温补晶体振荡器(TCXO),高稳定恒温晶体振荡器(OCXO)广泛用于一些检测仪器,高端设备仪器,高精密设备等产品中.
|
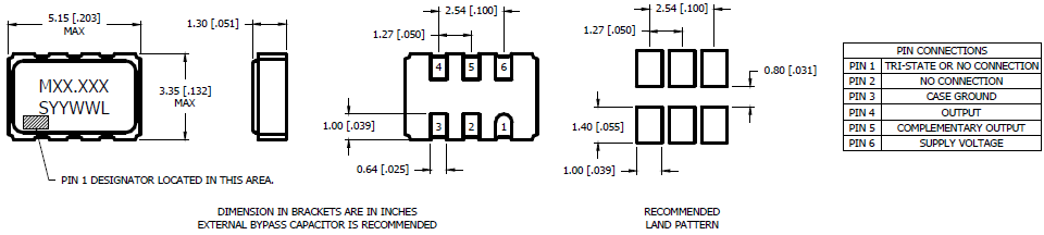
MMDCOMP晶振 |
MUV晶振 |
|
输出类型 |
LVDS |
|
振荡模式 |
基本/第三泛音 |
|
电源电压 |
+2.5V,+3.3V |
|
频率范围 |
74.2~166MHz |
|
频率稳定度 |
±20,±25,±50,±100,ppm |
|
工作温度 |
0~+70℃,-20~+70℃,-40~+85℃ |
|
保存温度 |
-55~+125℃ |
|
电压卷(最大值)/ VOH(最小值) |
0.1 VDD / 0.9 VDD |
|
启动时间 |
5 ms Max. |
|
相位抖动(12兆赫~20兆赫) |
1个PS最大. |
|
老化率 |
±3 ppm /年最大. |
负极电阻
除非振荡回路中分配足够多的负极电阻,否则美国进口晶振振荡或振荡启动时间可能会增加.
负载电容
振荡电路中负载电容的不同,可能导致振荡频率与设计频率之间产生偏差.试图通过强力调整,可能只会导致不正常的振荡.在使用之前,请指明该振动电路的负载电容.
晶体振荡器和实时时钟模块
所有5032石英晶振和实时时钟模块都以IC形式提供.
噪音
在电源或输入端上施加执行级别(过高)的不相干(外部的)噪音,可能导致会引发功能失常或击穿的闭门或杂散现象.
输入终端的处理
未用针脚可能会引起噪声响应,从而导致非正常工作.同时,当P通道和N通道都处于打开时,电源功率消耗也会增加;因此,请将未用输入终端连接到VCC或GND.
热影响
重复的温度巨大变化可能会降低受损害的石英晶体振荡器单元的产品特性,并导致塑料封装里的线路击穿.必须避免这种情况.
安装方向
振荡器的不正确安装会导致故障以及崩溃,因此安装时,请检查安装方向是否正确.
通电
不建议从中间电位和/或极快速通电,否则会导致无法产生振荡和/或非正常工作.
MMDCOMP晶振,作为全球企业可持续的社会的实现,集团一体推进地球环境保全活动.推进了环境考虑的产品和服务的产品和服务.为了提供社会,努力维护地球环境.遵守环境相关的法令,条例,限制,协定及其他要求事项,环境负荷的降低和污染的防止努力.
MMDCOMP晶振工厂,办公室节能,省资源,资源循环,化学物质的合理管理推动,地球温暖化防止及循环型社会的实现贡献.与采购单位,供应商等的客户合作,温室效应气体削减,资源的有效利用,努力对有源晶振,石英晶振的化学物质的管理强化等.地域社会环境保全活动及生物多样性保全活动的参加,环境関搭配等的信息积极的公开的事,与社会的交流的知识进一步加深协调进一步的协调.这个环境方针是根据文件等的全体职员以及共同工作的人们.按照这个环境方针,设定环境目的和目标,确实是落实,对其进行重新评估,努力持续改善.
MMDCOMP晶振有限公司.进行协同集团全球环境保全措施作为全球业务支持一个可持续发展的社会发展.
MMDCOMP晶振公司环保环境与发展对策:实行可持续发展战略.采取有效措施,防治工业污染.提高能源利用效率,改善能源结构.运用经济手段保护环境.大力推进科技进步,加强环境科学研究,积极发展环境保护产业.健全环境法规,强化环境管理.加强环境教育,不断提高环境意识.
1.努力保护全球环境的环保意识进行环保生产和提供产品以及服务给消费者.
2.遵守环境法律,法规,条例,规则,协议,和其他需求,努力降低环境影响,防止污染.
3.减少石英晶振消耗,开展资源节约,资源回收和适当的化学管理工厂和办公室,导致全球变暖的预防和循环型社会的建立.
4.与供应商和其他业务伙伴合作,减少温室气体的排放,有效利用资源,加强产品化学物质管理.
5.参与社区环境保护和生物多样性保护项目和主动披露信息有关环保措施与社区加强沟通与和谐.
6.分发文件和采取其他措施,以确保所有员工和其他处理组熟悉的环境政策.
我们设定环境目标和目标按照这一政策,工作稳步朝着这些目标和目标,评估和审查,并持续改进.
MMDCOMP晶振公司严格遵守国家有关工程建设法律,法规,不断提高员工的质量意识和能力,履行合约,信守承诺,坚持开拓创新,不断提升企业的施工技术素质和质量管理水平,以科学学严密的施工管理和真诚的服务让业主高度满意.
严格遵守国家职业安全健康法律,法规,培养员工的安全意识和能力,持续改进职业安全健康管理绩效,预先采取安全措施,消除或降低危险,优先选用安全系数高的材料,设备及工艺,提高事故预防水平,创造良好的工作环境,保障员工的身心健康.
MMDCOMP晶振公司自觉遵守有关环境法律,法规,培养员工的环保意识和能力,持续改进环保绩效,优先使用环保型材料,设备及施工工艺,做到污染预防,最终创建具有环保,节能,适宜性特征的优质工程.
MMDCOMP晶振本于善尽企业责任,降低环境冲击,提升员工健康的理念,执行各项环境及职业安全卫生管理工作;落实公司环安卫政策要求使环境暨安全卫生管理成效日益显著,不仅符合国内环保,劳安法令要求,同时也能达到国际环保,安全卫生标准.2003年通过ISO14001环境管理系统验证,秉持“污染预防,持续改善”之原则.
MMDCOMP晶振公司事业废弃物产出量逐年降低,可回收,再利用之废弃物比例逐年提高,各项排放检测数据符合政府法规要求.并由原材料管控禁用或限用环境危害物质与国际大厂对于绿色生产及绿色产品的要求相符,于2004年通过SONY 绿色伙伴验证.
美国进口晶振劳工职业安全卫生议题近年成为世界各国及企业关注焦如何做到‘降低职业灾害发生,确保工作场所安全,实施员工健康管理’一直是ECS晶体努力的方向,公司于2008年12月通过OHSAS18001职业安全卫生管理系统验证,提供劳工符合系统要求的安全卫生工作环境.
MMDCOMP晶振公司遵守所有适用的有关环境,健康和安全的法律和法规以及公司自己的有关环境,工业卫生和安全的方针和承诺.
与我们的员工一起开创并保持一个免于事故的工作场所.
重视污染预防,消除偏离程序的行为强调通过员工努力这一最可行的方法持续改进我们经营活动的环境绩效.
将持续的环境,健康和安全方面的改进,污染预防和员工的努力纳入日常运行当中.
加强污染防治,减少现有的污染废弃物以及在未来生产制造中所产生的污染.
为确保安全,提高保护预防措施,产品的可靠性以及职业安全,确保职业健康与环境的优越性,通过正式的管理评审和对健康,安全和环境实施效果的持续改进,保护人群及财产与环境.
以最小化使用危险材料,能源和其它资源为目的进行公司产品及服务的安全生产和使用,并确保回收利用.以防治污染,保存资源的方式进行商务运作,并积极地对以往的环境破坏进行揭露.持续改进,将环境管理与商务运行和决策过程高度集成,规范其行为.不断进行持续改进的实践.
服务热线:0755-27839045
Q Q联系:262320519
邮箱:szceob2b@163.com

频率:12~800MHz
尺寸:5.0*3.2mm
贴片式石英晶体振荡器,低电压启动功率,并且有多种电压供选择,比如有1.8V,2.5V,3.3V,3.8V,5V等,产品被广泛应用于,平板笔记本,GPS系统,光纤通道,千兆以太网,串行ATA,串行连接SCSI,PCI-Express的SDH/SONET发射基站等领域.符合RoHS/无铅.