6G服务器晶振,NP7050SK-688.2500BLACA,NDK差分贴片晶振,日本进口晶振,NDK晶振,型号NP7050SK,编码为:NP7050SK-688.2500BLACA,频率为:688.2500 MHz,小体积晶振尺寸:7.0x5.0mm,六脚贴片晶振,LVDS输出差分晶体振荡器,SPXO石英晶体振荡器,电源电压:3.3V,有源晶振,石英晶振。该产品支持宽频率范围:15-2100MHz(频率调谐分辨率: 2 x 10-9),输出:LVPECL、LVDS、CMOS、CML、HCSL,支持低电源电压: +1.8V,+2.5V,+3.3V,支持窄稳定性:±10x10-6、±20 x 10 -6,具有超小型,轻薄型,低抖动,低功耗,低电源电压,低相位噪声,低耗能等特性,能够轻易识别网络信号以及精确的处理双极信号。NP7050SK进口晶振应用于:基站、gb以太网、光传输设备,服务器,无线网络,物联网,通讯设备、仪器仪表设备,智能安防设备等应用。
6G服务器晶振,NP7050SK-688.2500BLACA,NDK差分贴片晶振,参数图
Item
Symbol
NP7050S[ ]
Unit
Frequency selection function
-
Single (no selection function)
-
Dual (selectable from 2 frequencies)
Quad (selectable from 4 frequencies)
Any Rate (Settable any desired frequencies via I2C)
Nominal frequency range
fnom
15 ≦ f ≦ 2100
MHz
15 ≦ f ≦ 2100
15 ≦ f ≦ 2100
15 ≦ f ≦ 2100
15 ≦ f ≦ 700
15 ≦ f ≦ 200
Package size (L×W×H)
-
7.0×5.0×1.6
mm
Output specification
-
LVPECL
LVDS
CML
HCSL
CMOS
-
Current consumption
-
Max. 95
Max. 85
Max. 80
Max. 100
Max. 85
mA
Output load condition
-
50Ω (VCC-2.0v)
100Ω
50Ω (VCC)
50Ω
15pF
-
Supply voltage
VCC
+1.8V±5%
V
+2.5V±5%
+3.3V±10%
Enable/Disable function
-
Enable Low
-
Enable High
None
Storage temperature range
-
-55 to +125
℃
Operating temperature range
-
-40 to +85
℃
Overall frequency tolerance
-
Max. ±10 (narrow tolerance)
ppm
Max. ±20 (narrow tolerance)
Max. ±50 (standard)
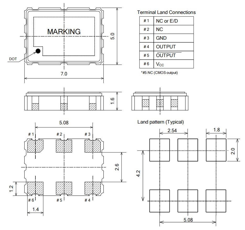
6G服务器晶振,NP7050SK-688.2500BLACA,NDK差分贴片晶振,尺寸图
6G服务器晶振,NP7050SK-688.2500BLACA,NDK差分贴片晶振
差分晶振是普通石英贴片晶振所不能够达到的,差分晶振具有低电平,低抖动,低功耗等特性.差分晶振作为目前行业中高要求,高技术石英晶体振荡器,具有相位低,损耗低的特点,爱普生差分晶振使用于产品中能够很容易地识别小信号,能够从容精确地处理双级信号,对外部电磁干扰(EMI)是高度免疫的,差分石英晶振满足市场需求,实现高频高精度等要求,更加保障了各种系统参考时钟的可靠性。
| 品牌 | 型号 | 频率 | 包装尺寸 | 输出方式 | 工作温度 |
| NDK晶振 | NP7050SK,SL,SM,SN | 15~2100 | 7.0x5.2x1.6 | LVPECL | -40~+85 |
| NDK晶振 | NP7050SK,SL,SM,SN | 15~2100 | 7.0x5.2x1.6 | LVPECL | -40~+85 |
| NDK晶振 | NP7050SK,SL,SM,SN | 15~2100 | 7.0x5.2x1.6 | LVPECL | -40~+85 |
| NDK晶振 | NP7050SK,SL,SM,SN | 15~2100 | 7.0x5.2x1.6 | LVPECL | -40~+85 |
| NDK晶振 | NP7050SK,SL,SM,SN | 15~2100 | 7.0x5.2x1.6 | LVPECL | -40~+85 |
| NDK晶振 | NP7050SK,SL,SM,SN | 15~2100 | 7.0x5.2x1.6 | LVPECL | -40~+85 |
| NDK晶振 | NP7050SK,SL,SM,SN | 15~2100 | 7.0x5.2x1.6 | LVPECL | -40~+85 |
| NDK晶振 | NP7050SK,SL,SM,SN | 15~2100 | 7.0x5.2x1.6 | LVPECL | -40~+85 |
| NDK晶振 | NP7050SK,SL,SM,SN | 15~2100 | 7.0x5.2x1.6 | LVPECL | -40~+85 |
| NDK晶振 | NP7050SK,SL,SM,SN | 15~2100 | 7.0x5.2x1.6 | LVDS | -40~+85 |
| NDK晶振 | NP7050SK,SL,SM,SN | 15~2100 | 7.0x5.2x1.6 | LVDS | -40~+85 |
| NDK晶振 | NP7050SK,SL,SM,SN | 15~2100 | 7.0x5.2x1.6 | LVDS | -40~+85 |
| NDK晶振 | NP7050SK,SL,SM,SN | 15~2100 | 7.0x5.2x1.6 | LVDS | -40~+85 |
| NDK晶振 | NP7050SK,SL,SM,SN | 15~2100 | 7.0x5.2x1.6 | LVDS | -40~+85 |
| NDK晶振 | NP7050SK,SL,SM,SN | 15~2100 | 7.0x5.2x1.6 | LVDS | -40~+85 |
| NDK晶振 | NP7050SK,SL,SM,SN | 15~2100 | 7.0x5.2x1.6 | LVDS | -40~+85 |
| NDK晶振 | NP7050SK,SL,SM,SN | 15~2100 | 7.0x5.2x1.6 | LVDS | -40~+85 |
| NDK晶振 | NP7050SK,SL,SM,SN | 15~2100 | 7.0x5.2x1.6 | LVDS | -40~+85 |
| NDK晶振 | NP7050SK,SL,SM,SN | 15~2100 | 7.0x5.2x1.6 | CML | -40~+85 |
| NDK晶振 | NP7050SK,SL,SM,SN | 15~2100 | 7.0x5.2x1.6 | CML | -40~+85 |
| NDK晶振 | NP7050SK,SL,SM,SN | 15~2100 | 7.0x5.2x1.6 | CML | -40~+85 |
| NDK晶振 | NP7050SK,SL,SM,SN | 15~2100 | 7.0x5.2x1.6 | CML | -40~+85 |
| NDK晶振 | NP7050SK,SL,SM,SN | 15~2100 | 7.0x5.2x1.6 | CML | -40~+85 |
| NDK晶振 | NP7050SK,SL,SM,SN | 15~2100 | 7.0x5.2x1.6 | CML | -40~+85 |
| NDK晶振 | NP7050SK,SL,SM,SN | 15~2100 | 7.0x5.2x1.6 | CML | -40~+85 |
| NDK晶振 | NP7050SK,SL,SM,SN | 15~2100 | 7.0x5.2x1.6 | CML | -40~+85 |
| NDK晶振 | NP7050SK,SL,SM,SN | 15~2100 | 7.0x5.2x1.6 | CML | -40~+85 |
| NDK晶振 | NP7050SK,SL,SM,SN | 15~700 | 7.0x5.2x1.6 | HCSL | -40~+85 |
| NDK晶振 | NP7050SK,SL,SM,SN | 15~700 | 7.0x5.2x1.6 | HCSL | -40~+85 |
| NDK晶振 | 石英晶体振荡器 | 15~700 | 7.0x5.2x1.6 | HCSL | -40~+85 |
| NDK晶振 | NP7050SK,SL,SM,SN | 15~700 | 7.0x5.2x1.6 | HCSL | -40~+85 |
| NDK晶振 | NP7050SK,SL,SM,SN | 15~700 | 7.0x5.2x1.6 | HCSL | -40~+85 |
| NDK晶振 | NP7050SK,SL,SM,SN | 15~700 | 7.0x5.2x1.6 | HCSL | -40~+85 |
| NDK晶振 | NP7050SK,SL,SM,SN | 15~700 | 7.0x5.2x1.6 | HCSL | -40~+85 |
| NDK晶振 | NP7050SK,SL,SM,SN | 15~700 | 7.0x5.2x1.6 | HCSL | -40~+85 |
| NDK晶振 | NP7050SK,SL,SM,SN | 15~700 | 7.0x5.2x1.6 | HCSL | -40~+85 |
| NDK晶振 | NP7050SK,SL,SM,SN | 15~200 | 7.0x5.2x1.6 | CMOS | -40~+85 |
| NDK晶振 | NP7050SK,SL,SM,SN | 15~200 | 7.0x5.2x1.6 | CMOS | -40~+85 |
| NDK晶振 | NP7050SK,SL,SM,SN | 15~200 | 7.0x5.2x1.6 | CMOS | -40~+85 |
| NDK晶振 | NP7050SK,SL,SM,SN | 15~200 | 7.0x5.2x1.6 | CMOS | -40~+85 |
| NDK晶振 | NP7050SK,SL,SM,SN | 15~200 | 7.0x5.2x1.6 | CMOS | -40~+85 |
| NDK晶振 | NP7050SK,SL,SM,SN | 15~200 | 7.0x5.2x1.6 | CMOS | -40~+85 |
| NDK晶振 | NP7050SK,SL,SM,SN | 15~200 | 7.0x5.2x1.6 | CMOS | -40~+85 |
| NDK晶振 | NP7050SK,SL,SM,SN | 15~200 | 7.0x5.2x1.6 | CMOS | -40~+85 |
| NDK晶振 | NP7050SK,SL,SM,SN | 15~200 | 7.0x5.2x1.6 | CMOS | -40~+85 |
服务热线:0755-27839045
Q Q联系:262320519
邮箱:szceob2b@163.com


