NDK晶振,VCXO晶振,NV11M09YA晶振,日本电波工业株式NDK晶振会社作为压电石英晶体元器件、压电石英晶振、有源晶振、压电陶瓷谐振器、石英晶振器件的专业生产厂家,以“通过对客户的服务,为社会繁荣和世界和平作出贡献”的创业理念为基础于1948年成立。
要认识到作为世界一流厂家的使命和责任,要始终在行业中起带头作用。抢先取得社会需求,为客户提供高质量的服务与晶振,石英晶振,有源晶振,压控晶体振荡器,陶瓷晶振,声表面谐振器,贴片晶振。追求使用更方便、更稳定的发振源,创造更高的附加价值。不畏失败,向困难挑战,努力培养出能自我开发的人才。通过工作发扬人格。尊重个人,努力提高员工的生活水平。

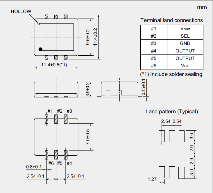
|
型号 |
NV11M09YA(VCXO) |
|
|
输出频率范围 |
622.08~669.3266MHz |
|
|
标准频率 |
622.08MHz |
|
|
电源电压范围 |
+1.68~+3.5V |
|
|
电源电压(Vcc) |
+1.8V/+2.6V/+2.8V/+3.0V/+3.3V |
|
|
消耗电流 |
+100mA max. |
|
|
待机时电流 |
- |
|
|
输出电压 |
0.8Vp-p min.(f≦52MHz)(削峰正弦波/DC-coupled) |
|
|
输出负载 |
10kΩ//10pF |
|
|
频率稳定度 |
常温偏差 |
±1.5×10-6 max.(After 2 reflows) |
|
温度特性 |
±1.0×10-6,±2.5×10-6 max./-10~+70℃ |
|
|
电源电压特性 |
±0.2×10-6 max.(VCC ±5%) |
|
|
负载变化特性 |
±0.2×10-6 max.(10kΩ//10pF±10%) |
|
|
长期变化 |
±1.0×10-6 max./year |
|
|
频率控制 |
控制灵敏度 |
±3.0×10-6~±5.0×10-6/Vcont=+1.4V±1V @VCC≧+2.6V |
|
频率控制极性 |
正极性 |
|


PCB设计指导
(1) 理想情况下,机械蜂鸣器应安装在一个独立于晶体器件的PCB板上。如果您安装在同一个PCB板上,最好使用余量或切割PCB。当应用于PCB板本身或PCB板体内部时,机械振动程度有所不同。建议遵照内部板体特性。
(2) 在设计时请参考相应的推荐封装。
(3) 在使用焊料助焊剂时,按JIS标准(JIS C 60068-2-20/IEC 60,068-2-20).来使用。
(4) 请按JIS标准(JIS Z 3282, Pb 含量 1000ppm, 0.1wt% 或更少)来使用无铅焊料。
存储事项
(1) 在更高或更低温度或高湿度环境下长时间保存晶振时,会影响频率稳定性或焊接性。请在正常温度和湿度环境下保存这些石英晶振产品,并在开封后尽可能进行安装,以免长期储藏。
正常温度和湿度:
温度:+15°C 至 +35°C,湿度 25 % RH 至 85 % RH(请参阅“测试点JIS C 60068-1 / IEC 60068-1的标准条件”章节内容)。
(2) 请仔细处理内外盒与卷带。外部压力会导致卷带受到损坏。NDK晶振,VCXO晶振,NV11M09YA晶振

日本电波工业株式NDK晶振已经建立和正在推动一项中期计划的具体减排目标,以减少二氧化碳的排放是全球变暖的原因。它也有助于减少(抑制)CO2排放量,通过使用最先进的技术,实现最小化,以及减少石英晶体谐振器,石英晶体的重量和功耗,以支持社会的需要。
日本电波工业株式NDK晶振的新概念的温补晶振,石英晶体振荡器器件。通过产品生命周期提高整体节能贡献和环境绩效的举措。制造-环境友好生产—优化-提高性能/效率的节能贡献—通过制造致密/复杂产品减少资源节约—环境消除/减少环境负荷物质—这些是倡议的支柱。
NDK晶振集团作为“地球内企业”,在保护地球环境方面发挥着领导作用。我们尊重历史、文化和传统的多样性,并致力于“CSR经营”和“环境经营”。为取得社会的信任,为推动环境负荷最小化,集团还开展了各种各样的活动。NDK晶振,VCXO晶振,NV11M09YA晶振
服务热线:0755-27839045
Q Q联系:262320519
邮箱:szceob2b@163.com


