NDK晶振,有源晶振,NV13M09WS晶振,日本电波工业株式NDK晶振会社于1948年成立。要认识到作为世界一流厂家的使命和责任,要始终在行业中起带头作用。抢先取得社会需求,为客户提供高质量的服务与晶振,石英晶振,有源晶振,压控晶体振荡器,陶瓷晶振,声表面谐振器,贴片晶振。追求使用更方便、更稳定的发振源,创造更高的附加价值。不畏失败,向困难挑战,努力培养出能自我开发的人才。通过工作发扬人格。尊重个人,努力提高员工的生活水平。
|
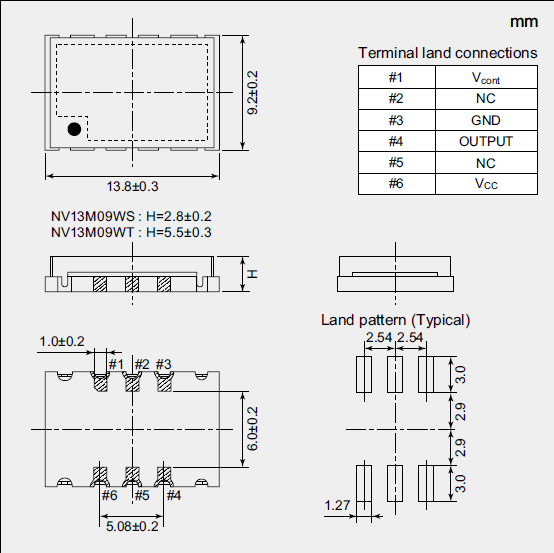
型号 |
NV13M09WS(VCXO) |
|
|
输出频率范围 |
100~125MHz |
|
|
标准频率 |
100MHz/122.8MHz/ |
|
|
电源电压范围 |
+1.68~+3.5V |
|
|
电源电压(Vcc) |
+1.8V/+2.6V/+2.8V/+3.0V/+3.3V |
|
|
消耗电流 |
+30mA max. |
|
|
待机时电流 |
- |
|
|
输出电压 |
0.8Vp-p min.(f≦52MHz)(削峰正弦波/DC-coupled) |
|
|
输出负载 |
10kΩ//15pF |
|
|
频率稳定度 |
常温偏差 |
±1.5×10-6 max.(After 2 reflows) |
|
温度特性 |
±1.0×10-6,±2.5×10-6 max./-40~+85℃ |
|
|
电源电压特性 |
±0.2×10-6 max.(VCC ±5%) |
|
|
负载变化特性 |
±0.2×10-6 max.(10kΩ//10pF±10%) |
|
|
长期变化 |
±1.0×10-6 max./year |
|
|
频率控制 |
控制灵敏度 |
±3.0×10-6~±5.0×10-6/Vcont=+1.4V±1V @VCC≧+2.6V |
|
频率控制极性 |
正极性 |
|

所有产品的共同点
1:抗冲击
抗冲击是指晶振产品可能会在某些条件下受到损坏。例如从桌上跌落,摔打,高空抛压或在贴装过程中受到冲击。如果产品已受过冲击请勿使用。因为无论何种石英晶振,其内部晶片都是石英晶振制作而成的,高空跌落摔打都会给晶振照成不良影响。
2:辐射
将贴片晶振暴露于辐射环境会导致产品性能受到损害,因此应避免阳光长时间的照射。
3:化学制剂 / pH值环境
请勿在PH值范围可能导致腐蚀或溶解石英晶振或包装材料的环境下使用或储藏这些产品。
4:粘合剂
请勿使用可能导致石英晶振所用的封装材料,终端,组件,玻璃材料以及气相沉积材料等受到腐蚀的胶粘剂。(比如,氯基胶粘剂可能腐蚀一个晶振的金属“盖”,从而破坏密封质量,降低性能。
5:卤化合物
请勿在卤素气体环境下使用晶振。即使少量的卤素气体,比如在空气中的氯气内或封装所用金属部件内,都可能产生腐蚀。同时,请勿使用任何会释放出卤素气体的树脂。
6:静电
过高的静电可能会损坏贴片晶振,请注意抗静电条件。请为容器和封装材料选择导电材料。在处理的时候,请使用电焊枪和无高电压泄漏的测量电路,并进行接地操作。NDK晶振,有源晶振,NV13M09WS晶振
日本电波工业株式NDK晶振已经建立和正在推动一项中期计划的具体减排目标,以减少二氧化碳的排放是全球变暖的原因。它也有助于减少(抑制)CO2排放量,通过使用最先进的技术,实现最小化,以及减少石英晶体谐振器,石英晶体的重量和功耗,以支持社会的需要。
日本电波工业株式NDK晶振的新概念的温补晶振,石英晶体振荡器器件。通过产品生命周期提高整体节能贡献和环境绩效的举措。制造-环境友好生产—优化-提高性能/效率的节能贡献—通过制造致密/复杂产品减少资源节约—环境消除/减少环境负荷物质—这些是倡议的支柱。
日本电波工业株式NDK晶振超低电压驱动的CO2排放量(0.8V ~)型时钟振荡器(nz2520sf)采用最先进的技术和传统的产品开发(2700系列)是由环境LCA技术相比。二氧化碳排放量的计算量的部分制造,产品制造和我们的产品纳入笔记本电脑的功耗,以及产品运输的燃料消耗量。所采用的分析方法是“现场类型”,研究工厂和生产线单位的功耗,然后从产品的总金额,每产品的功耗。NDK晶振,有源晶振,NV13M09WS晶振
服务热线:0755-27839045
Q Q联系:262320519
邮箱:szceob2b@163.com


