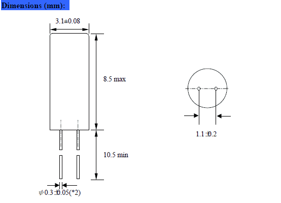
频率:32.768K 尺寸:3*8mm
插件石英晶振最适合用于比较低端的电子产品,比如儿童玩具,普通家用电器,即使在汽车电子领域中。晶振的真空封装技术:是指石英晶振在真空封装区域内进行封装。1.防止外界气体进入组件体内受到污染和增加应力的产生;2.使晶振组件在真空下电阻减小;3.气密性高。此技术为研发及生产超小型、超薄型石英晶振必须攻克的关键技术之一

NSK晶振,石英晶振,NXF3-8晶振,插件石英晶振最适合用于比较低端的电子产品,比如儿童玩具,普通家用电器,即使在汽车电子领域中。晶振的真空封装技术:是指石英晶振在真空封装区域内进行封装。1.防止外界气体进入组件体内受到污染和增加应力的产生;2.使晶振组件在真空下电阻减小;3.气密性高。此技术为研发及生产超小型、超薄型石英晶振必须攻克的关键技术之一
|
NSK晶振规格 |
单位 |
晶振频率范围 |
石英晶振基本条件 |
|
标准频率 |
f_nom |
32.768KHZ |
标准频率 |
|
储存温度 |
T_stg |
-20°C ~ +70°C |
裸存 |
|
工作温度 |
T_use |
-10°C ~ +60°C |
标准温度 |
|
激励功率 |
DL |
200μW Max. |
推荐:1μW ~ 100μW |
|
频率公差 |
f_— l |
±50 × 10-6 (标准), |
+25°C 对于超出标准的规格说明, |
|
频率温度特征 |
f_tem |
±30 × 10-6/-20°C ~ +70°C |
超出标准的规格请联系我们. |
|
负载电容 |
CL |
12.5PF |
超出标准说明,请联系我们. |
|
串联电阻(ESR) |
R1 |
如下表所示 |
-40°C — +85°C, DL = 100μW |
|
频率老化 |
f_age |
±5 × 10-6 / year Max. |
+25°C,第一年 |
|
|



使用环境(温度和湿度)
请在规定的温度范围内使用石英晶体谐振器。这个温度涉及本体的和季节变化的温度。在高湿环境下,会由于凝露引起故障。请避免凝露的产生。
晶振/石英晶体谐振器
激励功率
在晶振上施加过多驱动力,会导致产品特性受到损害或破坏。电路设计必须能够维持适当的激励功率 (请参阅“激励功率”章节内容)。
负极电阻
除非石英晶体振荡器回路中分配足够多的负极电阻,否则振荡或振荡启动时间可能会增加(请参阅“关于振荡”章节内容)。
负载电容
有源晶振振荡电路中负载电容的不同,可能导致振荡频率与设计频率之间产生偏差。试图通过强力调整,可能只会导致不正常的振荡。在使用之前,请指明该振动电路的负载电容。NSK晶振,石英晶振,NXF 3-8晶振
台湾津绽NSK晶振科技股份有限公司藉由环境/安卫管理系统的推动执行,以整合内部资源,奠定经营管理的基础.藉执行环境考虑面/安卫危害鉴别作业,环境/安卫管理方案和内部稽核为手段,合理化推动环境/安卫管理,落实环境/安卫系统有效实施.并不断透过教育训练灌输员工环境/安卫观念及意识,藉由改善公司制程以达到污染预防、工业减废、安全与卫生、符合法规要求使企业永续发展减少环境/安卫负担,并满足客户需求,获得客户的信赖而努力.
台湾NSK晶振环保基本理念:
1.作为良好的企业市民,遵循本公司的行动方针,充分关心维护地球环境。遵守国内外的有关环保法规。
2.保护自然环境,充分关注自然生态等方面的环境保护,维持和保全生物多样性。
3.有效利用资源和能源,认识到资源和能源的有限性,努力进行有效利用。
4为构建循环型社会做出贡献,致力于减少废弃物及废弃物的再利用核再生循环,努力构建循环型社会。
5.推进环保型业务,充分发挥综合实力,推进环保型业务,为减轻社会的环境负荷做出贡献。
6.建立环境管理系统,充分运用环境管理系统,设定环境目的和目标,定期修正,不断改善,努力预防环境污染。
服务热线:0755-27839045
Q Q联系:262320519
邮箱:szceob2b@163.com


