TXC晶振,恒温晶振,OB晶振,TXC晶振公司是一家领先的专业频率控制,自1983年成立以来,始终致力于石英晶振、振荡器(Oscillator) 32.768K钟表晶振,温补晶振,石英晶体振荡器等频率组件之研发、设计、生产与销售.经过三十年的努力,台湾晶技总公司而外,另设有如下之生产据点:台北市、桃园市、宁波市、以及重庆市。
TXC晶振目前专业从事这些类别的产品:晶体(32.768kHz,基本兆赫,高精度的兆赫,汽车级)
Oscillators(32.768kHz,CMOS硅MEMS,差分输出,看到汽车级),压控晶体振荡器(CMOS差分输出),TCXO(基础、GPS、精密),压控晶体振荡器(VCXO)、温补晶体振荡器(TCXO)、恒温晶体振荡器(OCXO)等。有源进口晶体振荡器,插件型恒温晶振,OB晶振
|
项目 |
符号 |
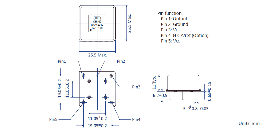
OB恒温晶振规格说明 |
条件 |
|
输出频率范围 |
f0 |
10, 12.8, 13, 16.384MHz |
请联系我们以便获取其它可用频率的相关信息 |
|
电源电压 |
VCC |
3.3V,5V |
请联系我们以了解更多相关信息 |
|
储存温度 |
T_stg |
-55℃ to +125℃ |
裸存 |
|
工作温度 |
T_use |
G: -40℃ to +85℃ |
请联系我们查看更多资料http://www.yijindz.com |
|
H: -40℃ to +105℃ |
|||
|
J: -40℃ to +125℃ |
|||
|
频率稳定度 |
f_tol |
J: ±50 × 10-6 |
|
|
L: ±100 × 10-6 |
|||
|
T: ±150 × 10-6 |
|||
|
功耗 |
ICC |
3.5 mA Max. |
无负载条件、最大工作频率 |
|
待机电流 |
I_std |
3.3μA Max. |
ST=GND |
|
占空比 |
SYM |
45 % to 55 % |
50 % VCC 极, L_CMOS≦15 pF |
|
输出电压 |
VOH |
VCC-0.4V Min. |
|
|
VOL |
0.4 V Max. |
|
|
|
输出负载条件 |
L_CMOS |
15 pF Max. |
|
|
输入电压 |
VIH |
80% VCC Max. |
ST 终端 |
|
VIL |
20 % VCC Max. |
||
|
上升/下降时间 |
tr / tf |
4 ns Max. |
20 % VCC to 80 % VCC 极, L_CMOS=15 pF |
|
振荡启动时间 |
t_str |
3 ms Max. |
t=0 at 90 % |
|
频率老化 |
f_aging |
±3 × 10-6 / year Max. |
+25 ℃, 初年度,第一年 |


使用每种产品时,请在产品规格说明或产品目录规定使用条件下使用。晶体产品的设计和生产满足它的规格书。通过严格的出厂前可靠性测试以提供高质量高可靠性的产品.但是为了产品的品质和可靠性,必须在适当的条件下存储,安 装,运输。请注意以下的注意事项并在最佳的条件下使用产品,我们将对于客户按自己的判断而使用产品所导致的不良不负任何责任。有源进口晶体振荡器,插件型恒温晶振,OB晶振
存储事项
(1)在更高或更低温度或高湿度环境下长时间保存石英晶体产品时,会影响频率稳定性或焊接性。请在正常温度和湿度环境下保存这些晶体产品,并在开封后尽可能进行安装,以免长期储藏。
正常温度和湿度:
温度:+15°C 至 +35°C,湿度 25 % RH 至 85 % RH(请参阅“测试点JIS C 60068-1 / IEC 60068-1的标准条件”章节内容)。
(2)请仔细处理内外盒与卷带。外部压力会导致卷带受到损坏。
超声波清洗
(1)使用AT-切割晶体和表面声波(SAW)谐振器/滤波器的产品,可以通过超声波进行清洗。但是,在某些条件下, 晶体特性可能会受到影响,而且内部线路可能受到损坏。确保已事先检查系统的适用性。
(2)使用音叉晶体和陀螺仪传感器的产品无法确保能够通过超声波方法进行清洗,因为晶体可能受到破坏。
(3)请勿清洗开启式产品
(4)对于可清洗产品,应避免使用可能对产品产生负面影响的清洗剂或溶剂等。
(5)焊料助焊剂的残留会吸收水分并凝固。这会引起诸如位移等其它现象。这将会负面影响产品的可靠性和质量。请清理残余的助焊剂并烘干PCB。
操作
请勿用镊子或任何坚硬的工具,夹具直接接触IC的表面。
晶体单元/谐振器
激励功率
在晶体单元上施加过多驱动力,会导致产品特性受到损害或破坏。电路设计必须能够维持适当的激励功率 (请参阅“激励功率”章节内容)。
负极电阻
除非振荡回路中分配足够多的负极电阻,否则振荡或振荡启动时间可能会增加(请参阅“关于振荡”章节内容)。
负载电容
振荡电路中负载电容的不同,可能导致振荡频率与设计频率之间产生偏差。试图通过强力调整,可能只会导致不正常的振荡。在使用之前,请指明该振动电路的负载电容(请参阅“负载电容”章节内容)。TXC晶振,恒温晶振,OB晶振

台湾TXC晶振本于‘善尽企业责任、降低环境冲击、提升员工健康’的理念,执行各项环境及职业安全卫生管理工作;落实公司环安卫政策要求使环境暨安全卫生管理成效日益显著,2003年通过ISO14001环境管理系统验证,秉持“污染预防、持续改善”之原则。有源进口晶体振荡器,插件型恒温晶振,OB晶振
台湾TXC晶振劳工职业安全卫生议题近年成为世界各国及企业关注焦如何做到‘降低职业灾害发生、确保工作场所安全、实施员工健康管理’一直是TXC晶体努力的方向.与我们的员工一起开创并保持一个免于事故的工作场所。重视污染预防,消除偏离程序的行为强调通过员工努力这一最可行的方法持续改进我们经营活动的环境绩效。
重视污染预防,消除偏离程序的行为强调通过员工努力这一最可行的方法持续改进我们经营活动的环境绩效。将持续的环境、健康和安全方面的改进、污染预防和员工的努力纳入日常运行当中。加强污染防治,减少现有的污染废弃物以及在未来生产制造中所产生的污染。为确保安全、提高保护预防措施、贴片石英晶振的可靠性以及职业安全,确保职业健康与环境的优越性,通过正式的管理评审和对健康、安全和环境实施效果的持续改进,保护人群及财产与环境。以最小化使用危险材料、能源和其它资源为目的进行公司进口晶振及服务的安全生产和使用,并确保回收利用。以防治污染、保存资源的方式进行商务运作,并积极地对以往的环境破坏进行揭露。持续改进,将环境管理与商务运行和决策过程高度集成,规范其行为。不断进行持续改进的实践。TXC晶振,恒温晶振,OB晶振
服务热线:0755-27839045
Q Q联系:262320519
邮箱:szceob2b@163.com


