泰艺晶振,OSC晶振,OT晶振,台湾泰艺电子是一家专业晶振,石英晶振,有源晶振,压控振荡器频率控制元件制造商.主要产品包括『石英振荡子』、『石英振荡器』、『压控石英振荡器』、『温度补偿石英振荡器』,并且是台湾唯一拥有生产『恒温晶体振荡器』技术的制造商,完整的产品线提供一次性购足的服务.泰艺电子多年来致力于研发创新,部分核心技术是台湾业界的领先者,近年来陆续取得石英相关制造技术专利;未来将持续加强开发,以成为全球石英晶振频控元件领导者之目标迈进。
|
型号 |
符号 |
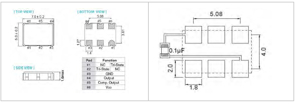
OT (7050) |
|
输出规格 |
- |
HCSL |
|
输出频率范围 |
fo |
90~125MHz |
|
电源电压 |
VCC |
2.5V±0.125V/+3.3V±0.165V |
|
频率公差 |
f_tol |
±50×10-6 max., ±100×10-6 max. |
|
保存温度范围 |
T_stg |
-55~+125℃ |
|
运行温度范围 |
T_use |
-10~+70℃ ,-40~+85℃ |
|
消耗电流 |
ICC |
30mA max. (fo≦170MHz), |
|
待机时电流(#1引脚"L") |
I_std |
10μA max. |
|
输出负载 |
Load-R |
50Ω |
|
波形对称 |
SYM |
45~55% [at outputs cross point] |
|
0电平电压 |
VOL |
-0.15~0.15V |
|
1电平电压 |
VOH |
0.58~0.85V |
|
上升时间 下降时间 |
tr, tf |
0.5ns max. [0.175~0.525V Level] |
|
差分输出电压 |
⊿VOD1, VOD2 |
- |
|
差分输出误差 |
⊿VOD |
- |
|
补偿电压 |
VOS |
- |
|
补偿电压误差 |
⊿VOS |
- |
|
交叉点电压 |
Vcr |
250~550mV |
|
OE端子0电平输入电压 |
VIL |
VCC×0.3 max. |
|
OE端子1电平输入电压 |
VIH |
VCC×0.7 min. |
|
输出禁用时间 |
tPLZ |
200ns |
|
输出使能时间 |
tPZL |
2ms |
|
周期抖动(1) |
tRMS |
5ps typ. (13.5MHz≦fo<27MHz) / 2.5ps typ. (27MHz≦fo<212.5MHz) (σ) |
|
tp-p |
33ps typ. (13.5MHz≦fo<27MHz) / 22ps typ. (27MHz≦fo<212.5MHz) (Peak to peak) |
|
|
总抖动(1) |
tTL |
50ps typ. (13.5MHz≦fo<27MHz) / 35ps typ. (27MHz≦fo<212.5MHz) [tDJ + n×tRJ n=14.1(BER=1×10-12) (2)] |
|
相位抖动 |
tpj |
1.5ps max. (13.5MHz≦fo<27MHz) / 1ps max. (27MHz≦fo<212.5MHz) |

石英晶振各项注意事项:
晶振产品使用每种产品时,请在石英晶振规格说明或产品目录规定使用条件下使用。因很多种晶振产品性能,以及材料有所不同,所以使用注意事项也有所不同,比如焊接模式,运输模式,保存模式等等,都会有所差别。晶振产品的设计和生产直到出厂,都会经过严格的测试检测来满足它的规格要求。通过严格的出厂前可靠性测试以提供高质量高的可靠性的石英晶振.但是为了石英晶体谐振器的品质和可靠性,必须在适当的条件下存储,安 装,运输。请注意以下的注意事项并在最佳的条件下使用产品,我们将对于客户按自己的判断而使用石英晶振所导致的不良不负任何责任。
存储事项
(1)在更高或更低温度或高湿度环境下长时间保存晶体产品时,会影响频率稳定性或焊接性。请在正常温度和湿度环境下保存这些晶体产品,并在开封后尽可能进行安装,以免长期储藏。
正常温度和湿度:
温度:+15°C 至 +35°C,湿度 25 % RH 至 85 % RH(请参阅“测试点JIS C 60068-1 / IEC 60068-1的标准条件”章节内容)。
(2)请仔细处理内外盒与卷带。外部压力会导致卷带受到损坏。
超声波清洗
(1)使用AT-切割晶体和表面声波(SAW)谐振器/滤波器的产品,可以通过超声波进行清洗。但是,在某些条件下, 晶体特性可能会受到影响,而且内部线路可能受到损坏。确保已事先检查系统的适用性。
(2)使用音叉晶体和陀螺仪传感器的产品无法确保能够通过超声波方法进行清洗,因为晶体可能受到破坏。
(3)请勿清洗开启式产品
(4)对于可清洗产品,应避免使用可能对产品产生负面影响的清洗剂或溶剂等。
(5)焊料助焊剂的残留会吸收水分并凝固。这会引起诸如位移等其它现象。这将会负面影响产品的可靠性和质量。请清理残余的助焊剂并烘干PCB。
操作
请勿用镊子或任何坚硬的工具,夹具直接接触IC的表面。泰艺晶振,OSC晶振,OT晶振

服务热线:0755-27839045
Q Q联系:262320519
邮箱:szceob2b@163.com


