Vectron振荡器,PX-4200-EAY-SAFB-50M0000000,高温军事6G晶振,美国进口晶振,Vectron维管晶振PX-420系列,编码为:PX-4200-EAY-SAFB-50M0000000,频率为50.000MHz,尺寸为:12.7x12.7mm ,XO有源晶振,石英晶振,高温晶体振荡器,为极端环境应用提供了一个高温晶体振荡器(PX-420)产品平台。典型的工作温度范围为-55°C到+230°C,在整个工作温度范围内的频率稳定性为+/- 250 ppm。耐高温晶振,应用于:石油/天然气井下工具,地球物理服务,高温工业过程控制,高温军事/航空航天,航空电子设备,发动机控制等。
Vectron在以下技术领域的垂直集成确保了设计和制造最先进的高温频率控制产品的能力:
BAW和SAW设计与制造,生产高品质谐振器。
射频振荡器电路设计。
建立了250°C高温电子封装专业知识。
建立了250°C高温电子组装和测试专业知识。
环境筛选。
Vectron振荡器,PX-4200-EAY-SAFB-50M0000000,高温军事6G晶振,美国进口晶振,Vectron维管晶振PX-420系列,编码为:PX-4200-EAY-SAFB-50M0000000,频率为50.000MHz,尺寸为:12.7x12.7mm ,XO有源晶振,石英晶振,高温晶体振荡器,为极端环境应用提供了一个高温晶体振荡器(PX-420)产品平台。典型的工作温度范围为-55°C到+230°C,在整个工作温度范围内的频率稳定性为+/- 250 ppm。耐高温晶振,应用于:石油/天然气井下工具,地球物理服务,高温工业过程控制,高温军事/航空航天,航空电子设备,发动机控制等。
Vectron在以下技术领域的垂直集成确保了设计和制造最先进的高温频率控制产品的能力:
BAW和SAW设计与制造,生产高品质谐振器。
射频振荡器电路设计。
建立了250°C高温电子封装专业知识。
建立了250°C高温电子组装和测试专业知识。
环境筛选。
Vectron振荡器,PX-4200-EAY-SAFB-50M0000000,高温军事6G晶振,参数图
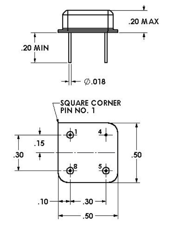
Vectron振荡器,PX-4200-EAY-SAFB-50M0000000,高温军事6G晶振,尺寸图
Vectron振荡器,PX-4200-EAY-SAFB-50M0000000,高温军事6G晶振
Vectron的制造过程,从石英谐振器的制造到振荡器电子器件的组装和测试,都经过精心控制通过ISO和SPC程序。Vectron采用专为高温和恶劣环境应用设计的专有制造工艺制造高温石英谐振器。为了确保现场的高可靠性,关键电极金属化和测试过程在最先进的1K级洁净室内进行,而振荡器组装则在10K级洁净室进行。所有高温振荡器在交付前都经过100%测试。
石英晶体振荡器应用于:
石油/天然气井下工具
地球物理服务
高温工业过程控制
高温军事/航空航天
航空电子设备
发动机控制
服务热线:0755-27839045
Q Q联系:262320519
邮箱:szceob2b@163.com


