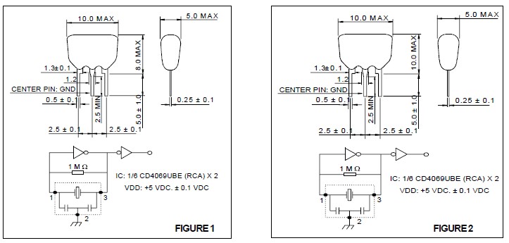
频率:1.80~50.00MHz 尺寸:10.0*5.0mm
插件三脚陶瓷晶振跟贴片的区别在于SMD是编带方式包装,焊接方面支持表面贴装,可对应产品应用到自动贴片机高速安装,是指晶振内部本身有自带负载电容的陶瓷谐振器, “压电陶瓷”, 与CR,LC电路不同,陶瓷振荡子利用的是机械谐振而不是像压电石英晶体一样电谐振的方式起振.这意味着它基本上不受外部电路或电源电压波动的影响
Raltron晶振,POC晶振,三脚插件陶瓷晶振,Raltron晶振公司成立于1983年,是全球较受欢迎的石英晶振,贴片晶振,压电石英晶体等频率产品制造商之一。Raltron积极努力追求一流的生产技术以满足客户的需求,满足客户对于质优价廉的石英晶振,陶瓷晶振,石英晶体振荡器等频率元件的市场需求。通过将这些产品从香港的物流中心运往世界各地,Raltron晶振公司全体员工均以追求完美的服务以及卓越的品质为工作理念.
|
FREQUENCY RANGE |
1.80-6.00MHz |
6.01-13.00MHz |
13.01-50.00MHz |
|
DIMENSIONS |
FIGURE 1 |
FIGURE 2 |
FIGURE 2 |
|
FREQUENCY TOLERANCE AT 25° C |
±0.5% |
±0.5% |
±0.3% |
|
RESONANT IMPEDANCE |
30 OHMSMAX |
25 OHMSMAX |
30 OHMSMAX |
|
FREQUENCYSTABILITYOVERTEMPERATURE |
±0.3% MAX |
||
|
OPERATING TEMPERATURE RANGE |
-20°C TO 80°C |
||
|
ISOLATION RESISTANCE |
100 M OHM MIN |
||
|
FREQUENCY AGING (10 Y EARS) |
±0.3% MAX |
||
|
BUILT-IN CAPACITANCE |
30 pF ±20% MAX |
||
|
MAX VOLTAGE |
6 VDC, 15Vp-p AC |
||
|
STORAGETEMPERATURERANGE |
35°C TO +85°C |
||


所有产品的共同点
1:抗冲击
抗冲击是指晶振产品可能会在某些条件下受到损坏。例如从桌上跌落,摔打,高空抛压或在贴装过程中受到冲击。如果产品已受过冲击请勿使用。因为无论何种石英晶振,其内部晶片都是石英晶振制作而成的,高空跌落摔打都会给晶振照成不良影响。
2:辐射
将贴片晶振暴露于辐射环境会导致产品性能受到损害,因此应避免阳光长时间的照射。
3:化学制剂 / pH值环境
请勿在PH值范围可能导致腐蚀或溶解石英晶振或包装材料的环境下使用或储藏这些产品。
4:粘合剂
请勿使用可能导致石英晶振所用的封装材料,终端,组件,玻璃材料以及气相沉积材料等受到腐蚀的胶粘剂。(比如,氯基胶粘剂可能腐蚀一个晶振的金属“盖”,从而破坏密封质量,降低性能。)5:卤化合物
请勿在卤素气体环境下使用晶振。即使少量的卤素气体,比如在空气中的氯气内或封装所用金属部件内,都可能产生腐蚀。同时,请勿使用任何会释放出卤素气体的树脂。
6:静电
过高的静电可能会损坏贴片晶振,请注意抗静电条件。请为容器和封装材料选择导电材料。在处理的时候,请使用电焊枪和无高电压泄漏的测量电路,并进行接地操作。

Raltron晶振公司不断改进设计,优化工艺,调整工厂布局,采取相应措施,减少各种污染环境的因素,尽可能地节省资源和能源,积极保护厂区和周围地区的环境,在本公司产品的生产与经营过程中充分考虑对环境的影响,为人类的健康生存和持续发展作出贡献.
1.为环境保护和降低成本开发绿色技术.
2.为协调发展,共同参与社会的环境、健康与安全的改善活动.
3.在石英晶振,贴片晶振产品的整个生命周期内确定、评价和改进重要的环境、健康和安全因素.
4.建立和维护以国际协定和国家环境、健康与安全法律法规为基础的企业内部标准.
5.为防止事故的发生和制造清洁的生产环境,开发生产过程的安全技术,明确紧急状态反应的职责.
6.Raltron晶振按照IS014001标准的要求,建立环境管理体系,并在环境目标和方案设定之后追求持续的环境改善.
7.建立和遵守其严格的基于活动所在地法律法规的环境、安全和健康标准.将不断地扩展循环利用、能源和废弃物管理项目.
8.积极使用压电石英晶体元器件、压电石英晶体、有源晶体、(PXO)普通晶体振荡器,(TCXO)温补晶体振荡器,(OCXO)恒温晶体振荡器等环保型原材料,减少生产过程中的废弃物产生量,努力向相关方施加环境影响.

服务热线:0755-27839045
Q Q联系:262320519
邮箱:szceob2b@163.com


无源晶振产品比较适合用于汽车导航、汽车音响等多媒体设备,小型设备,无线设备,影音系统等领域。DSX530GA陶瓷晶振,KDS高品质晶振,1C736864CC1A.

CTS西迪斯振荡器,长方型钟振,MXO45T-2C-27M000000,6G模块,美国进口晶振,西迪斯晶振,有源贴片晶振,时钟振荡器,有源插件振荡器,6G模块专用晶振,OSC晶振,CTS MXO45和MXO45HS是传统的通孔时钟振荡器,提供了一个低成本的设计,支持旧的HCMOS/TTL应用程序。MXO45/MXO45HS不推荐用于新的设计活动,但可用于支持为完整和半尺寸的金属DIP包开发的现有应用程序。
Oscillator Crystal产品应用领域:计算机和外设,微控制器和FPGAs,存储区域网络,宽带接入,数据通信,网络设备,以太网/千兆以太网,光纤通道,测试和测量,6G模块等领域。CTS西迪斯振荡器,长方型钟振,MXO45T-2C-27M000000,6G模块.