| Parameter | Symbol | Specifications | Remarks | |||||||||
| Frequency range | FN | 8.0 ~ 150.0MHz |
Fundamental up to 55MHz 3rd overtone above 40MHz |
|||||||||
| Cut and operation mode | — | AT-Cut / FUND or 3rd OT | ||||||||||
| Frequency tolerance | Δf/f | ±10ppm, ±20ppm, ±30ppm, ±50ppm | Other options available | |||||||||
| Stability over operating temp. | TC | ±10ppm, ±25ppm, ±50ppm, ±100ppm |
Depending on operating temperature range, other options available |
|||||||||
| Operating temperature range | TOP |
– 20°C ~+70°C or –40°C ~+85°C up to –40°C ~ +125°C |
Options available | |||||||||
| Load capacitance | CL | 6 to 32pF or SERIES | Please specify load capacitance | |||||||||
| Equivalent series resistance | ESR |
100Ω ~ 80Ω MAX 80Ω ~ 60Ω MAX 60Ω ~ 40Ω MAX 40Ω ~ 30Ω MAX 100Ω MAX 80Ω MAX |
FUND mode FUND mode FUND mode FUND mode 3rd OT mode 3rd OT mode |
8 ~ 10MHz 10 ~ 16MHz 16 ~ 24MHz 24 ~ 55MHz 40 ~ 60MHz 60 ~ 150MHz |
||||||||
| Drive level | DL | 100µW TYP, 300µW MAX | — | |||||||||
| Aging first year | Δf/y1 | ±3ppm | @+25°C | |||||||||
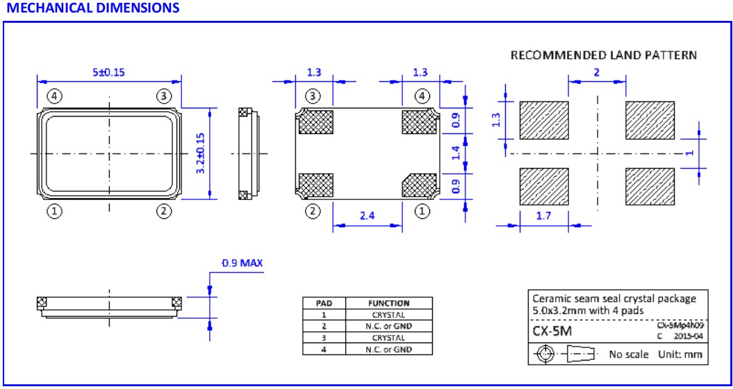
NKG四脚贴片晶振,S5M25.0000F18E23-EXT,局域网6G晶振 尺寸图
NKG四脚贴片晶振,S5M25.0000F18E23-EXT,局域网6G晶振
环境合规信息符合:
符合RoHS 6/6(指令2011/65/EC)和无铅。
符合RoHS 2/3(指令2015/863)(也称为RoHS 10)。
根据IEC 61249-2-21 2033的定义,不含卤素。
根据REACH,目前没有任何SVHC的使用,随着委员会发布新版本,不断监测和更新。
石英晶体产品不含任何邻苯二甲酸酯(PH)。
产品不含聚氯乙烯。
该产品不含全氟辛烷磺酸/全氟辛烷酸,也不用于制造该产品的成分。
湿度敏感度等级(MSL)1,符合J-STD-020C。
服务热线:0755-27839045
Q Q联系:262320519
邮箱:szceob2b@163.com


