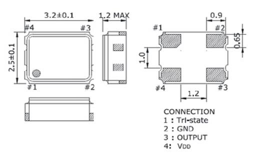
频率:32.768KHz
尺寸:3.2*2.5mm
3225贴片晶振,体积小,焊接可采用自动贴片系统,产品本身小型,表面贴片晶振,特别适用于有小型化要求的电子数码产品市场领域,因产品小型,薄型优势,耐环境特性,包括耐高温,耐冲击性等,在移动通信领域得到了广泛的应用,晶振产品本身可发挥优良的电气特性,满足无铅焊接的高温回流温度曲线要求.
三呢晶振,3225进口晶振,SCO-32振荡器.小型SMD有源晶振,从最初超大体积到现在的7050mm,6035mm,5032mm,3225mm,2520mm体积,有着翻天覆地的改变,体积的变小也使产品带来了更高的稳定性能,接缝密封石英晶体振荡器,精度高,覆盖频率范围宽的特点,SMD高速自动安装和高温回流焊设计,Optionable待机输出三态输出功能,电源电压范围:1.8V?5V,高稳定性,低抖动,低功耗,主要应用领域:无线通讯,高端智能手机,平板笔记本WLAN,蓝牙,数码相机,DSL和其他IT产品的晶振应用,三态功能,PC和LCDM等高端数码领域,符合RoHS/无铅.
石英晶振真空退火技术:晶振高真空退火处理是消除SMD晶振在加工过程中产生的应力及轻微表面缺陷.在PLC控制程序中输入已设计好的温度曲线,使真空室温度跟随设定曲线对晶体组件进行退火,石英晶振通过合理的真空退火技术可提高晶振主要参数的稳定性,以及提高石英晶振的年老化特性.
三呢晶振集团致力于研发生产高精密,性能稳定的石英晶体振荡器,满足不同客户的特殊要求,并且具有低噪音,低相位等特点.有源晶振,压控振荡器,(PXO)普通晶体振荡器,(TCXO)温补晶体振荡器,(OCXO)恒温晶体振荡器等在产品中使用具备优异的振动性,耐冲击等特性.三呢晶振还为广大用户提供具有良好可靠性,在产品中使用性能稳定强的自校准振荡器,石英晶体振荡器.
|
三呢晶振 |
SCO-32晶振 |
|
输出类型 |
CMOS |
|
振荡模式 |
基本/第三泛音 |
|
电源电压 |
1.8V,2.5V,3.3V |
|
频率范围 |
32.768KHz |
|
频率稳定度 |
±20ppm,±25ppm,±50ppm,±100ppm |
|
工作温度 |
0~+70℃,-20~+70℃,-40~+85℃ |
|
保存温度 |
-55~+125℃ |
|
电压卷(最大值)/ VOH(最小值) |
0.1 VDD / 0.9 VDD |
|
启动时间 |
5 ms Max. |
|
相位抖动(12兆赫~20兆赫) |
1个PS最大. |
|
老化率 |
±3 ppm /年最大. |
化学制剂/pH值环境
请勿在PH值范围可能导致腐蚀或溶解产品或包装材料的环境下使用或储藏进口晶振.
粘合剂
请勿使用可能导致产品所用的封装材料,终端,组件,玻璃材料以及气相沉积材料等受到腐蚀的胶粘剂.(比如,氯基胶粘剂可能腐蚀一个晶体单元的金属盖,从而破坏密封质量,降低性能.)
卤化合物
请勿在卤素气体环境下使用产品.即使少量的卤素气体,比如在空气中的氯气内或封装所用金属部件内,都可能产生腐蚀.同时,请勿使用任何会释放出卤素气体的树脂.
静电
过高的静电可能会损坏产品,请注意抗静电条件.请为容器和封装材料选择导电材料.在处理的时候,请使用电焊枪和无高电压泄漏的测量电路,并进行接地操作.
激励功率
在四脚贴片晶振单元上施加过多驱动力,会导致产品特性受到损害或破坏.电路设计必须能够维持适当的激励功率.
负极电阻
除非振荡回路中分配足够多的负极电阻,否则振荡或振荡启动时间可能会增加.
负载电容
振荡电路中负载电容的不同,可能导致振荡频率与设计频率之间产生偏差.试图通过强力调整,可能只会导致不正常的振荡.在使用之前,请指明该振动电路的负载电容.
晶体振荡器和实时时钟模块
所有网络设备振荡器和实时时钟模块都以IC形式提供.
噪音
在电源或输入端上施加执行级别(过高)的不相干(外部的)噪音,可能导致会引发功能失常或击穿的闭门或杂散现象.
输入终端的处理
未用针脚可能会引起噪声响应,从而导致非正常工作.同时,当P通道和N通道都处于打开时,电源功率消耗也会增加;因此,请将未用输入终端连接到VCC或GND.
三呢晶振集团环保基本理念:
1.作为良好的企业市民,遵循本公司的行动方针,充分关心维护地球环境.遵守国内外的有关环保法规.
2.保护自然环境,充分关注自然生态等方面的环境保护,维持和保全生物多样性.
3.有效利用资源和能源,认识到资源和能源的有限性,努力进行有效利用.
4为构建循环型社会做出贡献,致力于减少温补晶振,石英晶体振荡器, 压电石英晶体元器件,压电石英晶体,有源晶体,石英晶振,贴片晶振材料的废弃物及废弃物的再利用核再生循环,努力构建循环型社会.
5.推进环保型业务,充分发挥综合实力,推进石英晶振,贴片晶振环保型业务,为减轻社会的环境负荷做出贡献.
6.建立环境管理系统,充分运用环境管理系统,设定环境目的和目标,定期修正,不断改善,努力预防环境污染.
三呢晶振集团所生产的压电石英晶体,有源晶体,温补晶体振荡器,恒温晶体振荡器完全符合ISO14001环境管理体系标准的要求,体现了一个适合,三个承诺和一个框架:
建造美丽家园——适合于我公司的生产活动,产品以及服务过程的性质.规模与环境影响;
持续改进——持续改进环境绩效和环境管理体系的承诺;
减少污染,节能降耗——污染预防的承诺;
依法治理——遵守现行适用的环境法律,法规和其他要求的承诺;
减少污染,节能降耗,建造美丽家园;依法治理,持续改进,净化一片蓝天提供了建立和评审环境目标和指标的框架.
三呢晶振环境影响的最小化:遵照社会的期望,改进我们的环境行为,我们将通过有效利用森林,能源以及其它资源,减少各种形式的废物来实现这一承诺.
三呢晶振保障.每年我们都将建立可测量的环境管理以及行为改进的目标和指标.
环境行为评价:评价我们运行以及员工的环境行为表现,确认支撑着本方针的成绩.我们将向我们的员工提供信息,以及能够将方针与各自工作职责完全结合的培训.
加强环境意识教育,提高全员环境意识,充分调动职工的积极性,积极使用温补晶体振荡器,恒温晶体振荡器,晶振,石英晶振,有源晶振环保型原材料,减少生产过程中的废弃物产生量,努力向相关方施加环境影响.
我们的活动,产品和服务首先要遵守和符合有关环境的法律和其他环境要求.努力探索生产中所使用的有毒有害物质的替代,本着污染预防的思想,使我们的有源晶振,压控振荡器, 晶振,石英晶振更趋于绿色,提高本公司的社会形象.
三呢晶振集团不断改进设计,优化工艺,调整工厂布局,采取相应措施,减少各种污染环境的因素,尽可能地节省资源和能源,积极保护厂区和周围地区的环境,在本公司石英晶振,贴片晶振,压电石英晶体,有源晶体的生产与经营过程中充分考虑对环境的影响,为人类的健康生存和持续发展作出贡献.

服务热线:0755-27839045
Q Q联系:262320519
邮箱:szceob2b@163.com

频率:4~72MHz
尺寸:3.2*2.5mm
贴片晶振本身体积小,超薄型石英晶体振荡器,特别适用于有目前高速发展的高端电子数码产品,因为晶振本身小型化需求的市场领域,小型,薄型是对应陶瓷谐振器(偏差大)和普通的石英晶体振荡器(偏差小)的中间领域的一种性价比较出色的产品.产品广泛用于笔记本电脑,无线电话,卫星导航SSD,USB,Blu-ray等用途,符合无铅焊接的高温回流焊曲线特性.

频率1~48MHz
尺寸:3.2*2.5mm
小型SMD有源晶振,从最初超大体积到现在的7050mm,6035mm,5032mm,3225石英晶振,2520mm体积,有着翻天覆地的改变,体积的变小也使产品带来了更高的稳定性能,接缝密封石英晶体振荡器,精度高,覆盖频率范围宽的特点,SMD高速自动安装和高温回流焊设计,Optionable待机输出三态输出功能,电源电压范围:1.8V?5V,高稳定性,低抖动,低功耗,主要应用领域:无线通讯,高端智能手机,平板笔记本WLAN,蓝牙,数码相机,DSL和其他IT产品的晶振应用,三态功能,PC和LCDM等高端数码领域,符合RoHS/无铅.

频率:32.768KHz
尺寸:3.2*2.5mm
贴片石英晶振,体积小,焊接可采用自动贴片系统,产品本身小型,表面贴片晶振,特别适用于有小型化要求的电子数码产品市场领域,因产品小型,薄型优势,耐环境特性,包括耐高温,耐冲击性等,在移动通信领域得到了广泛的应用,晶振产品本身可发挥优良的电气特性,满足无铅焊接的高温回流温度曲线要求.