Pletronics晶振,SM55G晶振,5032晶振,Pletronics晶振公司创建于1979年,至今已有超过30年之久的工程和制造经验。主营石英晶振,贴片晶振, 有源晶振,压控振荡器,(PXO)普通晶体振荡器,(TCXO)温补晶体振荡器等。所生产的产品使用范围广包括亚洲、欧洲和北美的制造业.Pletronics晶振公司拥有国际工程,物流和销售支持.产品设计创新,价格竞争有优势,订货交期时间短在业界具有较好的声誉.2008年为新兴技术发布了重要的新产品,如超精密有源晶振,低损耗石英晶体振荡器等.Pletronics晶振公司关注用户需求,不断研发新品,改善现有产品。

|
项目 |
符号 |
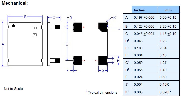
SM55G晶振规格说明 |
条件 |
|
输出频率范围 |
f0 |
0.8MHz to 165 MHz |
请联系我们以便获取其它可用频率的相关信息 |
|
电源电压 |
VCC |
1.8V,2.5 V |
请联系我们以了解更多相关信息 |
|
储存温度 |
T_stg |
-55℃ to +125℃ |
裸存 |
|
工作温度 |
T_use |
G: -10℃ to +70℃ |
请联系我们查看更多资料http://www.jingzhen95.com/ |
|
H: -20℃ to +70℃ |
|||
|
J: -40℃ to +85℃ |
|||
|
频率稳定度 |
f_tol |
J: ±20 × 10-6 |
|
|
L: ±25 × 10-6 |
|||
|
T: ±50 × 10-6 |
|||
|
功耗 |
ICC |
20 mA |
无负载条件、最大工作频率 |
|
待机电流 |
I_std |
10μA |
ST=GND |
|
占空比 |
SYM |
45 % to 55 % |
50 % VCC 极, L_CMOS≦15 pF |
|
输出电压 |
VOH |
VCC-0.4V Min. |
|
|
VOL |
0.4 V Max. |
|
|
|
输出负载条件 |
L_CMOS |
15 pF |
|
|
输入电压 |
VIH |
80% VCC Max. |
ST 终端 |
|
VIL |
20 % VCC Max. |
||
|
上升/下降时间 |
tr / tf |
250 ns |
20 % VCC to 80 % VCC 极, L_CMOS=15 pF |
|
振荡启动时间 |
t_str |
10 ms . |
t=0 at 90 % |
|
频率老化 |
f_aging |
±3 × 10-6 / year Max. |
+25 ℃, 初年度,第一年 |

PCB设计指导
(1)理想情况下,机械蜂鸣器应安装在一个独立于音叉晶体器件的PCB板上。如果您安装在同一个PCB板上,最好使用余量或切割PCB。当应用于PCB板本身或PCB板体内部时,机械振动程度有所不同。建议遵照内部板体特性。
(2)在设计时请参考相应的推荐封装。
(3)在使用焊料助焊剂时,按JIS标准(JIS C 60068-2-20/IEC 60,068-2-20).来使用。
(4)请按JIS标准(JIS Z 3282, Pb 含量 1000ppm, 0.1wt% 或更少)来使用无铅焊料。
存储事项
(1)更高或更低温度或高湿度环境下长时间保存进口贴片晶振产品时,会影响频率稳定性或焊接性。请在正常温度和湿度环境下保存这些晶体产品,并在开封后尽可能进行安装,以免长期储藏。
正常温度和湿度:
温度:+15°C 至 +35°C,湿度 25 % RH 至 85 % RH(请参阅“测试点JIS C 60068-1 / IEC 60068-1的标准条件”章节内容)。
(2)请仔细处理内外盒与卷带。外部压力会导致卷带受到损坏。Pletronics晶振,SM55G晶振,5032晶振
Pletronics晶振公司运用ISO14001环境管理系统进行环境管理,尽最大可能减小业务活动对环境造成的负担,并通过业务发展推进环境改善.
Pletronics晶振集团将建立可行的技术及经济性环境目标,并确保其环境保护活动的质量.
集团公司将关注所有环境适用的法律、法规和协议的遵守情况.另外为更有效的进行环境保护,将建立自己的特有的环境标准.
Pletronics晶振集团将在各领域内的商务运作中实施持续改进,包括能源资源的保持,回收再利用以及减少温补晶振,石英晶体振荡器废弃物等.
Pletronics晶振根据需要,提高环境技术、材料和压电石英晶体元器件、晶振,有源晶振,压控振荡器,压电石英晶体、有源晶体产品的发展信息及环境管理活动的公开性.减少污染物排放
对不可再生的资源进行有效利用.减少废物的产生,对其排放的责任进行有效管理,有效地使用能源.
实施创新战略,提高自主创新能力,确保公司可持续发展.实施节约战略,提高建设节约环保型企业能力,确保实现节能环保规划目标.Pletronics晶振,SM55G晶振,5032晶振
服务热线:0755-27839045
Q Q联系:262320519
邮箱:szceob2b@163.com


