Pletronics晶振,SM55M晶振,OSC晶振,Pletronics晶振公司主要研发生产晶振,石英晶振,有源晶体,石英晶体振荡器等元件.1979年,在美国华盛顿州成立,近几年来为新兴技术发布了重要的新产品,如超精密有源晶振,低损耗晶体振荡器等。发展过程和精密温补晶振,温补晶体振荡器的初步试生产至今已有超过30年之久的工程和制造经验.所生产的产品使用范围广包括亚洲、欧洲和北美的制造业.Pletronics晶振公司拥有国际工程,物流和销售支持.产品设计创新,价格竞争有优势,订货交期时间短在业界具有较好的声誉.

|
项目 |
符号 |
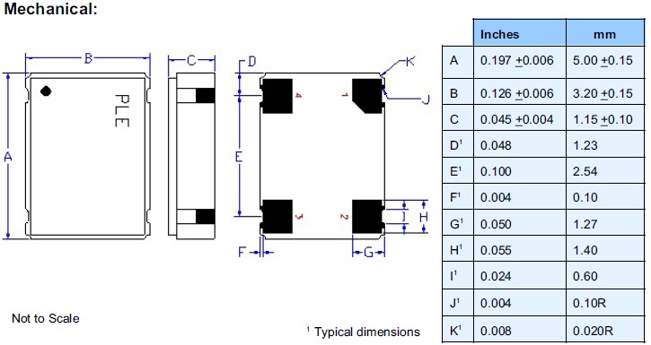
SM55M晶振规格说明 |
条件 |
|
输出频率范围 |
f0 |
0.8MHz to 165 MHz |
请联系我们以便获取其它可用频率的相关信息 |
|
电源电压 |
VCC |
1.8V,2.5 V,3.3V |
请联系我们以了解更多相关信息 |
|
储存温度 |
T_stg |
-55℃ to +125℃ |
裸存 |
|
工作温度 |
T_use |
G: -10℃ to +70℃ |
请联系我们查看更多资料http://www.jingzhen95.com/ |
|
H: -20℃ to +70℃ |
|||
|
J: -40℃ to +85℃ |
|||
|
频率稳定度 |
f_tol |
J: ±5 × 10-6 |
|
|
L: ±10 × 10-6 |
|||
|
功耗 |
ICC |
20 mA |
无负载条件、最大工作频率 |
|
待机电流 |
I_std |
10μA |
ST=GND |
|
占空比 |
SYM |
45 % to 55 % |
50 % VCC 极, L_CMOS≦15 pF |
|
输出电压 |
VOH |
VCC-0.4V Min. |
|
|
VOL |
0.4 V Max. |
|
|
|
输出负载条件 |
L_CMOS |
15 pF |
|
|
输入电压 |
VIH |
80% VCC Max. |
ST 终端 |
|
VIL |
20 % VCC Max. |
||
|
上升/下降时间 |
tr / tf |
250 ns |
20 % VCC to 80 % VCC 极, L_CMOS=15 pF |
|
振荡启动时间 |
t_str |
10ms . |
t=0 at 90 % |
|
频率老化 |
f_aging |
±3 × 10-6 / year Max. |
+25 ℃, 初年度,第一年 |

操作
请勿用镊子或任何坚硬的工具,夹具直接接触IC的表面。
使用环境(温度和湿度)
请在规定的温度范围内使用晶振。这个温度涉及本体的和季节变化的温度。在高湿环境下,会由于凝露引起故障。请避免凝露的产生。
晶体单元/谐振器
激励功率
在晶体单元上施加过多驱动力,会导致石英晶振特性受到损害或破坏。电路设计必须能够维持适当的激励功率 (请参阅“激励功率”章节内容)。
负极电阻
除非振荡回路中分配足够多的负极电阻,否则振荡或振荡启动时间可能会增加(请参阅“关于振荡”章节内容)。
负载电容
振荡电路中负载电容的不同,可能导致进口晶振振荡频率与设计频率之间产生偏差。试图通过强力调整,可能只会导致不正常的振荡。在使用之前,请指明该振动电路的负载电容(请参阅“负载电容”章节内容)。Pletronics晶振,SM55M晶振,OSC晶振
Pletronics晶振公司运用ISO14001环境管理系统进行环境管理,尽最大可能减小业务活动对环境造成的负担,并通过业务发展推进环境改善.
Pletronics晶振集团将建立可行的技术及经济性环境目标,并确保其环境保护活动的质量.
集团公司将关注所有环境适用的法律、法规和协议的遵守情况.另外为更有效的进行环境保护,将建立自己的特有的环境标准.
Pletronics晶振集团将在各领域内的商务运作中实施持续改进,包括能源资源的保持,回收再利用以及减少温补晶振,石英晶体振荡器废弃物等.
Pletronics晶振根据需要,提高环境技术、材料和压电石英晶体元器件、晶振,有源晶振,压控振荡器,压电石英晶体、有源晶体产品的发展信息及环境管理活动的公开性.减少污染物排放
对不可再生的资源进行有效利用.减少废物的产生,对其排放的责任进行有效管理,有效地使用能源.
实施创新战略,提高自主创新能力,确保公司可持续发展.实施节约战略,提高建设节约环保型企业能力,确保实现节能环保规划目标.Pletronics晶振,SM55M晶振,OSC晶振
服务热线:0755-27839045
Q Q联系:262320519
邮箱:szceob2b@163.com


