
Greenray晶振,插件有源晶振,T1170/1171晶振,Optionable待机输出三态输出功能,电源电压范围:1.8V?5 V,高稳定性,低抖动,低功耗,主要应用领域:无线通讯,高端智能手机,平板笔记本WLAN,蓝牙,数码相机,DSL和其他IT产品的晶振应用,三态功能,PC和LCDM等高端数码领域,符合RoHS/无铅.
超小型石英贴片晶振晶片的设计:石英晶片的长宽尺寸已要求在±0.002mm内,由于贴片晶振晶片很小导致晶体的各类寄生波(如长度伸缩振动,面切变振动)与主振动(厚度切变振动)的耦合加强,从而造成如若石英晶振晶片的长度或宽度尺寸设计不正确、使得振动强烈耦合导致石英晶振的晶片不能正常工作,从而导致产品在客户端不能正常使用,晶振的研发及生产超小型石英晶振完成晶片的设计特别是外形尺寸的设计是首要需解决的技术问题,公司在此方面通过理论与实践相结合,模拟出一整套此石英晶振晶片设计的计算机程序,该程序晶振的晶片外形尺寸已全面应用并取得很好的效果
|
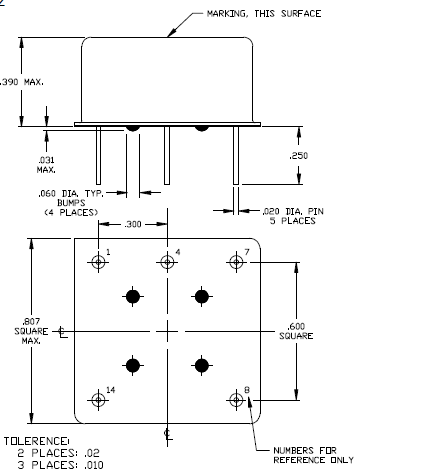
型号 |
T1170/1171 (TCXO) |
|
|
输出频率范围 |
10~300MHz |
|
|
标准频率 |
16.3676MHz/16.367667MHz/16.368MHz/16.369MHz/16.8MHz/26MHz/33.6MHz |
|
|
电源电压范围 |
+1.68?+3.5V |
|
|
电源电压(Vcc) |
+1.8V/+2.6V/+2.8V/+3.0V/+3.3V |
|
|
消耗电流 |
+1.5mA max.(f≦26MHz)/+2.0mA max.(26<f≦52MHz) |
|
|
待机时电流 |
-请联系我们以便获取相关的信息,http://www.jingzhen95.com/ |
|
|
输出电压 |
0.8Vp-p min.(f≦52MHz)(削峰正弦波/DC-coupled) |
|
|
输出负载 |
10kΩ//10pF |
|
|
频率稳定度 |
常温偏差 |
±1.5×10-6 max.(After 2 reflows) |
|
温度特性 |
±0.5×10-6,±2.5×10-6 max./-30?+85℃ |
|
|
电源电压特性 |
±0.2×10-6 max.(VCC ±5%) |
|
|
负载变化特性 |
±0.2×10-6 max.(10kΩ//10pF±10%) |
|
|
长期变化 |
±1.0×10-6 max./year |
|
|
频率控制 |
控制灵敏度 |
- |
|
频率控制极性 |
- |
|
|
启动时间 |
2.0ms max. |
|

如何正确的使用有源晶振
电处理:
将电源连接到有源晶振指定的终端,确定正确的极性这目录所示。注意电源的正负电极逆转或者连接到一个终端以,以为外的指定一个产品部分内的石英晶振,假如损坏那将不会工作。此外如果外接电源电压高于晶振的规定电压值,就很可能会导致石英晶振产品损坏。所以外接电压很重要,一定要确保使用正确的额定电压的振荡,但如果电压低于额定的电压值部分产品将会不起振,或者起不到最佳精度。
有源晶振的负载电容与阻抗
负载电容与阻抗有源晶振设置一个规定的负载阻抗值。当一个值除了规定的一个设置为负载阻抗输出频率和输出电平不会满足时,指定的值这可能会导致问题例如:失真的输出波形。特别是设置电抗,根据规范的负载阻抗。输出频率和输出电平,当测量输出频率或输出水平,晶体振荡器调整的输入阻抗,测量仪器的负载阻抗石英晶体振荡器。当输入阻抗的测量仪器,不同的负载阻抗的晶体振荡器,测量输出频率或输出水平高,阻抗阻抗测量可以忽略。
机械处理
当有源晶振发生外置撞击时,任何石英晶体振荡器在遭到外部撞击时,或者产品不小心跌落时,强烈的外置撞击都将会导致晶振损坏,或者频率不稳定现象。 不执行任何强烈的冲击石英晶体振荡器。
如果一个强大的冲击已经给振荡器确保
在使用前检查其特点
Greenray格林雷晶振环保理念
Greenray石英晶振环保环境与发展对策:实行可持续发展战略.采取有效措施,防治工业污染.提高能源利用效率,改善能源结构.运用经济手段保护环境.大力推进科技进步,加强环境科学研究,积极发展环境保护产业.健全环境法规,强化环境管理.加强环境教育,不断提高环境意识.
Greenray晶振减少污染物排放,对不可再生的资源进行有效利用.减少废物的产生,对其排放的责任进行有效管理,有效地使用能源.通过石英晶振,贴片晶振,温补晶振,石英晶体振荡器设计工艺程序对员工进行培训保护环境以及人们的健康和安全.提供安全使用和废置我们的产品的信息,对环境有重大健康安全和环境的运营现状进行纠正.
Greenray格林雷晶振集团保持就健康安全环境问题与临近摄取进行对话.通过在环境控制方面实施优秀的管理实践,以保护环境和全球运作相关的自然资源.向员工灌输环境价值观,在所有的晶振,石英晶振,有源晶振,压控振荡器产品和生产过程中应用最佳环境实用技术,为全球可持续发展做出贡献.
服务热线:0755-27839045
Q Q联系:262320519
邮箱:szceob2b@163.com


