
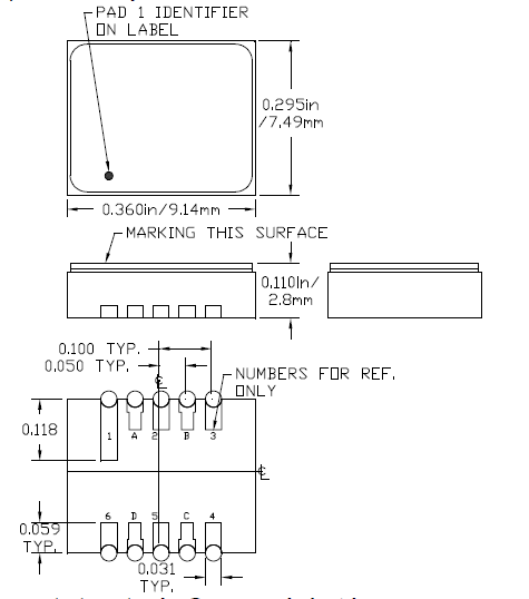
Greenray晶振,六脚贴片晶振,T1215晶振,小型,轻型.低消耗电流,表面贴片型产品.(可对应回流焊)无铅产品.满足无铅焊接的高温回流温度曲线要求,带有AFC(频率控制)功能,Enable/Disable功能,产品本身可根据使用需要进行选择.
有源晶振高频振荡器使用IC与晶片设计匹配技术:有源晶振是高频振荡器研发及生产过程必须要解决的技术难题。在设计过程中除了要考虑石英晶体谐振器具有的电性外,还有石英晶体振荡器的电极设计等其它的特殊性,必须考虑石英晶体振荡器的供应电压、起动电压和产品上升时间、下降时间等相关参数
|
型号 |
T1215(TCXO) |
|
|
输出频率范围 |
750 kHz to 800 MHz |
|
|
标准频率 |
16.3676MHz/16.367667MHz/16.368MHz/16.369MHz/16.8MHz/26MHz/33.6MHz |
|
|
电源电压范围 |
+1.68~+3.5V |
|
|
电源电压(Vcc) |
+1.8V/+2.6V/+2.8V/+3.0V/+3.3V |
|
|
消耗电流 |
+1.5mA max.(f≦26MHz)/+2.0mA max.(26<f≦52MHz) |
|
|
待机时电流 |
-请联系我们以便获取相关的信息,http://www.jingzhen95.com/ |
|
|
输出电压 |
0.8Vp-p min.(f≦52MHz)(削峰正弦波/DC-coupled) |
|
|
输出负载 |
10kΩ//10pF |
|
|
频率稳定度 |
常温偏差 |
±1.5×10-6 max.(After 2 reflows) |
|
温度特性 |
±0.5×10-6,±2.5×10-6 max./-30?+85℃ |
|
|
电源电压特性 |
±0.2×10-6 max.(VCC ±5%) |
|
|
负载变化特性 |
±0.2×10-6 max.(10kΩ//10pF±10%) |
|
|
长期变化 |
±1.0×10-6 max./year |
|
|
频率控制 |
控制灵敏度 |
- |
|
频率控制极性 |
- |
|
|
启动时间 |
2.0ms max. |
|

DIP 产品
已变形的石英晶振引脚不能插入板孔中。请勿施加过大压力,以免引脚变形。
(5)SOJ 产品和SOP 产品
请勿施加过大压力,以免石英晶振引脚变形。已变形的石英晶振引脚焊接时会造成浮起。尤其是SOP产品需要更加小心处理。
9.4.超声波清洗
(1)使用AT-切割晶体和声表面滤波器波(SAW)/声表面谐振器的产品,可以通过超声波进行清洗。但是,在某些条件下, 晶振特性可能会受到影响,而且内部线路可能受到损坏。确保已事先检查系统的适用性。
(2)使用音叉晶体和陀螺仪传感器的产品无法确保能够通过超声波方法进行清洗,因为晶振可能受到破坏。
(3)请勿清洗开启式晶振产品
(4)对于可清洗晶振产品,应避免使用可能对产品产生负面影响的清洗剂或溶剂等。
(5)焊料助焊剂的残留会吸收水分并凝固。这会引起诸如位移等其它现象。这将会负面影响产品的可靠性和质量。请清理残余的助焊剂并烘干PCB。
10.操作
请勿用镊子或任何坚硬的工具,夹具直接接触IC的表面,Greenray晶振,六脚贴片晶振,T1215晶振
Greenray格林雷晶振环保理念
对我们的产品进行检验,同时告知我们的员工顾客以及公众,如何安全的使用,如何使用对环境影响较小,帮助我们的雇员合同方商业伙伴服务提供上理解他们的行为如何影响着环境.
Greenray晶振遵守所有适用的有关环境、健康和安全的法律和法规以及公司自己的有关环境、工业卫生和安全的方针和承诺.
与我们的员工一起开创并保持一个免于事故的工作场所.
Greenray晶振重视污染预防,消除偏离程序的行为强调通过员工努力这一最可行的方法持续改进我们经营活动的环境绩效.
Greenray晶振将持续的环境、健康和安全方面的改进、污染预防和员工的努力纳入日常运行当中.加强污染防治,减少现有的污染废弃物以及在未来陶瓷晶振、普通晶体振荡器(SPXO),温补晶振生产制造中所产生的污染.
服务热线:0755-27839045
Q Q联系:262320519
邮箱:szceob2b@163.com

SSI012000I3CHE-T,HELE加高水晶振荡子,HSO531S时钟振荡器,尺寸5.0*3.2mm,频率12MHZ,频率稳定度±50ppm,工作电压3V~3.6V,工作温度-40℃~+85℃,台湾加高晶振,HELE有源晶振,石英晶体振荡器,石英有源晶振,OSC贴片振荡器,SMD振荡器,有源贴片晶振,Oscillator Crystal,有源晶体振荡器,石英振荡子,智能手机专用有源晶振,小型设备有源晶振,蓝牙音响有源晶振,测试设备有源晶振,无线模块有源晶振,室外基站有源晶振,无线路由器有源晶振,低电压有源晶振,低损耗有源晶振,低相位有源振荡器,低功耗有源晶振,高性能有源晶振,高品质有源晶振,低抖动有源晶振,低相噪有源晶振,具有良好的可靠性能.
OSC晶振产品常常用于智能手机,小型设备,蓝牙音响,测试设备,无线模块,室外基站,无线路由器等领域.SSI012000I3CHE-T,HELE加高水晶振荡子,HSO531S时钟振荡器.

频率:25MHZ 尺寸:14.0x9.8mm
智能手机晶振,产品具有高精度超小型的表面贴片型石英晶体振荡器,最适用于移动通信终端的基准时钟等移动通信领域.比如智能手机,无线通信,卫星导航,平台基站等较高端的数码产品

频率:32MHZ 尺寸:14.0x9.8mm
插件石英晶振最适合用于比较低端的电子产品,比如儿童玩具,普通家用电器,即使在汽车电子领域中也能使产品高可靠性的使用.并且可用于安全控制装置的CPU时钟信号发生源部分,好比时钟单片机上的石英晶振,在极端严酷的环境条件下,晶振也能正常工作,具有稳定的起振特性,高耐热性,耐热循环性和耐振性等的高可靠性能.