
Greenray晶振,进口有源晶振,T1300晶振.产品本身具有温度补偿作用,高低温度稳定性,电源电压:+3.3V~+5.0V之间可供选择,常用的频率是26M,33.6M,38.4M,40M,被广泛应用到一些比较高端的数码通讯产品领域,GPS全球定位系统,智能手机,WiMAX和蜂窝和无线通信等产品,符合RoHS/无铅.
Greenray格林雷晶振集团致力于研发生产高精密,性能稳定的石英晶体振荡器,满足不同客户的特殊要求,并且具有低噪音,低相位等特点.Greenray格林雷有源晶振,压控振荡器,(PXO)普通晶体振荡器,(TCXO)温补晶体振荡器,(OCXO)恒温晶体振荡器等在产品中使用具备优异的振动性,耐冲击等特性.
|
型号 |
T1300晶振(TCXO) |
|
|
输出频率范围 |
10MHz to 50 MHz |
|
|
标准频率 |
16.3676MHz/16.367667MHz/16.368MHz/16.369MHz/16.8MHz/26MHz/33.6MHz |
|
|
电源电压范围 |
+3.3V~+5.0v |
|
|
电源电压(Vcc) |
+5.0V/+3.3V |
|
|
消耗电流 |
+1.5mA max.(f≦26MHz)/+2.0mA max.(26<f≦52MHz) |
|
|
待机时电流 |
-请联系我们以便获取相关的信息,http://www.jingzhen95.com/ |
|
|
输出电压 |
0.8Vp-p min.(f≦52MHz)(削峰正弦波/DC-coupled) |
|
|
输出负载 |
10kΩ//10pF |
|
|
频率稳定度 |
常温偏差 |
±2.0×10-6 max.(After 2 reflows) |
|
温度特性 |
±0.5×10-6,±2.5×10-6 max./-30?+85℃ |
|
|
电源电压特性 |
±0.2×10-6 max.(VCC ±5%) |
|
|
负载变化特性 |
±0.2×10-6 max.(10kΩ//10pF±10%) |
|
|
长期变化 |
±1.0×10-6 max./year |
|
|
频率控制 |
控制灵敏度 |
- |
|
频率控制极性 |
- |
|
|
启动时间 |
2.0ms max. |
|

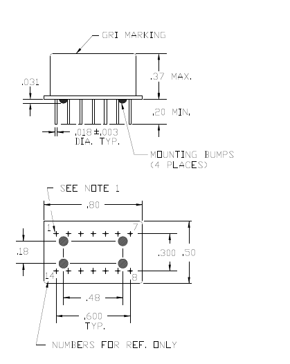
机械振动的影响
当晶振产品上存在任何给定冲击或受到周期性机械振动时,比如:压电扬声器,压电蜂鸣器,以及喇叭等,输出频率和幅度会受到影响。这种现象对通信器材通信质量有影响。尽管温补振荡器产品设计可最小化这种机械振动的影响,我们推荐事先检查并按照下列安装指南进行操作。Greenray晶振,进口有源晶振,T1300晶振
PCB设计指导
(1) 理想情况下,机械蜂鸣器应安装在一个独立于石英晶体振荡器器件的PCB板上。如果您安装在同一个PCB板上,最好使用余量或切割PCB。当应用于PCB板本身或PCB板体内部时,机械振动程度有所不同。建议遵照内部板体特性。
(2) 在设计时请参考相应的推荐封装。
(3) 在使用焊料助焊剂时,按JIS标准(JIS C 60068-2-20/IEC 60,068-2-20).来使用。
(4) 请按JIS标准(JIS Z 3282, Pb 含量 1000ppm, 0.1wt% 或更少)来使用无铅焊料。
存储事项
(1)在更高或更低温度或高湿度环境下长时间保存进口晶体振荡器产品时,会影响频率稳定性或焊接性。请在正常温度和湿度环境下保存这些晶体产品,并在开封后尽可能进行安装,以免长期储藏。
正常温度和湿度:
温度:+15°C 至 +35°C,湿度 25 % RH 至 85 % RH(请参阅“测试点JIS C 60068-1 / IEC 60068-1的标准条件”章节内容)。
(2)请仔细处理内外盒与卷带。外部压力会导致卷带受到损坏。

所有的经营组织都将积极应用国际标准以及适用的法律法规.为促进合理有效的公共政策的制订实施加强战略联系.Greenray晶振,进口有源晶振,T1300晶振
Greenray格林雷晶振集团消除事故和环境方面的偶发事件,减少晶体谐振器、插件有源晶振、普通晶体振荡器(SPXO)材料废物的产生和排放,有效的使用能源和各种自然资源,对紧急事件做好充分准备,以便及时做出反应.
对我们的TCXO晶体振荡器进行检验,同时告知我们的员工顾客以及公众,如何安全的使用,如何使用对环境影响较小,帮助我们的雇员合同方商业伙伴服务提供上理解他们的行为如何影响着环境.
Greenray晶振遵守所有适用的有关环境、健康和安全的法律和法规以及公司自己的有关环境、工业卫生和安全的方针和承诺.
与我们的员工一起开创并保持一个免于事故的工作场所.
Greenray晶振重视污染预防,消除偏离程序的行为强调通过员工努力这一最可行的方法持续改进我们经营活动的环境绩效.
Greenray晶振将持续的环境、健康和安全方面的改进、污染预防和员工的努力纳入日常运行当中.加强污染防治,减少现有的污染废弃物以及在未来晶体谐振器、高精度晶振、普通晶体振荡器(SPXO),石英晶振生产制造中所产生的污染.

服务热线:0755-27839045
Q Q联系:262320519
邮箱:szceob2b@163.com


